电脑桌面
添加小米粒文库到电脑桌面
安装后可以在桌面快捷访问

ASME压力容器-工艺评定-试板--取样尺寸VIP免费

ASME压力容器-工艺评定-试板--取样尺寸_第1页
1/6
ASME压力容器-工艺评定-试板--取样尺寸_第2页
2/6
ASME压力容器-工艺评定-试板--取样尺寸_第3页
3/6
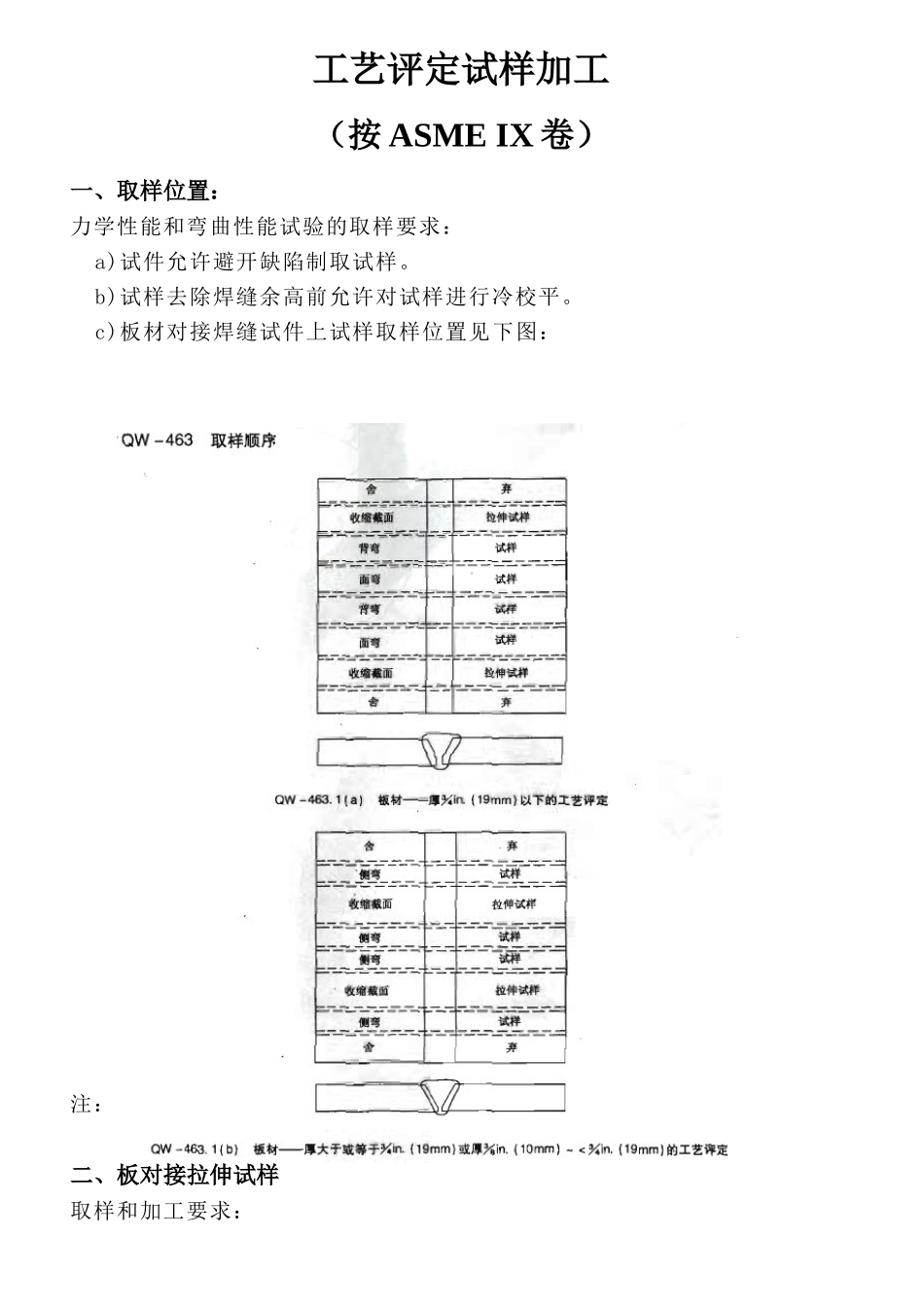
工艺评定试样加工(按ASMEIX卷)一、取样位置:力学性能和弯曲性能试验的取样要求:a)试件允许避开缺陷制取试样。b)试样去除焊缝余高前允许对试样进行冷校平。c)板材对接焊缝试件上试样取样位置见下图:注:晶间腐蚀及其它试样取样位置见工艺评定试板流转卡。二、板对接拉伸试样取样和加工要求:a)试样的焊缝余高应以机械方法去除,使之与母材齐平。试样厚度应等于或接近试件母材厚度T。b)厚度小于或等于25mm的试件,采用全厚度试样进行试验。c)当试验机受能力限制不能进行全厚度的拉伸试验时,则可将试件在厚度方向上均匀分层取样,等分后制取试样厚度应接近试验机所能试验的最大厚度。等分后的两片或多片试样试验代替一个全厚度试样的试验(当工艺评定试板流转卡拉伸试样数量要求大于2时则需分层取样)。注:S——试样厚度,mm;hk——焊缝最大宽度,mm;h—夹持部分长度,根据试验机夹具而定,mm。三、板对接弯曲试样试样加工要求:试样的焊缝余高应采用机械方法去除,面弯、背弯试样的拉伸表面应齐平,去除余高前允许采用冷校平。试样形式:a)面弯和背弯试样1.材料为P-No.23,F-No.23或P-No.35时试件厚度T≤3mm时,试样厚度T与y相等;T>3mm时,y=3mm,从试样受压面加工去除多余厚度;2.其它所有材料厚度T≤10mm时,试样厚度T与y相等;T>10mm时,y=10mm,从试样受压面加工去除多余厚度;面弯试样背弯试样注:1试样长度L≈160mm;2板材试样宽度B=38mm;3试样拉伸面棱角R≤3mm。)b)横向侧弯试样。1.当试件厚度T为10~38mm时,试样宽度等于试件厚度。当试件厚度T大于38mm时,允许沿试件厚度方向分层切成宽度为19—38mm等宽的两片或多片试样的试验代替一个全厚度侧弯试样的试验(详见工艺流转卡)。2.材料为P-No.23,F-No.23或P-No.35时试样宽度W=3mm,T=t;3.除上述2所述材料,其它所有材料试样W=10mm,从试样受压面加工去除多余厚度;横向侧弯试样注:3.试样长度L≈160mm;4.试样拉伸面棱角R≤3mm。四、板对接冲击试样a)试样取向:试样纵轴应垂直于焊缝轴线,缺口轴线垂直于母材表面。b)取样位置:在试件厚度上的取样位置(厚度小于等于38mmnn情况)见下图,不锈钢复合板冲击试样只对基层焊缝区及热影响区取冲击试样。注:lT≤38mm时,t1<1.5mm(仅限焊缝区)。2厚度大于38mm时取3组(每组仍为3个)试样一组取焊缝热影响区(与T≤38mm时相同取样尽可能包括更多的热影响区)另一组取距焊缝表面1.2mm处另一组取焊缝的另一表面至中心的中间部分.ASTM、ASME材料的冲击试样:(a)标准全尺寸试样试样尺寸要求(a)允许偏差如下:缺口长对边缘90°±2°相等侧面应成90°±10ˊ横截面尺寸±0.075mm试样长度L+0,-2.5mm缺口中心线L/2±1mm缺口角度±1°缺口半径±0.025μm缺口深度±0.025μm粗糙度在缺口表面和背面2μm。在其他两个表面4μm(b)标准小尺寸试样(b)对小尺寸试样,除上面所示宽度改变外公差是1%,标准试样的所有尺寸和公差保持不变。标准号主要材质板厚试样尺寸备注A240/SA240A240/SA240-304A240/SA240-304LA240/SA240-316A240/SA240-316L≥1110×10×55板厚方向尽量取较大尺寸,冲击试样轴线尽量位于1/4109.0×10×5598.0×10×5545°2mm10mm10mm55mmL/2L90°2.5mm3.3mm5mm6.7mm7.5mm10mm2mmA240/SA240-310SA240/SA240-321A240/SA240-410SA240/SA240-S31803A240/SA240-S32205板厚处87.5×10×5576.0×10×5565.0×10×5554.0×10×5543.3×10×5532.5×10×55

1、当您付费下载文档后,您只拥有了使用权限,并不意味着购买了版权,文档只能用于自身使用,不得用于其他商业用途(如 [转卖]进行直接盈利或[编辑后售卖]进行间接盈利)。
2、本站所有内容均由合作方或网友上传,本站不对文档的完整性、权威性及其观点立场正确性做任何保证或承诺!文档内容仅供研究参考,付费前请自行鉴别。
3、如文档内容存在违规,或者侵犯商业秘密、侵犯著作权等,请点击“违规举报”。

碎片内容

ASME压力容器-工艺评定-试板--取样尺寸

您可能关注的文档

确认删除?
VIP
微信客服
  • 扫码咨询
会员Q群
  • 会员专属群点击这里加入QQ群
客服邮箱
回到顶部