电脑桌面
添加小米粒文库到电脑桌面
安装后可以在桌面快捷访问

O型密封圈检验规范VIP免费

O型密封圈检验规范_第1页
1/5
O型密封圈检验规范_第2页
2/5
O型密封圈检验规范_第3页
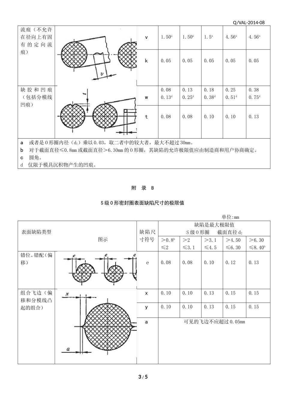
3/5
Q/VAL-2014-08凡尔机械集团有限公司O形密封圈检验规范1范围本检验规范规定了本公司O形密封圈的检验项目与检验要求。本检验规范适用于本公司安全阀阀芯用O形密封圈的质量检验。也适合本公司其他液压阀用形密封圈的质量检验。2检验依据GB/T3452.1-2005液压、气动用O形橡胶密封圈,第一部分:尺寸及公差GB/T3452.2-2007液压、气动用O形橡胶密封圈,第二部分:外观质量检验规范GB/T5720-20080形橡胶密封圈试验方法。3检验项目3.1对于CS级的O形圈要求核对制造厂商、品名、规格、材料、出厂日期,是否有合格证或质量证明书;3.2尺寸检验:线径尺寸公差:安全阀阀芯用Ф2±0.015;其他阀类用Ф2±0.08,Ф2.4±0.09,Ф3.1±0.10,Ф3.5±0.11,具体检验时按照GB/T3452.1-2005标准中所规定的进行检验。3.3硬度检验:聚氨酯(NBR):90±5(邵氏A)度、丁腈橡胶(NBR):70±5(邵氏A)度;其他材料的硬度,参照机械设计手册《常用橡胶技术性能》或图纸要求。3.4外观质量检验:安全阀阀芯所用的O形橡胶密封圈外观质量要求达到CS级(参照附录A),对于其他液压阀所用的O形橡胶密封圈的外观质量,如果没有特别要求,要求达到S级(参照附录B),具体检验时,按照GB/T3452.2-2007标准中所规定的进行检验。3.5老化试验:对于使用温度较高的O形密封圈或图纸有要求的,需要进行老化试验。4检验方法:4.1本检验规范条款3.1核对。4.2本检验规范条款3.2数显游标卡尺。4.3本检验规范条款3.3橡胶硬度计。4.4本检验规范条款3.4目视、数显游标卡尺。4.5本检验规范条款3.5老化箱。5检验规则采用抽检方式,尺寸检验:每批抽检比例不低于10%,外观质量检验:每批抽检比例不低于20%,硬度和老化检验:按照《0形橡胶密封圈试验方法》规定。6检验记录6.1根据附录C《O形密封圈检验单》填写检验记录。6.2各检验项目的检验结果,符合要求的打“√”,不符合要求的打“×”,并在备注栏注明具体的不符合原因。1/5Q/VAL-2014-08附录ACS级O形密封圈表面缺陷尺寸的极限值单位:mm表面缺陷类型图示缺陷尺寸符号缺陷是最大极限值CS级O形圈截面直径d2>1.5≤2>2.25≤3.15>3.15≤4.50>4.50≤6.30>6.30≤8.40b错位、错配(偏移)e0.020.040.060.060.08组合飞边(偏移和分模线凸起的组合)x0.070.070.100.130.13y0.100.100.130.130.13a不允许开模缩裂g不允许u不允许过度修边(不允许有径向修边痕迹)n允许修边后的尺寸n不小于O形圈载面直径d2的下限值2/5Q/VAL-2014-08流痕(不允许在径向上有固有的定向流痕)v1.50a1.50a1.5a4.56a4.56ak0.050.050.050.050.05缺胶和凹痕(包括分模线凹痕)w0.080.13d0.130.25d0.180.38d0.250.51d0.380.75dt0.080.080.100.100.13a或者是O形圈内径(d1)乘以0.03,取二者中的较大者,最大不超过30mm。b对于截面直径≤0.8mm或截面直径>6.30mm的O形圈,其缺陷的允许极限值应由制造商和用户协商确定。c圆角。d仅限于模具沉积物产生的凹痕。附录BS级O形密封圈表面缺陷尺寸的极限值单位:mm表面缺陷类型图示缺陷尺寸符号缺陷是最大极限值S级O形圈截面直径d2>0.8b≤2>2≤3.1>3.1≤4.5>4.50≤6.30>6.30≤8.40b错位、错配(偏移)e0.080.080.100.120.13组合飞边(偏移和分模线凸起的组合)x0.100.100.130.150.15y0.100.100.130.150.15a可见的飞边不应超过0.05mm3/5Q/VAL-2014-08开模缩裂g0.10.150.200.200.30u0.050.080.100.100.13过度修边(不允许有径向修边痕迹)n允许修边后的尺寸n不小于O形圈载面直径d2的下限值流痕(不允许在径向上有固有的定向流痕)v1.50a1.50a5.0a5.0a5.0ak0.050.050.050.050.05缺胶和凹痕(包括分模线凹痕)w0.150.250.400.631.00t0.080.080.100.100.13a或者是O形圈内径(d1)乘以0.05,取二者中的较大者。b对于截面直径≤0.8mm或截面直径>6.30mm的O形圈,其缺陷的允许极限值应由制造商和用户协商确定。c圆角。附录CO形密封圈检验记录单编号NO:序检验项目检验要求检验结果备注4/5Q/VAL-2014-08号1通则检验制造厂商、品名、规格、材料、出厂日期。合格证或质量证明书2尺寸检验线径尺寸及公差。3硬度检验邵氏(A)硬度,NBR为90±5、70±5(邵氏A)度。4外观质量错位、错...

1、当您付费下载文档后,您只拥有了使用权限,并不意味着购买了版权,文档只能用于自身使用,不得用于其他商业用途(如 [转卖]进行直接盈利或[编辑后售卖]进行间接盈利)。
2、本站所有内容均由合作方或网友上传,本站不对文档的完整性、权威性及其观点立场正确性做任何保证或承诺!文档内容仅供研究参考,付费前请自行鉴别。
3、如文档内容存在违规,或者侵犯商业秘密、侵犯著作权等,请点击“违规举报”。

碎片内容

O型密封圈检验规范

您可能关注的文档

状元书阁+ 关注
实名认证
内容提供者

爱好英语教学和互联网行业,热爱教育事业,兢兢业业

确认删除?
VIP
微信客服
  • 扫码咨询
会员Q群
  • 会员专属群点击这里加入QQ群
客服邮箱
回到顶部