电脑桌面
添加小米粒文库到电脑桌面
安装后可以在桌面快捷访问

5章《房屋建筑室内装修设计》图例及符号VIP免费

5章《房屋建筑室内装修设计》图例及符号_第1页
1/11
5章《房屋建筑室内装修设计》图例及符号_第2页
2/11
5章《房屋建筑室内装修设计》图例及符号_第3页
3/11
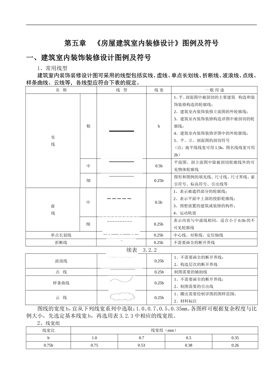
第五章《房屋建筑室内装修设计》图例及符号一、建筑室内装饰装修设计图例及符号1、常用线型建筑室内装饰装修设计图可采用的线型包括实线、虚线、单点长划线、折断线、波浪线、点线、样条曲线、云线等,各线型应符合下表的规定。名称线型线宽一般用途实线粗b1、平、剖面图中被剖切的主要建筑构造和装饰装修构造的轮廓线;2、建筑室内装饰装修立面图的外轮廓线;3、建筑室内装饰装修构造详图中被剖切的轮廓线;4、建筑室内装饰装修详图中的外轮廓线;5、平、立、剖面图的剖切符号(注:地平线线宽可用1.5b,图名线线宽可用2b)中0.5b平面图、剖立面图中除被剖切轮廓线外的可见物体轮廓线细0.25b图形和图例的填充线、尺寸线、尺寸界线、索引符号、标高符号、引出线等虚线中0.5b1、表示被遮挡部分的轮廓线;2、表示平面中上部的投影轮廓线;3、预想放置的建筑或装修的构件;4、运动轨迹细0.25b表示内容与中虚线相同,适合小于0.5b的不可见轮廓线单点长划线0.25b中心线、对称线、定位轴线折断线0.25b不需要画全的断开界线续表3.2.2波浪线0.25b1、不需要画全的断开界线;2、构造层次的断开界线点线0.25b制图需要的辅助线样条曲线0.25b1、不需要画全的断开界线;2、制图需要的引出线云线0.25b1、圈出需要绘制详图的图样范围;2、材料标注图线的宽度b,宜从下列线宽系列中选取:1.0、0.7、0.5、0.35mm。各图样可根据复杂程度与比例大小,先选定基本线宽b,再选用表3.2.3中相应的线宽组。2、线宽组线宽比线宽组(mm)b1.00.70.50.350.75b0.750.530.380.260.5b0.50.350.250.180.3b0.30.210.150.110.25b0.250.180.130.090.2b0.20.140.10.07注:同一张图纸内,各个不同线宽组中的细线,可统一采用较细的线宽组的细线。3、比例比例宜注写在图名的右侧或右侧下方,字的基准线应取平。比例的字高宜比图名的字高小一号或二号(图)。(a)(b)(c)(d)比例的注写绘图采用的比例应根据图样内容及复杂程度选取。常用及可用比例应符合表的规定。常用及可用的图纸比例常用比例1:1、1:2、1:5、1:10、1:20、1:25、1:50、1:75、1:100、1:150、1:200、1:250可用比例1:3、1:4、1:6、1:8、1:15、1:30、1:35、1:40、1:60、1:70、1:80、1:120、1:300、1:400、1:500根据建筑室内装饰装修设计的不同部位、不同阶段的图纸内容和要求,绘制的比例宜在下表中选用。各部位常用图纸比例表比例部位图纸内容1:200~1:100总平面、总顶面总平面布置图、总顶棚平面布置图1:100~1:50局部平面、局部顶棚平面局部平面布置图、局部顶棚平面布置图1:100~1:50不复杂的立面立面图、剖面图1:50~1:30较复杂的立面立面图、剖面图1:30~1:10复杂的立面立面放样图、剖面图1:10~1:1平面及立面中需要详细表示的部位详图二、建筑室内装饰装修设计工程中的各类符号1、剖切符号建筑室内装饰装修设计工程中的剖切符号与房屋建筑工程相同,在此不再重复。2、索引符号、(1)、表示室内立面在平面上的位置及立面图所在页码,应在平面图上使用立面索引符号,如下图:25(a)(b)(c)(d)(e)立面索引符号(2)、表示剖切面在各界面上的位置及图样所在页码,应在被索引的界面图样上使用剖切索引符号,如下图:剖切索引符号(3)、表示局部放大图样在原图上的位置及本图样所在页码,应在被索引图样上使用详图索引符号,如下图:(a)本页索引方式(b)整页索引方式(c)不同页索引方式(d)标准图索引方式图详图索引符号(4)、表示各类设备(含设备、设施、家具、灯具等)的品种及对应的编号,应在图样上使用设备索引符号,如下图:26设备索引符号3、引出线引出线起止符号可采用圆点绘制,也可采用箭头绘制(图)。起止符号的大小应与本图样尺寸的比例相一致。(a)(b)引出线起止符号多层构造或多个部位共用引出线,应通过被引出的各层或各部分,并以引出线起止符号指出相应位置。引出线上的文字说明应符合现行国家标准《房屋建筑制图统一标准》GB/T50001的规定(图)。(a)多层构造共用引出线(b)多个物象共用引出线共用引出线示意4、其他符号(1)、对称符号对称符号由对称线和分中符号组成。对称线用细单点长划线绘制;分中符号用细实线绘制。分中符号的表示可采...

1、当您付费下载文档后,您只拥有了使用权限,并不意味着购买了版权,文档只能用于自身使用,不得用于其他商业用途(如 [转卖]进行直接盈利或[编辑后售卖]进行间接盈利)。
2、本站所有内容均由合作方或网友上传,本站不对文档的完整性、权威性及其观点立场正确性做任何保证或承诺!文档内容仅供研究参考,付费前请自行鉴别。
3、如文档内容存在违规,或者侵犯商业秘密、侵犯著作权等,请点击“违规举报”。

碎片内容

5章《房屋建筑室内装修设计》图例及符号

状元书阁+ 关注
实名认证
内容提供者

爱好英语教学和互联网行业,热爱教育事业,兢兢业业

确认删除?
VIP
微信客服
  • 扫码咨询
会员Q群
  • 会员专属群点击这里加入QQ群
客服邮箱
回到顶部