电脑桌面
添加小米粒文库到电脑桌面
安装后可以在桌面快捷访问

2018中考物理专题分类复习------超级全面VIP免费

2018中考物理专题分类复习------超级全面_第1页
1/43
2018中考物理专题分类复习------超级全面_第2页
2/43
2018中考物理专题分类复习------超级全面_第3页
3/43
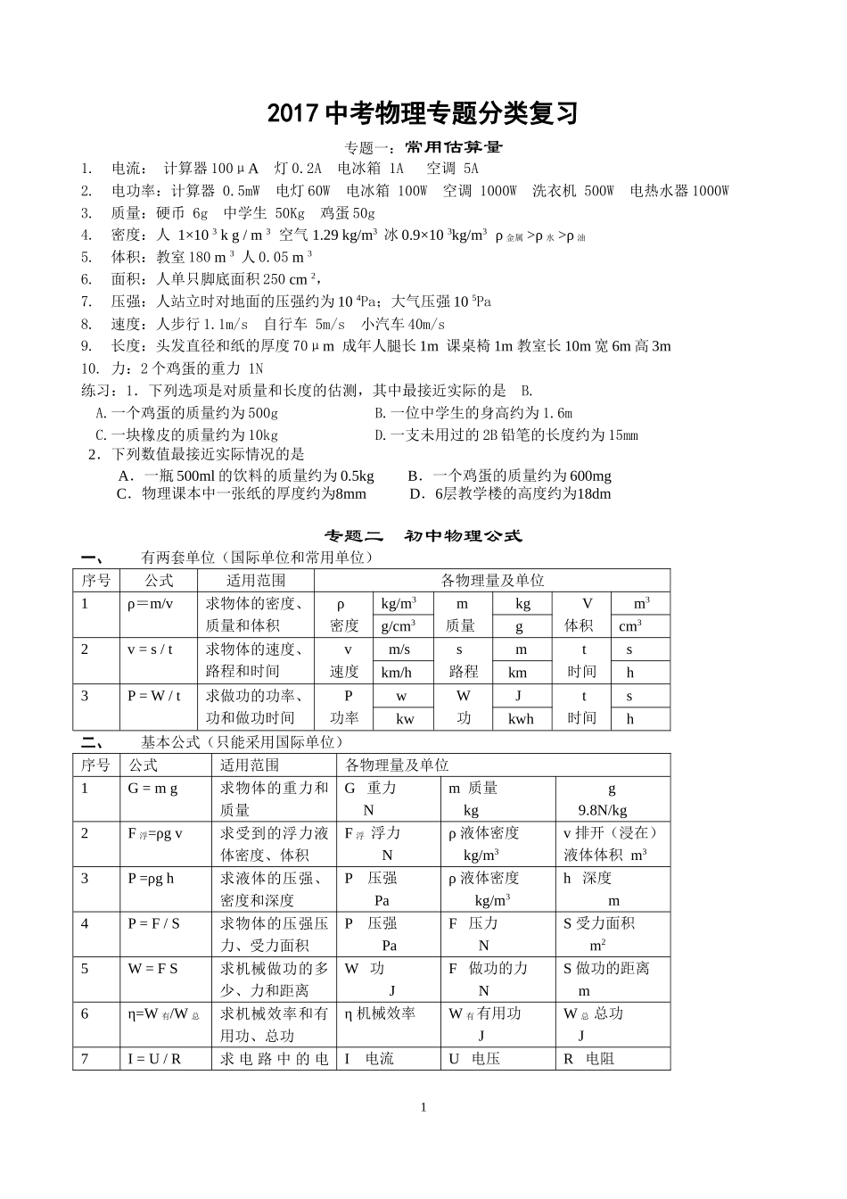
2017中考物理专题分类复习专题一:常用估算量1.电流:计算器100μA灯0.2A电冰箱1A空调5A2.电功率:计算器0.5mW电灯60W电冰箱100W空调1000W洗衣机500W电热水器1000W3.质量:硬币6g中学生50Kg鸡蛋50g4.密度:人1×103kg/m3空气1.29kg/m3冰0.9×103kg/m3ρ金属>ρ水>ρ油5.体积:教室180m3人0.05m36.面积:人单只脚底面积250cm2,7.压强:人站立时对地面的压强约为104Pa;大气压强105Pa8.速度:人步行1.1m/s自行车5m/s小汽车40m/s9.长度:头发直径和纸的厚度70μm成年人腿长1m课桌椅1m教室长10m宽6m高3m10.力:2个鸡蛋的重力1N练习:1.下列选项是对质量和长度的估测,其中最接近实际的是B.A.一个鸡蛋的质量约为500gB.一位中学生的身高约为1.6mC.一块橡皮的质量约为10kgD.一支未用过的2B铅笔的长度约为15mm2.下列数值最接近实际情况的是A.一瓶500ml的饮料的质量约为0.5kgB.一个鸡蛋的质量约为600mgC.物理课本中一张纸的厚度约为8mmD.6层教学楼的高度约为18dm专题二初中物理公式一、有两套单位(国际单位和常用单位)序号公式适用范围各物理量及单位1ρ=m/v求物体的密度、质量和体积ρ密度kg/m3m质量kgV体积m3g/cm3gcm32v=s/t求物体的速度、路程和时间v速度m/ss路程mt时间skm/hkmh3P=W/t求做功的功率、功和做功时间P功率wW功Jt时间skwkwhh二、基本公式(只能采用国际单位)序号公式适用范围各物理量及单位1G=mg求物体的重力和质量G重力Nm质量kgg9.8N/kg2F浮=ρgv求受到的浮力液体密度、体积F浮浮力Nρ液体密度kg/m3v排开(浸在)液体体积m33P=ρgh求液体的压强、密度和深度P压强Paρ液体密度kg/m3h深度m4P=F/S求物体的压强压力、受力面积P压强PaF压力NS受力面积m25W=FS求机械做功的多少、力和距离W功JF做功的力NS做功的距离m6η=W有/W总求机械效率和有用功、总功η机械效率W有有用功JW总总功J7I=U/R求电路中的电I电流U电压R电阻1vstVmtsv流、电压和电阻AVΩ8P=UI求电功率、电压和电流P电功率WU电压VI电流A9Q=I2Rt求电路产生的电热Q电热JI电流AR电阻Ωt时间s10Q=mq求燃料完全燃烧放出的热量、燃料质量、热值Q热量Jm质量kgq热值J/kg(J/m3)11Q=cmΔt求物体吸收或放出热量、比热容和温度变化量Q热量Jc比热容J/(kg℃)m质量kgΔt温度差℃12F1L1=F2L2求作用在杠杆的力和力臂F1F2动力和阻力NL1L2动力臂和阻力臂m三、推导出的公式(只能使用国际单位)公式适用范围公式适用范围F浮=G-F拉知道弹簧测力计在空气和液体中的示数差求浮力F浮=G物体在液体中漂浮或悬浮时求浮力W有=Gh求把物体抬高时做的有用功W总=FS求作用在机械上的动力做的总功F=1/n(G+G动)滑轮组中已知物重和动滑轮重求拉力S=nh求绳子自由端的距离S和物体或动滑轮移动的距离hη=G/nF已知物重和拉力求滑轮组的机械效率R=U2/P已知用电器的额定电压和额定功率求电阻P=I2R已知电流和电阻或在串联电路中求电功率P=U2/R已知电压和电阻或在并联电路中求电功率W=UIt已知电路中的电压、电流和通电时间求消耗的电能。Q=Pt纯电阻电路中求用电器产生的热量物理中考复习---物理公式1、速度公式:公式变形:求路程——vts求时间——2、重力与质量的关系:G=mg3、合力公式:F=F1+F2[同一直线同方向二力合力计算]F=F1-F2[同一直线反方向二力合力计算]4、密度公式:5、浮力公式:2物理量单位v——速度m/skm/hs——路程mkmt——时间shG——重力Nm——质量kgg——重力与质量的比值g=9.8N/kg;粗略计算时取g=10N/kg。ρ——密度kg/m3g/cm3m——质量kggV——体积m3cm3单位换算:1kg=103g1g/cm3=1×103kg/m31m3=106cm31L=1dm31mL=1cm3F浮——浮力NG——物体的重力NF——物体浸没液体中时弹簧测力计的读数N单位换算:1m==10dm=102cm=103mm1h=60min=3600s;1min=60sF浮=G–FF浮=G排=m排gF浮=ρ水gV排F浮=G6、固体压强公式:p=7、液体压强公式:p=ρgh8、帕斯卡原理: p1=p2∴2211SFSF或2121SSFF9、杠杆的平衡条件:F1L1=F2L2或写成:1221LLFF10、滑轮组:F=n1G总s=nh对于定滑轮而言: n=1∴F=Gs=h对于动滑轮而言: n=2∴F=21Gs=2h11、机械功公式:W=Fs12、功率公式:P=tW3注意:S是受力面积,指有受到压力作用的那部分面积提示:...

1、当您付费下载文档后,您只拥有了使用权限,并不意味着购买了版权,文档只能用于自身使用,不得用于其他商业用途(如 [转卖]进行直接盈利或[编辑后售卖]进行间接盈利)。
2、本站所有内容均由合作方或网友上传,本站不对文档的完整性、权威性及其观点立场正确性做任何保证或承诺!文档内容仅供研究参考,付费前请自行鉴别。
3、如文档内容存在违规,或者侵犯商业秘密、侵犯著作权等,请点击“违规举报”。

碎片内容

2018中考物理专题分类复习------超级全面

您可能关注的文档

状元书阁+ 关注
实名认证
内容提供者

爱好英语教学和互联网行业,热爱教育事业,兢兢业业

确认删除?
VIP
微信客服
  • 扫码咨询
会员Q群
  • 会员专属群点击这里加入QQ群
客服邮箱
回到顶部