电脑桌面
添加小米粒文库到电脑桌面
安装后可以在桌面快捷访问

XX市政安全监理实施细则范本VIP专享VIP免费

XX市政安全监理实施细则范本_第1页
1/26
XX市政安全监理实施细则范本_第2页
2/26
XX市政安全监理实施细则范本_第3页
3/26
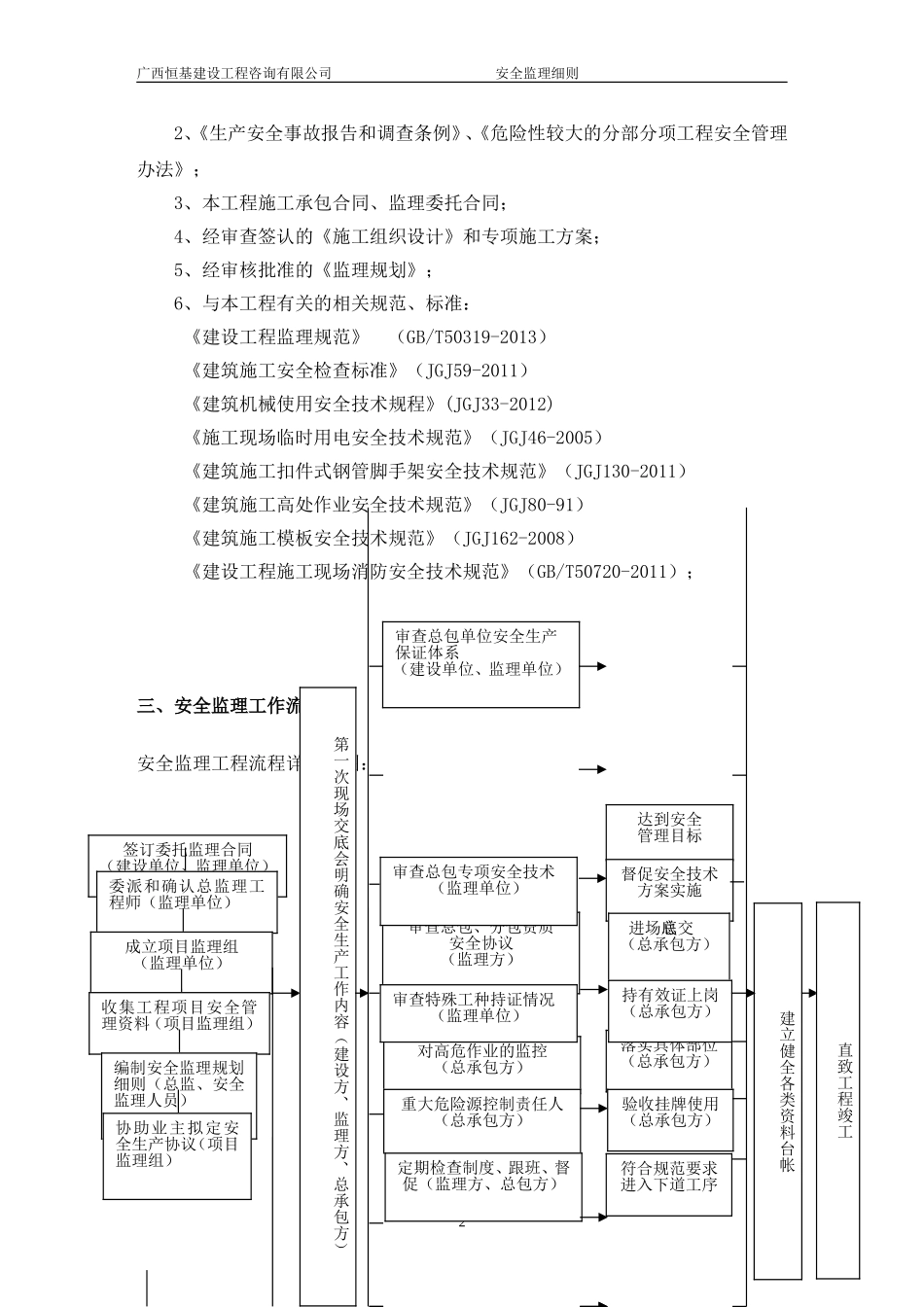
XXXXXXXXX工程安全监理实施细则编制:审批:广西恒基建设工程咨询有限公司年月广西恒基建设工程咨询有限公司安全监理细则目录(页码自行调整)一、工程概况…………………………………………………………2二、安全监理依据……………………………………………………2三、安全监理工作流程………………………………………………3四、监理工作的控制要点……………………………………………4五、监理工作的方法及措施………………………………………26、一、工程概况工程名称:建设地点:建设单位:设计单位:施工单位:工程造价:质量要求:计划工期:设计概况:二、安全监理依据1、《中华人民共和国安全生产法》、《建设工程安全生产管理条例》;1广西恒基建设工程咨询有限公司安全监理细则2、《生产安全事故报告和调查条例》、《危险性较大的分部分项工程安全管理办法》;3、本工程施工承包合同、监理委托合同;4、经审查签认的《施工组织设计》和专项施工方案;5、经审核批准的《监理规划》;6、与本工程有关的相关规范、标准:《建设工程监理规范》(GB/T50319-2013)《建筑施工安全检查标准》(JGJ59-2011)《建筑机械使用安全技术规程》(JGJ33-2012)《施工现场临时用电安全技术规范》(JGJ46-2005)《建筑施工扣件式钢管脚手架安全技术规范》(JGJ130-2011)《建筑施工高处作业安全技术规范》(JGJ80-91)《建筑施工模板安全技术规范》(JGJ162-2008)《建设工程施工现场消防安全技术规范》(GB/T50720-2011);三、安全监理工作流程安全监理工程流程详见下图:2签订委托监理合同(建设单位、监理单位)委派和确认总监理工程师(监理单位)成立项目监理组(监理单位)收集工程项目安全管理资料(项目监理组)编制安全监理规划细则(总监、安全监理人员)协助业主拟定安全生产协议(项目监理组)第一次现场交底会明确安全生产工作内容(建设方、监理方、总承包方)审查总包单位安全生产保证体系(建设单位、监理单位)审查总包、分包资质安全协议(监理方)对高危作业的监控(总承包方)重大危险源控制责任人(总承包方)定期检查制度、跟班、督促(监理方、总包方)达到安全管理目标督促安全技术方案实施进场总交底(总承包方)落实具体部位(总承包方)验收挂牌使用(总承包方)符合规范要求进入下道工序持有效证上岗(总承包方)建立健全各类资料台帐直致工程竣工审查总包专项安全技术(监理单位)审查特殊工种持证情况(监理单位)广西恒基建设工程咨询有限公司安全监理细则四、监理工作的控制要点I.督促施工方认真落实安全管理工作,做到责任明确,项目部专业监理工程师组织核查。(一)安全生产责任制监理核查要点1、督促施工企业和项目部必须建立健全各级、各职能部门及各类人员的安全生产责任制,装订成册,其中项目部管理人员安全生产责任制还应挂上墙。2、总分包单位之间、企业和项目部应签订安全生产目标责任书。除了工程各项经济承包合同中必须有明确的安全生产指标外,安全生产目标责任书中也必须有明确的安全生产指标和有针对性的安全保证措施以及双方责任及奖惩办法。3、施工现场各工种安全技术操作规程齐全,装订成册。4、设置专职安全员,组成安全管理组,负责管理安全生产工作。5、建立企业和项目部各级、各部门和各类人员安全生产责任考核制度,考核有书面记录。企业一级部门、人员和项目经理安全生产责任制由企业安全管理部门每半年考核一次,项目部其他管理人员和各班组长安全生产责任制由项目部每季度考核一次。(二)目标管理监理核查要点1、施工现场必须实行安全生产目标管理,工程开工前应制定总的安全管理目标,包括伤亡事故指标、安全达标和文明施工目标以及采取的安全措施。2、项目部与施工管理人员和班组,班组与职工必须签订安全目标责任书,以责任书形式把工地总的安全管理目标按照各自职责逐级分解。项目部制定安全目标现任考核规定,责任到人,每月考核记录在册。3、项目部各级签订的安全目标责任书内容应明确安全生产指标、双方责任、工作措施和考核及奖惩内容。(三)施工组织设计及各项方案中有关安全工作监理核查要点1、核查施工企业在编...

1、当您付费下载文档后,您只拥有了使用权限,并不意味着购买了版权,文档只能用于自身使用,不得用于其他商业用途(如 [转卖]进行直接盈利或[编辑后售卖]进行间接盈利)。
2、本站所有内容均由合作方或网友上传,本站不对文档的完整性、权威性及其观点立场正确性做任何保证或承诺!文档内容仅供研究参考,付费前请自行鉴别。
3、如文档内容存在违规,或者侵犯商业秘密、侵犯著作权等,请点击“违规举报”。

碎片内容

XX市政安全监理实施细则范本

金钥匙书屋+ 关注
实名认证
内容提供者

热爱教育事业,爱好互联网行业

确认删除?
VIP
微信客服
  • 扫码咨询
会员Q群
  • 会员专属群点击这里加入QQ群
客服邮箱
回到顶部