电脑桌面
添加小米粒文库到电脑桌面
安装后可以在桌面快捷访问

安全教育培训表格(新)VIP免费

安全教育培训表格(新)_第1页
1/4
安全教育培训表格(新)_第2页
2/4
安全教育培训表格(新)_第3页
3/4
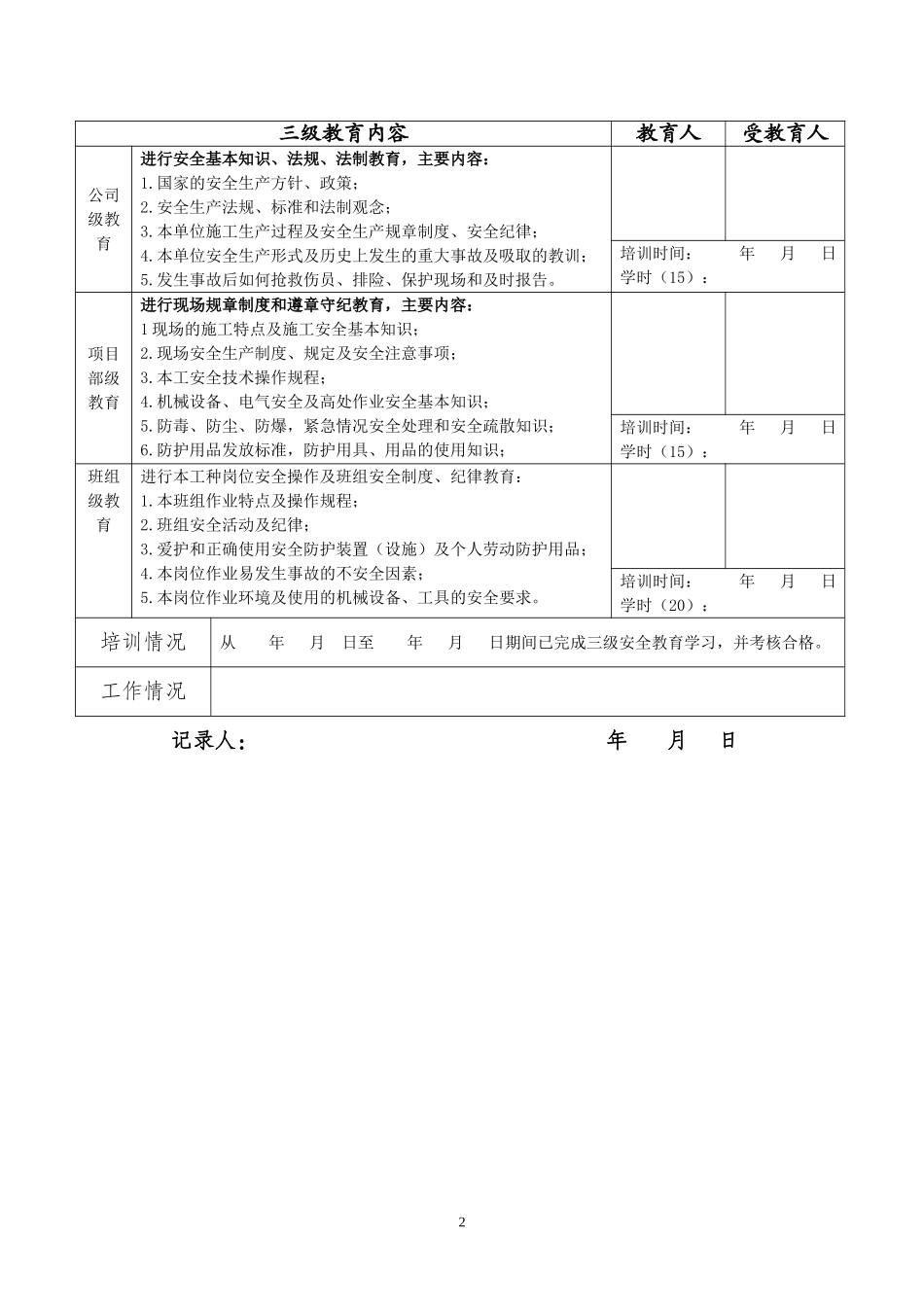
1附件1安全培训教育记录工程名称:年月日培训单位(部门)主讲人教育类别受教育单位(部门)教育课时人数培训主要内容:12345参训人员注明:1.各级培训应根据实际情况填写培训内容;2.培训应附培训照片为附件;3.教育类别:管理人员年度安全教育培训、作业人员年度安全教育培训、“四新”技术教育培训、变换工种培训、职业健康教育培训、消防安全培训等。附件2新入厂(场)工人三级安全教育记录卡新入厂(场)工人¨待岗位复工人员¨转让岗人员¨换岗人员¨其他¨姓名身份证复印件粘贴处家庭住址文化程度进场日期所在班组技术工种2三级教育内容教育人受教育人公司级教育进行安全基本知识、法规、法制教育,主要内容:1.国家的安全生产方针、政策;2.安全生产法规、标准和法制观念;3.本单位施工生产过程及安全生产规章制度、安全纪律;4.本单位安全生产形式及历史上发生的重大事故及吸取的教训;5.发生事故后如何抢救伤员、排险、保护现场和及时报告。培训时间:年月日学时(15):项目部级教育进行现场规章制度和遵章守纪教育,主要内容:1现场的施工特点及施工安全基本知识;2.现场安全生产制度、规定及安全注意事项;3.本工安全技术操作规程;4.机械设备、电气安全及高处作业安全基本知识;5.防毒、防尘、防爆,紧急情况安全处理和安全疏散知识;6.防护用品发放标准,防护用具、用品的使用知识;培训时间:年月日学时(15):班组级教育进行本工种岗位安全操作及班组安全制度、纪律教育:1.本班组作业特点及操作规程;2.班组安全活动及纪律;3.爱护和正确使用安全防护装置(设施)及个人劳动防护用品;4.本岗位作业易发生事故的不安全因素;5.本岗位作业环境及使用的机械设备、工具的安全要求。培训时间:年月日学时(20):培训情况从年月日至年月日期间已完成三级安全教育学习,并考核合格。工作情况记录人:年月日3附件3职工入场三级教育培训登记表工程名称:序号姓名性别年龄文化程度家庭住址身份证号码电话号码紧急联系人及电话号码入场时间离场时间4附件4班前安全活动记录工程名称:班组:年月日当天作业部位作业人数防护设施及环境其它防护用品是否符合规范(是√否Χ)当天作业内容作业环境防护设施作业面安全帽安全带昨日作业中发现的隐患整改落实情况今日安全活动内容参加活动作业人员签名注:1.班组(或分包队)每天在上班前或分配工作前应进行安全教育,并将教育内容记本表中;2.本表由班组长填写,填写后交安全员存档。

1、当您付费下载文档后,您只拥有了使用权限,并不意味着购买了版权,文档只能用于自身使用,不得用于其他商业用途(如 [转卖]进行直接盈利或[编辑后售卖]进行间接盈利)。
2、本站所有内容均由合作方或网友上传,本站不对文档的完整性、权威性及其观点立场正确性做任何保证或承诺!文档内容仅供研究参考,付费前请自行鉴别。
3、如文档内容存在违规,或者侵犯商业秘密、侵犯著作权等,请点击“违规举报”。

碎片内容

安全教育培训表格(新)

确认删除?
VIP
微信客服
  • 扫码咨询
会员Q群
  • 会员专属群点击这里加入QQ群
客服邮箱
回到顶部