电脑桌面
添加小米粒文库到电脑桌面
安装后可以在桌面快捷访问

应急预案评审记录表(全)VIP免费

应急预案评审记录表(全)_第1页
1/10
应急预案评审记录表(全)_第2页
2/10
应急预案评审记录表(全)_第3页
3/10
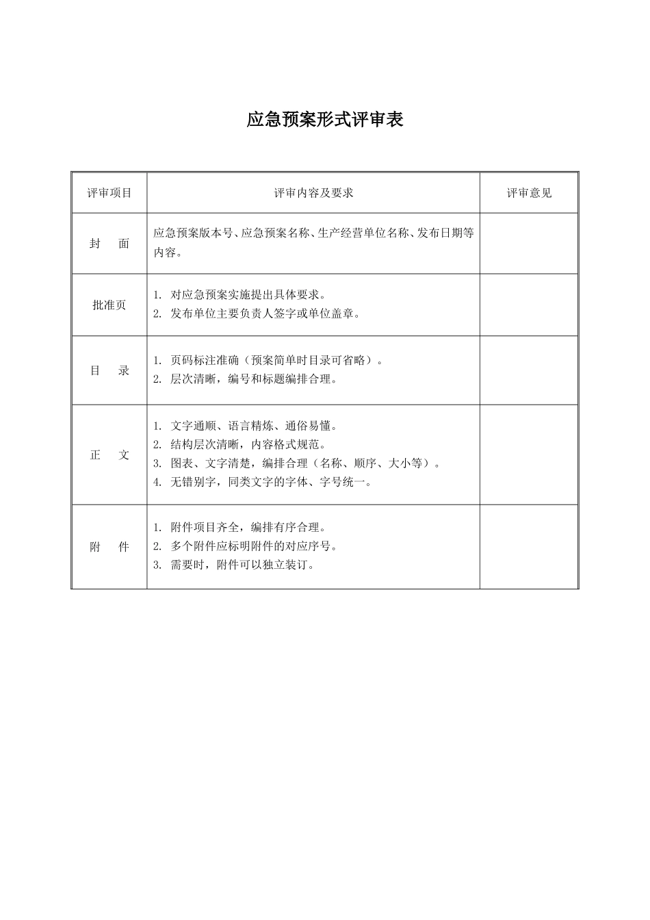
应急救援预案评审记录表评审内容:评审时间:年月日评审专家组序号姓名职务备注123456789101112参加评审人员:总体评审结论及意见:备注:记录人:应急预案形式评审表评审项目评审内容及要求评审意见封面应急预案版本号、应急预案名称、生产经营单位名称、发布日期等内容。批准页1.对应急预案实施提出具体要求。2.发布单位主要负责人签字或单位盖章。目录1.页码标注准确(预案简单时目录可省略)。2.层次清晰,编号和标题编排合理。正文1.文字通顺、语言精炼、通俗易懂。2.结构层次清晰,内容格式规范。3.图表、文字清楚,编排合理(名称、顺序、大小等)。4.无错别字,同类文字的字体、字号统一。附件1.附件项目齐全,编排有序合理。2.多个附件应标明附件的对应序号。3.需要时,附件可以独立装订。编制过程1.成立应急预案编制工作组。2.全面分析本单位危险因素,确定可能发生的事故类型及危害程度。3.针对危险源和事故危害程度,制定相应的防范措施。4.客观评价本单位应急能力,掌握可利用的社会应急资源情况。5.制定相关专项预案和现场处置方案,建立应急预案体系。6.充分征求相关部门和单位意见,并对意见及采纳情况进行记录。7.必要时与相关专业应急救援单位签订应急救援协议。8.应急预案经过评审或论证。9.重新修订后评审的,一并注明。注:评审意见栏填写“符合”与“不符合”。综合应急预案要素评审表(表一)评审项目评审内容及要求评审意见总则编制目的目的明确,简明扼要。编制依据1.引用的法规标准合法有效。2.明确相衔接的上级预案,不得越级引用应急预案。应急预案体系*1.能够清晰表述本单位及所属单位应急预案组成和衔接关系(推荐使用图表)。2.能够覆盖本单位及所属单位可能发生的事故类型。应急工作原则1.符合国家有关规定和要求。2.结合本单位应急工作实际。适用范围范围明确,适用的事故类型和响应级别合理。危险性分析生产经营单位概况1.明确有关设施、装置、设备以及重要目标场所的布局等情况。2.需要各方应急力量(包括外部应急力量)事先熟悉的有关基本情况和内容。危险源辨识与风险分析*1.能够客观分析本单位存在的危险源及危险程度。2.能够客观分析可能引发事故的诱因、影响范围及后果。组织机构及职责*应急组织体系1.能够清晰描述本单位的应急组织体系(推荐使用图表)。2.明确应急组织成员日常及应急状态下的工作职责。指挥机构及职责1.清晰表述本单位应急指挥体系。2.应急指挥部门职责明确。3.各应急救援小组设置合理,应急工作明确。预防与预警危险源管理1.明确技术性预防和管理措施。2.明确相应的应急处置措施。预警行动1.明确预警信息发布的方式、内容和流程。2.预警级别与采取的预警措施科学合理。信息报告与处置*1.明确本单位24小时应急值守电话。2.明确本单位内部信息报告的方式、要求与处置流程。3.明确事故信息上报的部门、通信方式和内容时限。4.明确向事故相关单位通告、报警的方式和内容。5.明确向有关单位发出请求支援的方式和内容。6.明确与外界新闻舆论信息沟通的责任人以及具体方式。综合应急预案要素评审表(表二)评审项目评审内容及要求评审意见应急响应响应分级*1.分级清晰,且与上级应急预案响应分级衔接。2.能够体现事故紧急和危害程度。3.明确紧急情况下应急响应决策的原则。响应程序*1.立足于控制事态发展,减少事故损失。2.明确救援过程中各专项应急功能的实施程序。3.明确扩大应急的基本条件及原则。4.能够辅以图表直观表述应急响应程序。应急结束1.明确应急救援行动结束的条件和相关后续事宜。2.明确发布应急终止命令的组织机构和程序。3.明确事故应急救援结束后负责工作总结部门。后期处置1.明确事故发生后,污染物处理、生产恢复、善后赔偿等内容。2.明确应急处置能力评估及应急预案的修订等要求。保障措施*1.明确相关单位或人员的通信方式,确保应急期间信息通畅。2.明确应急装备、设施和器材及其存放位置清单,以及保证其有效性的措施。3.明确各类应急资源,包括专业应急救援队伍、兼职应急队伍的组织机构以及联系方式。4.明确应急工作经费保障方案。培训与演练*1.明确本单位开展应急管理培训的计划和方式方法...

1、当您付费下载文档后,您只拥有了使用权限,并不意味着购买了版权,文档只能用于自身使用,不得用于其他商业用途(如 [转卖]进行直接盈利或[编辑后售卖]进行间接盈利)。
2、本站所有内容均由合作方或网友上传,本站不对文档的完整性、权威性及其观点立场正确性做任何保证或承诺!文档内容仅供研究参考,付费前请自行鉴别。
3、如文档内容存在违规,或者侵犯商业秘密、侵犯著作权等,请点击“违规举报”。

碎片内容

应急预案评审记录表(全)

您可能关注的文档

金钥匙书屋+ 关注
实名认证
内容提供者

热爱教育事业,爱好互联网行业

确认删除?
VIP
微信客服
  • 扫码咨询
会员Q群
  • 会员专属群点击这里加入QQ群
客服邮箱
回到顶部