电脑桌面
添加小米粒文库到电脑桌面
安装后可以在桌面快捷访问

蓄水池施工组织设计方案VIP免费

蓄水池施工组织设计方案_第1页
1/19
蓄水池施工组织设计方案_第2页
2/19
蓄水池施工组织设计方案_第3页
3/19
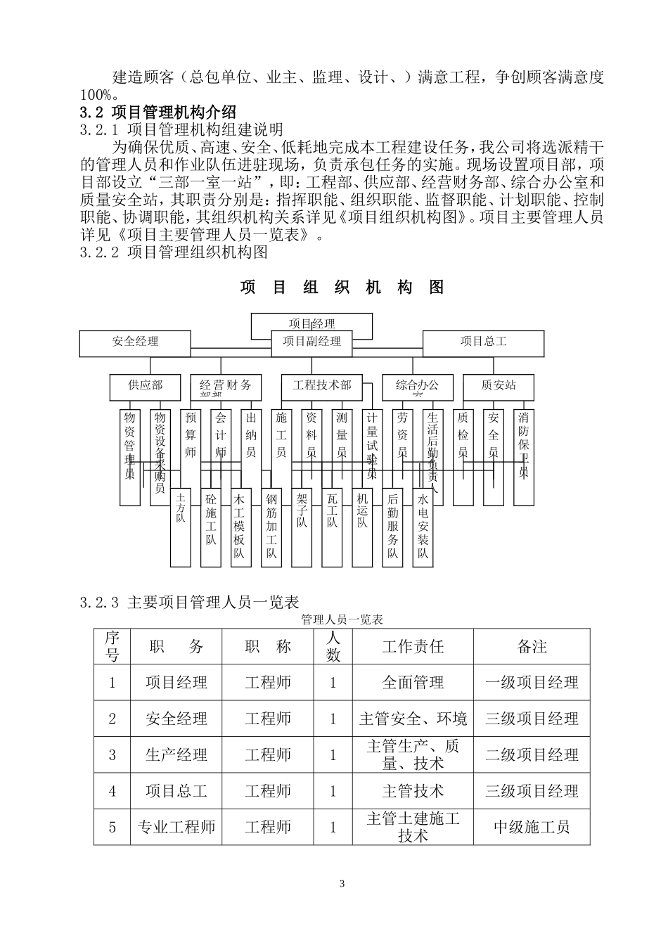
1.编制说明及编制依据1.1编制说明1.1.1目的:认真贯彻执行公司质量方针,精心组织施工,确保工程“高质量、快进度、低成本”地完成,坚持“安全第一,预防为本”的法则,创造更好的经济效益和社会效益。1.1.2内容:本方案主要对该单位工程的施工程序、资源配备、主要分部分项工程的施工方法、进度控制、质量安全措施等方面进行叙述。1.1.3实施:本方案作为本工程施工时的原则性指导文件,具体施工过程中可因条件变化进行适宜性变更。本方案由工程技术部负责实施,并进行书面的、口头的技术交底。1.2编制依据1.2.1施工合同(HYJ2T-002)及组成合同的相关文件。1.2.2《建筑施工手册》缩印本第四版。1.2.3国家现行的有关施工质量验收规范、标准(见下表)。序号编号规范名称1GB50300-2001建筑工程施工质量验收统一标准2GB/T50328-2001建设工程文件归档整理规范3GB/T50326-2001建设工程项目管理规范4GB50026-93工程测量规范5GB50202-2002建筑地基基础工程施工质量验收规范6GB50204-2002混凝土结构工程施工质量验收规范7GB50210-2001建筑装饰装修工程质量验收规范8GB50328-2002地下防水工程质量验收规范9GBJ107-87混凝土强度检验评定标准10JGJ/T10-95混凝土泵送施工技术规范11JGJ59-99建筑施工安全检查标准12JGJ80-91建筑施工高处作业安全技术规范13JGJ130-2001建筑施工扣件式钢管脚手架安全技术规范14JGJ146-2004建筑施工现场环境与卫生标准1.2.4其它其它文件序号类别名称1企业质量、环境、职业健康安全管理手册2企业质量、环境、职业健康安全管理体系程序文件3国家建筑工程强制性标准条文4企业建筑分项施工工艺标准手册2.工程概况2.1现场施工条件与环境12.1.1工程与周围建筑物的关联本工程位于河北省沧州市青县盘古镇孙楼村东,沧州宝运纸业有限公司厂区,现有污水处理设施场地内,本项目未新增用地面积。公司拟将现有污水处理设施经必要的场地平整和处理后用于本项目建设。2.1.2施工临时水电现场施工用水源、电源接入方便。2.2工程概况2.2.1建筑概况前调节池1座,有效容积200m3,后调节池1座,有效容积1700m3,清水调节池1座,有效容积1700m3,事故池1座,有效容积1600m3,生物池2座,有效容积2200m3,风机房1间,20m2,操作用房1间,40m2,污泥暂存池4个,20m3/个,污泥浓度调节池4个,10m3/个,污泥助留助滤池4个,5m3/个。2.2.2结构概况地基承载力180Kp;钢筋砼结构储水池,砼抗渗等级S8,垫层砼C10,其余C25;钢筋保护层池底、池壁及柱为45,池盖为30。2.2.3水系统概况水池阀门开关、均接入中控室控制;水池内设液位计,将水位信号传入中控室,并与潜水泵及进水管的电动阀连锁控制;所有阀门均设置在地面上(或设置具备浮球式控制自动抽水泵操作井);电磁流量计从原蓄水池拆移安装。2.3施工条件现场作业平面比较容易布置。道路、交通条件均具备,存在的问题是协调工作要做好,保证水池的顺利施工的同时不得影响一线二线的其他生产和作业活动。2.4施工中需重点控制的内容2.4.1地基验收地基验收应及时进行。请总包单位组织地勘单位现场代表、业主现场代表及监理单位现场代表跟踪地基持力层到位情况,以便及时组织地基验槽。避免地基暴露时间过长,使其受雨水、大气等因素的扰动,从而出现反复清理基底的情况。2.4.2抗渗砼配比控制本蓄水池砼设计为S8级C25抗渗砼,在施工过程中配备专人管理砼配比计量,严格按施工配比施工,确保蓄水池的抗渗性能。3.施工部署3.1项目管理目标3.1.1工期目标本项目根据招标单位要求按期完成。3.1.2质量目标3.1.2.1工程质量满足设计、规范规定性能、安全和可靠性等方面的要求。3.1.2.2各单位工程质量目标为合格。3.1.3安全文明生产目标严格按JGJ59-99规范要求组织施工;现场施工整洁文明。3.1.4环境保护目标环境保护要求的各项污梁指标控制规定范围内。3.1.5服务目标2建造顾客(总包单位、业主、监理、设计、)满意工程,争创顾客满意度100%。3.2项目管理机构介绍3.2.1项目管理机构组建说明为确保优质、高速、安全、低耗地完成本工程建设任务,我公司将选派精干的管理人员和作业队伍进驻现场,负责承包任务的实施。现场设置项目部,项目部设立“三部一室...

1、当您付费下载文档后,您只拥有了使用权限,并不意味着购买了版权,文档只能用于自身使用,不得用于其他商业用途(如 [转卖]进行直接盈利或[编辑后售卖]进行间接盈利)。
2、本站所有内容均由合作方或网友上传,本站不对文档的完整性、权威性及其观点立场正确性做任何保证或承诺!文档内容仅供研究参考,付费前请自行鉴别。
3、如文档内容存在违规,或者侵犯商业秘密、侵犯著作权等,请点击“违规举报”。

碎片内容

蓄水池施工组织设计方案

您可能关注的文档

确认删除?
VIP
微信客服
  • 扫码咨询
会员Q群
  • 会员专属群点击这里加入QQ群
客服邮箱
回到顶部