电脑桌面
添加小米粒文库到电脑桌面
安装后可以在桌面快捷访问

斜屋面计算方法VIP免费

斜屋面计算方法_第1页
1/10
斜屋面计算方法_第2页
2/10
斜屋面计算方法_第3页
3/10
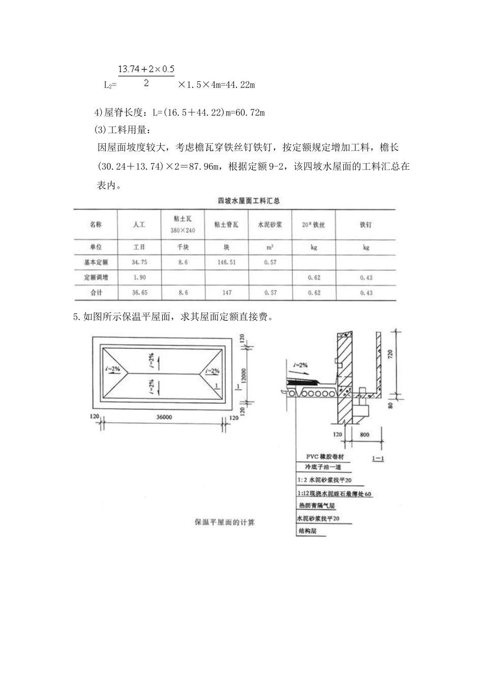
1.某四坡屋面水平图,设计屋面坡度=0.5(即θ=26。34’,坡度比例=1/4)。应用屋面坡度系数计算以下数值:(1)屋面斜面积;(2)四坡屋面斜脊长度;(3)全部屋脊长度;(4)两坡沿山墙泛水长度。【解】(1)查表10-1,C=1.118屋面斜面积=(40.0+10.5×2)(15.0+0.5×2)×1.118m2=41×16×1.118m2=733.41m2(2)查表10-1,D=1.5,四坡屋面斜脊长度=AD=8×1.5m=12m(3)全部屋脊长度=[12×2×2+(41-8×2)m=(48+25)m=73m(4)两坡沿山墙泛水长度=2AC=2×8×1.118m=17.89m(一端)2.如图所示,求带天窗的瓦屋面工程量。【解】工程量=(45+0.4)×(20+0.4)×1.118m2=1035.45m23.某工厂车间,屋面为钢檩上铺石棉瓦,如图所示,计算瓦屋面工程量。【解】根据定额工程量计算规则第一条、第四条规定及表10-1:工程量计算(水平投影):F={[(40+0.18×2)×(12+0.18×2)+20.6×(0.3+0.3)]×1.118+40.36×0.05×2}m2=[(498.85+12.36)×1.118+4.04]m2=575.57m24.有一带屋面小气窗的四坡水平瓦屋面,尺寸及坡度如图所示。计算屋面工程量屋脊长度和工料用量。【解】(1)屋面工程量:按图示尺寸乘屋面坡度延尺系数,屋面小气窗不扣除,与屋面重叠部分面积不增加。查得坡度系数,C=1.1180Fw=(30.24+0.5×2)(13.74+0.5×2)×1.1180m2=514.81m2=5.1481×100m2(2)屋脊长度:1)正屋脊长度:若F=A,则Lj1=(30.24—13.74)m=16.5m2)斜脊长度:查得坡度偶延尺系数D=1.50,斜脊4条,Lj2=×1.50×4m=44.22m3)屋脊总长:Lj=Lj1+Lj2=(16.5+44.22)m=60.72mL2=×1.5×4m=44.22m4)屋脊长度:L=(16.5+44.22)m=60.72m(3)工料用量:因屋面坡度较大,考虑檐瓦穿铁丝钉铁钉,按定额规定增加工料,檐长(30.24+13.74)×2=87.96m,根据定额9-2,该四坡水屋面的工料汇总在表内。5.如图所示保温平屋面,求其屋面定额直接费。【解】工程量=36.24×12.24m2=443.58m2保温层平均厚度=(0.06+×2%/2)m=0.119m≈12cm该屋面为女儿墙外天沟排水,应套定额5-76、5-77,但因保温层配合比为1:12,需换算,防水层为PVC橡胶卷材,不是三毡四油,也需换算。查附表107、108,及5-86,5-91,定额5-76换算为:(4275.10-148.10×5.369+149.52×5.3692-2005.44+3460.39)元/l00m2=5737.67元/100m25-77换=(144.85-148.10×0.8945+149.52×0.8945)元/100m2=146.12元/100m2应套的定额基价为:[5737.67+146.12×(12-6)]元/100m2=6614.39元/l00m2若该屋面保温层做法改为:60mm厚l:12水泥蛭石(平均厚度),上做炉渣混凝土找坡,坡度为2%;其他条件不变,则找坡平均厚度为:(12-0.24×2%)÷2=0.06m=6cm炉渣混凝土找坡套5-69,基价71.52元/l00m2应套定额基价为:5737.67+71.52×6=6166.79元/100m2定额直接费=443.58÷100×6166.79元=27354.65元6.有一两坡水二毡三油卷材屋面,尺寸如图所示。屋面防水层构造层次为:预制钢筋混凝土空心板、1:2水泥砂浆找平层、冷底子油一道、二毡三油一砂防水层。计算:(1)当有女儿墙,屋面坡度为1:4时的工程量;(2)当有女儿墙坡度为3%时的工程量;(3)无女儿墙有挑檐,坡度为3%时的工程量。【解】(1)屋面坡度为1:4时,相应的角度为14002,,查得C=1.0308Fju=[(72.75-0.24)×(12-0.24)×1.0308+0.25×(72.75-0.24+12.0-0.24)×2]m2=(878.98+42.14)m2=921.12m2式中Fju-屋面防水层工程量。(2)有女儿墙,3%的坡度,因坡度很小,按平屋面计算Fju=[(72.75-0.24)×(12-0.24)+(72.75+12-0.48)×2×0.25]m2=(852.72+42.14)m2=894.86m2或[(72.75+0.24)(12+0.24)-(72.75+12)×2×0.24+(72.75+12-0.48)×2×0.25]m2=894.85m2(3)无女儿墙有挑檐平屋面(坡度3%),按图a、c,有Fju=外墙外围水平面积+(L外+4×檐宽)×檐宽,代人数据得:Fju={(72.75+0.24)(12+0.24)+[(72.75+12+0.48)×2+4×0.5]×0.5}m2=979.63m2(4)找平层面积1:2水泥砂浆找平层,按净空面积计算其工程量:1)有女儿墙坡屋面时,找平层面积为:F=(72.75-0.24)(12-0.24)×1.0308m2=878.98m22)有女儿墙平屋面时,找平层面积:F=(72.75-0.24)(12-0.24)m2=852.72m2(5)无女儿墙有挑檐平屋面,包括檐沟的找平层面积为(如图c所示):F=(72....

1、当您付费下载文档后,您只拥有了使用权限,并不意味着购买了版权,文档只能用于自身使用,不得用于其他商业用途(如 [转卖]进行直接盈利或[编辑后售卖]进行间接盈利)。
2、本站所有内容均由合作方或网友上传,本站不对文档的完整性、权威性及其观点立场正确性做任何保证或承诺!文档内容仅供研究参考,付费前请自行鉴别。
3、如文档内容存在违规,或者侵犯商业秘密、侵犯著作权等,请点击“违规举报”。

碎片内容

斜屋面计算方法

您可能关注的文档

学海无涯书城+ 关注
实名认证
内容提供者

热爱教育事业,爱好互联网行业

确认删除?
VIP
微信客服
  • 扫码咨询
会员Q群
  • 会员专属群点击这里加入QQ群
客服邮箱
回到顶部