电脑桌面
添加小米粒文库到电脑桌面
安装后可以在桌面快捷访问

浙建监全套表格VIP免费

浙建监全套表格_第1页
1/152
浙建监全套表格_第2页
2/152
浙建监全套表格_第3页
3/152
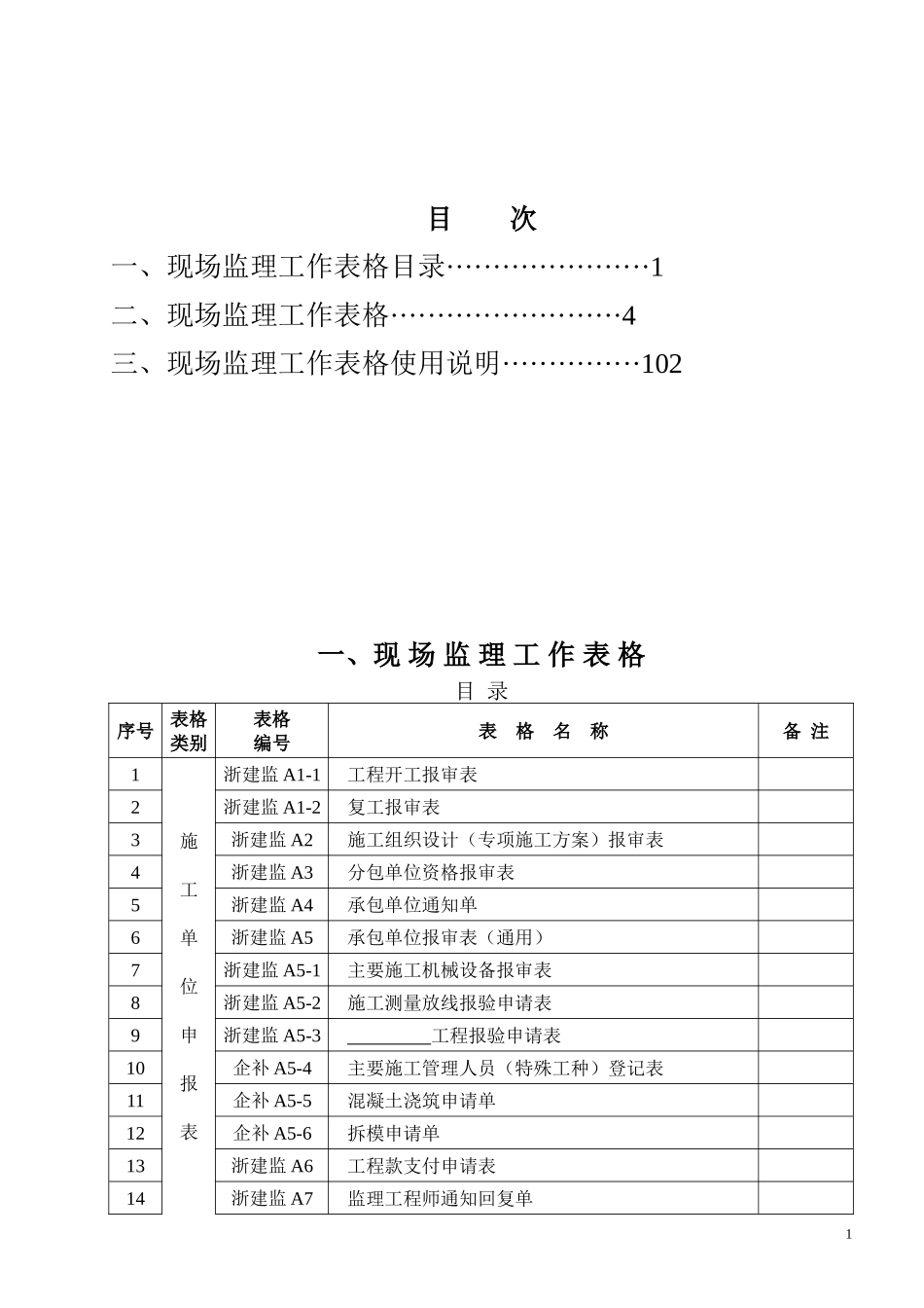
目次一、现场监理工作表格目录······················1二、现场监理工作表格·························4三、现场监理工作表格使用说明···············102一、现场监理工作表格目录序号表格类别表格编号表格名称备注1施工单位申报表浙建监A1-1工程开工报审表2浙建监A1-2复工报审表3浙建监A2施工组织设计(专项施工方案)报审表4浙建监A3分包单位资格报审表5浙建监A4承包单位通知单6浙建监A5承包单位报审表(通用)7浙建监A5-1主要施工机械设备报审表8浙建监A5-2施工测量放线报验申请表9浙建监A5-3工程报验申请表10企补A5-4主要施工管理人员(特殊工种)登记表11企补A5-5混凝土浇筑申请单12企补A5-6拆模申请单13浙建监A6工程款支付申请表14浙建监A7监理工程师通知回复单115浙建监A8工程临时延期申请表16浙建监A9费用索赔申请表17浙建监A10工程材料/构配件/设备报审表18浙建监A11工程竣工报验单19浙建监A12第周拟实施工程项目报告单20企补A12-1施工进度计划报审表21浙建监A13第周完成工程项目报告单22企补A13-1工程施工周报23浙建监A14工程质量/安全问题(事故)报告单24浙建监A15工程质量/安全问题(事故)技术处理方案报审表25浙建监A16价格调整报审表26浙建监A17工程变更、洽商费用报审表序号表格类别表格编号表格名称备注27监理单位用表浙建监B1监理工程师通知单28浙建监B2工程暂停令29浙建监B3工程款支付证书30浙建监B4工程临时延期审批表31浙建监B5工程最终延期审批表32浙建监B6费用索赔审批表33各方通用表浙建监C1监理工作联系单34浙建监C2工程变更单35监理单位内部用表浙建监D1监理日记36浙建监D2旁站监理记录37企补D2-1砼浇捣旁站记录表38企补D2-2预应力混凝土管桩旁站记录39企补D2-3静力压桩旁站记录40企补D2-4钻孔灌注桩旁站记录41企补D2-5振动灌注桩旁站记录42企补D3监理月报(封面)43企补D3-1监理月报主要内容及格式44企补D3-2监理月报(本月实际完成情况与进度计划比较表)45企补D4成立项目监理部通知46企补D4-1总监授权书247企补D4-2总监代表授权书48企补D4-3项目监理部章启用通知49企补D5图纸内部核查意见50企补D6会议签到表51企补D7收发文记录52企补D8-1钢材进场核查表53企补D8-2水泥进场核查表54企补D8-3砖/砌块进场核查表55企补D8-4其他土建材料/构配件进场核查表56企补D8-5安装材料/构配件/设备进场核查表57企补D9-1混凝土试块封样核查表58企补D9-2砌筑砂浆试块封样核查表序号表格类别表格编号表格名称备注59监理单位内部用表企补D9-3钢材连接件试验核查表60企补D10实测项目检查记录61企补D11沉降观测记录统计表62企补D12-1隐蔽工程验收核查汇总表63企补D12-2检验批验收汇核查总表64企补D12-3分项工程验收核查汇总表65企补D12-4(子)分部工程验收核查汇总表66企补D12-5单位工程质量控制资料核查汇总表67企补D13工程试验核查表68企补D14工程变更统计表69企补D15投资审核汇总表70企补D16进度审核汇总表71企补D17工程质量评估报告(封面)72企补D18建设监理工作总结(封面)73企补D19监理业务手册74企补D20监理资料交付单75企补D21工程建设监理档案(封面)76企补D21-1监理档案移交目录77企补D21-2监理档案审核备考表78企补D22顾客财产登记表379企补D23不规范服务登记表80企补D23-1投诉记录81企补D23-2不规范服务行为评审与处置单82企补D23-3投诉回复函83企补D24文件传阅单注:1、本《现场监理工作表格》合订本(2006年3月版),是公司依据国家标准《建设工程监理规范》(GB50319-2000)、浙江省建设工程(施工阶段)监理工作基本表式,综合在监理实践中积累的经验修订而成。自2006年4月1日起在公司各新开工监理项目中统一使用。各项目监理部在使用中,发现问题或有合理化建议,请书面向公司总师办提出,以便修改本标准。2、本套《现场监理工作表格》及与其配套使用的《现场监理工作表格使用说明》为公司企业标准的组成部分,仅供内部使用,望领用人妥善保管,请勿外传。二、现场监理工作表格4浙建监A1-1工程开工报审表工程名称:文化中心工程编号:A1-1致:浙江求是工程咨询监理有限公司我方承担...

1、当您付费下载文档后,您只拥有了使用权限,并不意味着购买了版权,文档只能用于自身使用,不得用于其他商业用途(如 [转卖]进行直接盈利或[编辑后售卖]进行间接盈利)。
2、本站所有内容均由合作方或网友上传,本站不对文档的完整性、权威性及其观点立场正确性做任何保证或承诺!文档内容仅供研究参考,付费前请自行鉴别。
3、如文档内容存在违规,或者侵犯商业秘密、侵犯著作权等,请点击“违规举报”。

碎片内容

浙建监全套表格

学海无涯书城+ 关注
实名认证
内容提供者

热爱教育事业,爱好互联网行业

确认删除?
VIP
微信客服
  • 扫码咨询
会员Q群
  • 会员专属群点击这里加入QQ群
客服邮箱
回到顶部