电脑桌面
添加小米粒文库到电脑桌面
安装后可以在桌面快捷访问

食品生产经营日常监督检查要点表VIP免费

食品生产经营日常监督检查要点表_第1页
1/5
食品生产经营日常监督检查要点表_第2页
2/5
食品生产经营日常监督检查要点表_第3页
3/5
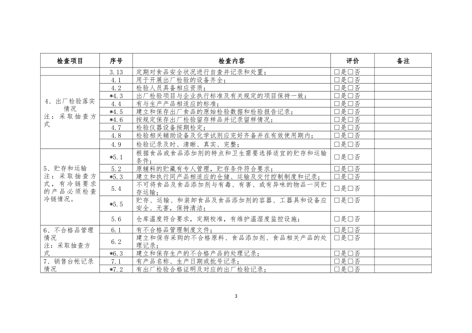
附件1食品生产者日常监督检查要点表检查项目:重点项34项,一般项41项,共75项。检查项目序号检查内容评价备注1、生产环境条件情况1.1生产场所干净、整洁;□是□否1.2原料处理和食品加工、包装、贮存等场所环境整洁,并与有毒、有害场所及其他污染源保持规定的距离;□是□否1.3墙壁、天花板、地板等硬件设施完整,无破损。厂区、生产车间无积水、无扬尘、无异味;□是□否*1.4在清洁作业区入口处应有专用的更衣、洗手、干手、消毒设施;□是□否*1.5通风、防尘、照明、废水处理、存放垃圾和废弃物等设备正常运行;□是□否*1.6洗涤剂、消毒剂应与原料、半成品、成品、包装材料等分隔放置,并有相应的领用和使用记录;□是□否1.7定期检查捕鼠器、粘鼠板、灭蝇灯、室外诱饵投放点等防虫害装置的使用情况并有记录;□是□否1.8生产场所无虫害迹象;□是□否2、进货查验情况注:①检查盛放主要原辅料的仓库;②原辅料品种随机抽查,不2.1有进货查验制度文件;□是□否*2.2查验原料供货者的许可证、产品合格证明;□是□否*2.3查验食品添加剂供货者的许可证、产品合格证明;□是□否*2.4查验食品相关产品供货者的许可证、产品合格证明;□是□否*2.5对供货者无法提供有效合格证明文件的食品原料,有检验记录;□是□否1检查项目序号检查内容评价备注足2种的全部检查)*2.6肉类原料有相应批次的检疫证明;□是□否*2.7采购进口需法定检验的食品原料、食品添加剂、食品相关产品,索取有效的检验检疫证明;□是□否*2.8生产加工场所无非食品原料或者食品添加剂以外的化学物质;□是□否*2.9生产加工场所无超过保质期的食品原料、食品添加剂;□是□否2.10新食品原料经过国务院卫生行政部门准予许可;□是□否2.11进货查验记录及证明材料真实、完整;□是□否2.12进货查验记录和凭证保存期限不少于产品保质期期满后六个月;没有明确保质期的,保存期限不少于二年;□是□否3、生产过程控制情况注:在成品库至少抽取2批次产品,按生产日期或批号追溯生产过程记录及控制种的全部检查,有专供特定人群的产品至少抽1种查。*3.1不使用变质或超过保质期的原辅料。使用的原料、食品添加剂、食品相关产品的品种与索证索票、进货查验记录内容一致;□是□否3.2建立和保存原料、食品添加剂、食品相关产品的贮存、保管记录;□是□否3.3建立和保存原料、食品添加剂、食品相关产品的领用出库记录;□是□否*3.4建立和保存生产投料记录,包括投料种类、品名、生产日期或批号、使用数量等;□是□否*3.5生产记录中的生产工艺和参数与企业提供的工艺规程一致;□是□否*3.6建立和保存生产加工过程关键控制点的控制情况,包括必要的半成品检验记录、温度控制、车间洁净度控制等(无微生物控制要求的食品添加剂生产企业不检查“车间洁净度控制”);□是□否*3.7生产现场不存在人流、物流交叉污染;□是□否*3.8不存在原料、半成品、成品交叉污染;□是□否3.9有生产环境检测要求的,定期进行检测并记录;□是□否3.10生产设备、设施定期维护保养并做好记录;□是□否*3.11无违法使用回收食品和过期食品、食品添加剂等;□是□否3.12有食品安全自查制度文件;□是□否2检查项目序号检查内容评价备注3.13定期对食品安全状况进行自查并记录和处置;□是□否4、出厂检验落实情况注:采取抽查方式4.1用于开展出厂检验的设备齐全;□是□否4.2检验人员具备相应资质;□是□否*4.3出厂检验项目与企业执行标准及有关规定的项目保持一致;□是□否4.4有与生产产品相适应的标准;□是□否*4.5建立和保存出厂食品的原始检验数据和检验报告记录;□是□否*4.6按规定保存出厂检验留存样品并记录留样情况;□是□否4.7检验仪器设备按期检定;□是□否4.8检验相关辅助设备及化学试剂应完好齐备并在有效使用期内;□是□否4.9检验记录及时、清晰、真实、完整;□是□否5、贮存和运输注:采取抽查方式,有冷链要求的产品必须检查冷链情况。*5.1根据食品或食品添加剂的特点和卫生需要选择适宜的贮存和运输条件;□是□否5.2原辅料的贮藏有专人管理,贮存条件符合要求;□是□否*5.3建立和执行同产品相适应的仓储、运输及交付...

1、当您付费下载文档后,您只拥有了使用权限,并不意味着购买了版权,文档只能用于自身使用,不得用于其他商业用途(如 [转卖]进行直接盈利或[编辑后售卖]进行间接盈利)。
2、本站所有内容均由合作方或网友上传,本站不对文档的完整性、权威性及其观点立场正确性做任何保证或承诺!文档内容仅供研究参考,付费前请自行鉴别。
3、如文档内容存在违规,或者侵犯商业秘密、侵犯著作权等,请点击“违规举报”。

碎片内容

食品生产经营日常监督检查要点表

确认删除?
VIP
微信客服
  • 扫码咨询
会员Q群
  • 会员专属群点击这里加入QQ群
客服邮箱
回到顶部