电脑桌面
添加小米粒文库到电脑桌面
安装后可以在桌面快捷访问

《高层民用建筑设计防火规范》2005版的部分数据2VIP免费

《高层民用建筑设计防火规范》2005版的部分数据2_第1页
1/15
《高层民用建筑设计防火规范》2005版的部分数据2_第2页
2/15
《高层民用建筑设计防火规范》2005版的部分数据2_第3页
3/15
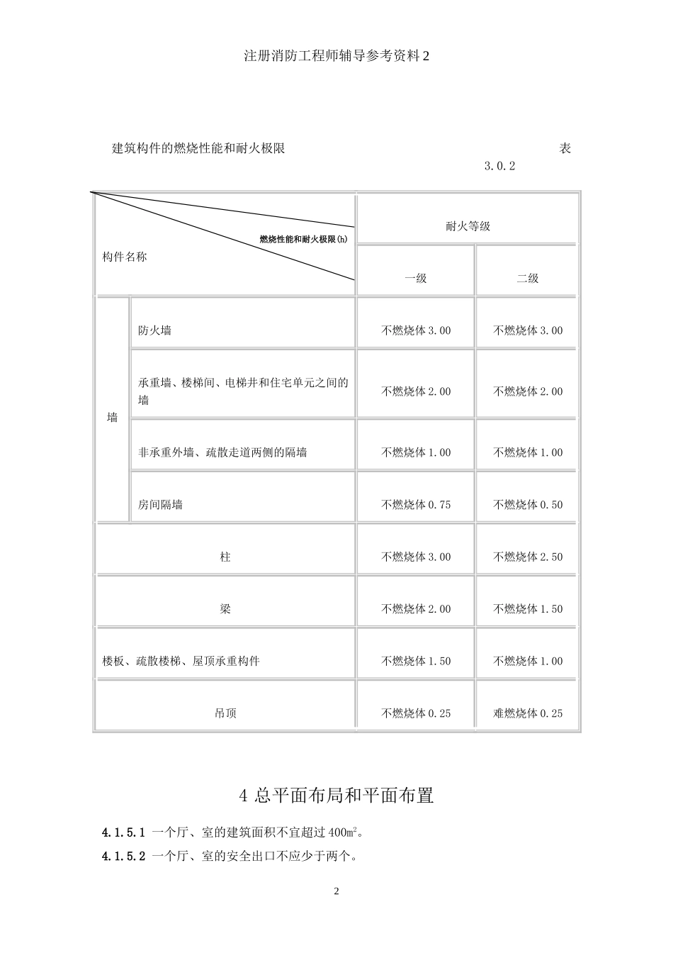
注册消防工程师辅导参考资料2《高层民用建筑设计防火规范》2005版内容适用于10层以上居住建筑和超过24m公共建筑。本资料摘录《高层民用建筑设计防火规范》的部分数据,图表。一建筑防火3建筑分类和耐火等级3.0.1高层建筑应根据其使用性质、火灾危险性、疏散和补救难度等进行分类。并宜符合表3.0.1的规定。建筑分类表3.0.1名称一类二类居住建筑十九层及十九层以上的普通住宅十层至十八层的住宅公共建筑1.医院2.高级旅馆3.建筑高度超过50m或24m以上部分的任一楼层的建筑面积超过1000m2的商业楼、展览楼、综合楼、电信楼、财贸金融楼4.建筑高度超过50m或24m以上部分的任一楼层的建筑面积超过1500m2的商住楼5.中央级和省级(含计划单列市)广播电视楼6.网局级和省级(含计划单列市)电力调度楼7.省级(含计划单列市)邮政楼、防灾指挥调度楼8.藏书超过100万册的图书馆、书库9.重要的办公楼、科研楼、档案楼10.建筑高度超过50m的教学楼和普通的旅馆、办公楼、科研楼、档案楼等1.除一类建筑以外商业楼、展览楼、综合楼、电信楼、财贸金融楼、商住楼、图书馆、书库2.省级以下的邮政楼、防灾指挥调度楼、广播电视楼、电力调度楼3.建筑高度不超过50m的教学楼和普通的旅馆、办公楼、科研楼、档案楼等1注册消防工程师辅导参考资料2建筑构件的燃烧性能和耐火极限表3.0.2燃烧性能和耐火极限(h)构件名称耐火等级一级二级墙防火墙不燃烧体3.00不燃烧体3.00承重墙、楼梯间、电梯井和住宅单元之间的墙不燃烧体2.00不燃烧体2.00非承重外墙、疏散走道两侧的隔墙不燃烧体1.00不燃烧体1.00房间隔墙不燃烧体0.75不燃烧体0.50柱不燃烧体3.00不燃烧体2.50梁不燃烧体2.00不燃烧体1.50楼板、疏散楼梯、屋顶承重构件不燃烧体1.50不燃烧体1.00吊顶不燃烧体0.25难燃烧体0.254总平面布局和平面布置4.1.5.1一个厅、室的建筑面积不宜超过400m2。4.1.5.2一个厅、室的安全出口不应少于两个。2注册消防工程师辅导参考资料24.1.5.3必须设置火灾自动报警系统和自动喷水灭火系统。4.1.5.4幕布和窗帘应采用经阻燃处理的织物。4.1.5A高层建筑内的歌舞厅、卡拉OK厅(含具有卡拉OK功能的餐厅)、夜总会、录像厅、放映厅、桑拿浴室(除洗浴部分外)、游艺厅(含电子游艺厅)、网吧等歌舞娱乐放映游艺场所(以下简称歌舞娱乐放映游艺场所),应设在首层或二、三层;宜靠外墙设置,不应布置在袋形走道的两侧和尽端,其最大容纳人数按录像厅、放映厅为1.0人/m2,其它场所为0.5人/m2计算,面积按厅室建筑面积计算;并应采用耐火极限不低于2.00h的隔墙和1.00h的楼板与其他场所隔开,当墙上必须开门时应设置不低于乙级的防火门。当必须设置在其它楼层时,尚应符合下列规定:4.1.5.A.1不应设置在地下二层及二层以下,设置在地下一层时,地下一层地面与室外出入口地坪的高差不应大于10m;4.1.5.A.2一个厅、室的建筑面积不应超过200m2;4.1.5.A.3一个厅、室的出口不应少于两个,当一个厅、室的建筑面积小于50m2,可设置一个出口;4.1.5.A.4应设置火灾自动报警系统和自动喷水灭火系统。4.1.5.A.5应设置防烟、排烟设施,并应符合本规范有关规定。4.1.5.A.6疏散走道和其他主要疏散路线的地面或靠近地面的墙上应设置发光疏散指示标志。4.1.5B地下商店应符合下列规定:4.1.5B.1营业厅不宜设在地下三层及三层以下;4.1.5B.2不应经营和储存火灾危险性为甲、乙类储存物品属性的商品;4.1.5B.3应设火灾自动报警系统和自动喷水灭火系统;4.1.5B.4当商店总建筑面积大于20000m2时,应采用防火墙进行分隔,且防火墙上不得开设门窗洞口;4.1.5B.5应设防烟、排烟设施,并应符合本规范有关规定;4.1.5B.6疏散走道和其他主要疏散路线的地面或靠近地面的墙面上应设置发光疏散指示标志。4.1.6托儿所、幼儿园、游乐厅等儿童活动场所不应设置在高层建筑内,当必须设在高层建筑内时,应设置在建筑物的首层或二、三层,并应设置单独出入口。3注册消防工程师辅导参考资料24.2防火间距4.2.1高层建筑之间及高层建筑与其它民用建筑之间的防火间距,不应小于4.2.1的规定。高层建筑之间及高层建筑与其它民用建筑之间的防火间距(m)表4.2.1注:防火间距应按相邻建筑外墙的最近...

1、当您付费下载文档后,您只拥有了使用权限,并不意味着购买了版权,文档只能用于自身使用,不得用于其他商业用途(如 [转卖]进行直接盈利或[编辑后售卖]进行间接盈利)。
2、本站所有内容均由合作方或网友上传,本站不对文档的完整性、权威性及其观点立场正确性做任何保证或承诺!文档内容仅供研究参考,付费前请自行鉴别。
3、如文档内容存在违规,或者侵犯商业秘密、侵犯著作权等,请点击“违规举报”。

碎片内容

《高层民用建筑设计防火规范》2005版的部分数据2

您可能关注的文档

慧源书苑+ 关注
实名认证
内容提供者

热爱教育事业,爱好互联网行业

相关文档

确认删除?
VIP
微信客服
  • 扫码咨询
会员Q群
  • 会员专属群点击这里加入QQ群
客服邮箱
回到顶部