电脑桌面
添加小米粒文库到电脑桌面
安装后可以在桌面快捷访问

高中化学 专题七 物质的制备与合成单元综合测试 苏教版选修6-苏教版高二选修6化学试题VIP免费

高中化学 专题七 物质的制备与合成单元综合测试 苏教版选修6-苏教版高二选修6化学试题_第1页
1/9
高中化学 专题七 物质的制备与合成单元综合测试 苏教版选修6-苏教版高二选修6化学试题_第2页
2/9
高中化学 专题七 物质的制备与合成单元综合测试 苏教版选修6-苏教版高二选修6化学试题_第3页
3/9
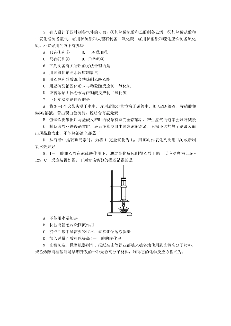
专题七物质的制备与合成(时间:45分钟,满分:100分)第Ⅰ卷(选择题,共48分)一、选择题(本题包括12小题,每小题4分,共48分。每小题有1个选项符合题意)1.关于制取硝酸铜的以下三种方案(原理)的叙述中,正确的是①2Cu+O22CuO,CuO+2HNO3===Cu(NO3)2+H2O;②3Cu+8HNO3(稀)3Cu(NO3)2+2NO↑+4H2O;③Cu+4HNO3(浓)===Cu(NO3)2+2NO2↑+2H2O。A.三方案中所涉及的反应都属于氧化还原反应B.三方案中硝酸的利用率②>①>③C.制取相同量的硝酸铜②产生的有害气体比③多D.三种方案中①方案最优2.在实验室进行物质制备,下列从原料及有关试剂分别制取相应的最终产物的设计中,理论上正确、操作上可行、经济上合理的是A.CCOCO2Na2CO3B.CuCu(NO3)2溶液Cu(OH)2C.FeFe2O3Fe2(SO4)3溶液D.CaOCa(OH)2溶液NaOH溶液3.下列实验装置图正确的是4.下列实验操作不正确的是A.制摩尔盐时用酒精洗涤产品,而制阿司匹林时用水洗涤产品B.配制浓硫酸和浓硝酸的混合酸时,将浓硫酸沿器壁慢慢加入浓硝酸中,并不断搅拌C.在从海带中提取碘的实验中既可以用四氯化碳作萃取剂也可以用酒精作萃取剂D.如果皮肤上不慎沾上苯酚,应立即用酒精清洗,不可用NaOH溶液冲洗5.有人设计了四种制备气体的方案:①加热稀硫酸和乙醇制备乙烯;②加热稀盐酸和二氧化锰制备氯气;③用稀硫酸和大理石制备二氧化碳;④用稀硝酸和硫化亚铁制备硫化氢。不宜采用的方案有哪些A.只有①和②B.只有②和③C.只有③和④D.①②③④6.下列制备有关物质的方法合理的是A.用过氧化钠与水反应制氧气B.用乙醇和醋酸混合共热制乙酸乙酯C.用亚硫酸钠固体粉末与稀硫酸反应制二氧化硫D.亚硫酸钠固体粉末与浓硝酸反应制二氧化硫7.下列实验结论错误的是A.将3~4个火柴头浸于水中,片刻后取少量溶液于试管中,加AgNO3溶液、稀硝酸和NaNO2溶液,若出现白色沉淀,说明含有氯元素B.镀锌铁皮破损后与盐酸反应时的现象有锌完全溶解后,产生氢气的速率会显著减慢C.制备硫酸亚铁铵晶体时,最后在蒸发皿中蒸发浓缩溶液,只需小火加热至溶液表面出现晶膜为止,不能将溶液全部蒸干D.从海带中提取碘元素时,为将I-完全氧化为I2,用HNO3作氧化剂比用H2O2或新制氯水效果好8.1-丁醇和乙酸在浓硫酸作用下,通过酯化反应制得乙酸丁酯,反应温度为115~125℃,反应装置如图。下列对该实验的描述错误的是A.不能用水浴加热B.长玻璃管起冷凝回流作用C.提纯乙酸丁酯需要经过水、氢氧化钠溶液洗涤D.加入过量乙酸可以提高1-丁醇的转化率9.光盘制造、微型机器制作、报纸杂志等行业都越来越多地使用到光敏高分子材料。聚乙烯醇肉桂酸酯是早期开发的一种光敏高分子材料,制得它的化学反应方程式为:该反应的类型为A.取代反应B.加成反应C.消去反应D.氧化反应10.下列实验操作或结论表述正确的是A.纸层析实验中若选择水作固相,有机溶剂作流动相,则亲水性强的成分在流动相中分配的少一些,在毛细现象作用下,随流动相移动的速度快一些B.判断CuO和MnO2对H2O2分解的催化效率,可通过观察、比较H2O2溶液析出气泡的快慢程度或测定单位时间内H2O2分解产生氧气的体积来确定C.食醋总酸含量的测定实验中,锥形瓶水洗后未用待测液润洗,实验结束时碱式滴定管尖嘴部位有气泡,则测定的醋酸含量偏高D.将硫酸亚铁和硫酸铵的混合溶液加热浓缩,冷却结晶后可析出盐的粗产品,再用酒精洗去晶体表面的水分,加热烘干后称重,计算产率11.某种具有较好耐热性、耐水性和高频电绝缘性的高分子化合物的结构片断为:。则生成该树脂的单体的种数和化学反应所属类型正确的是A.1种,加聚反应B.2种,缩聚反应C.3种,加聚反应D.3种,缩聚反应12.甲基丙烯酸甲酯是世界上年产量超过100万吨的高分子单体,旧法合成的反应是:(CH3)2C===O+HCN―→(CH3)2C(OH)CN;(CH3)2C(OH)CN+CH3OH+H2SO4―→CH2===C(CH3)COOCH3+NH4HSO4,20世纪90年代新法合成的反应是:(CH3)2C(OH)CN+CO+CH3OHCH2===C(CH3)COOCH3旧法与新法比较,新法的优点是A.原料都是无毒物质B.原料无爆炸危险C.原料都是气体D.没有副产物,原料利用率高第Ⅱ卷(非选择题,共52分)二、非选择...

1、当您付费下载文档后,您只拥有了使用权限,并不意味着购买了版权,文档只能用于自身使用,不得用于其他商业用途(如 [转卖]进行直接盈利或[编辑后售卖]进行间接盈利)。
2、本站所有内容均由合作方或网友上传,本站不对文档的完整性、权威性及其观点立场正确性做任何保证或承诺!文档内容仅供研究参考,付费前请自行鉴别。
3、如文档内容存在违规,或者侵犯商业秘密、侵犯著作权等,请点击“违规举报”。

碎片内容

高中化学 专题七 物质的制备与合成单元综合测试 苏教版选修6-苏教版高二选修6化学试题

确认删除?
VIP
微信客服
  • 扫码咨询
会员Q群
  • 会员专属群点击这里加入QQ群
客服邮箱
回到顶部