电脑桌面
添加小米粒文库到电脑桌面
安装后可以在桌面快捷访问

上海市高三化学二轮复习化学专题:中和滴定VIP免费

上海市高三化学二轮复习化学专题:中和滴定_第1页
1/14
上海市高三化学二轮复习化学专题:中和滴定_第2页
2/14
上海市高三化学二轮复习化学专题:中和滴定_第3页
3/14
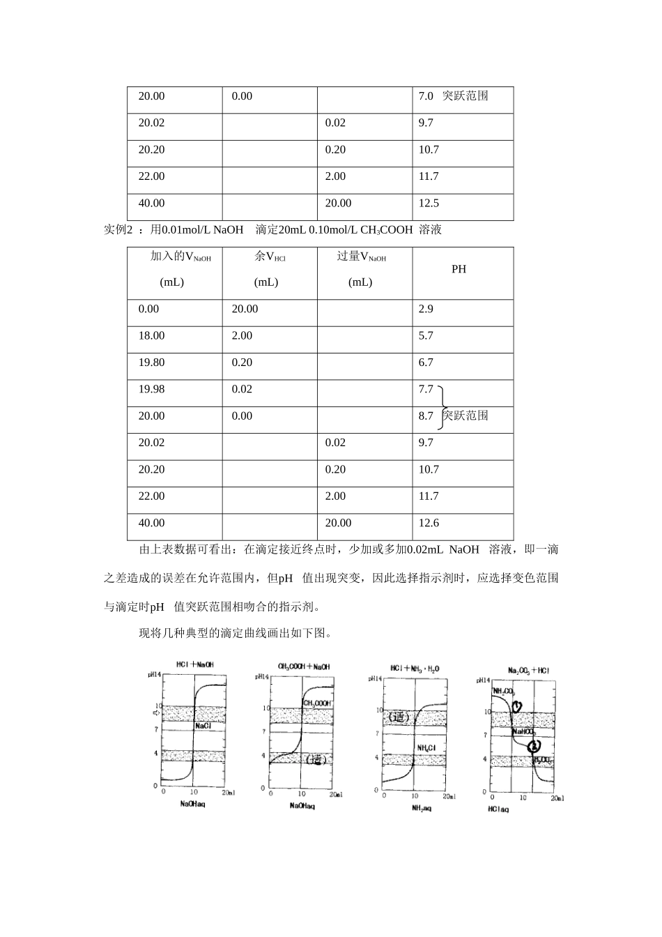
上海市高三二轮复习化学专题——中和滴定考纲要求1、理解中和滴定的基本原理2、掌握滴定的正确步骤,了解所用仪器的结构(两种滴定管)。3、理解指示剂的选用原则和终点颜色变化判定。4、学会误差分析及成因复习过程一、中和反应及中和滴定原理1、中和反应:酸+碱正盐+水如:①Hcl+NaOH===NaCl+H2O②H2SO4+2NaOH====Na2SO4+2H2O③N3PO4+3NaOH====Na3PO4+3H2O注意:①酸和碱恰好完全中和,溶液不一定呈中性,由生成的盐性质而定。②由于所用指示剂变色范围的限制,滴定至终点不一定是恰好完全反应时,但应尽量减少误差。2、中和滴定原理由于酸、碱发生中和反应时,反应物间按一定的物质的量之比进行,基于此,可用滴定的方法确定未知酸或碱的浓度。对于反应:HA+BOH====BA+H2O1mol1molC(HA).V(HA)C(BOH).V(BOH)即可得C(HA).V(HA)===C(BOH).V(BOH)若取一定量的HA溶液(V足),用标准液BOH[已知准确浓度C(标)]来滴定,至终点时消耗标准液的体积可读出(V读)代入上式即可计算得C(HA)若酸滴定碱,与此同理若酸为多元酸,HnA+nBOH===BnA+nH2O1molnmolC(HA).V(HA)C(BOH).V(BOH)则有关系:3、滴定方法的关键(1)准确测定两种反应物的溶液体积(2)确保标准液、待测液浓度的准确(3)滴定终点的准确判定(包括指示剂的合理选用)4、滴定实验所用的仪器和操作要点(1)仪器:酸式滴定管、碱式滴定管、滴定管夹(带铁架台)、锥形瓶(或烧杯+玻棒)、量筒(或移液管)。(2)操作:①滴定前的准备:查漏、洗涤、润洗、充液(赶气泡)调液面、读数。②滴定:移液、滴加指示剂、滴定至终点、读数。③计算。(3)滴定管“0”刻度在上。二、滴定曲线和指示剂的选择随着标准液的滴入,溶液的PH在发生变化,这种变化有何特征?为何能用指示剂判定终点是否到达?如何选用合适的指示剂?1、滴定曲线请看两个实例实例1:用0.10mol/LNaOH溶液滴定0.10mol/LHCl溶液20.00mL加入的VNaOH(mL)余VHCl(mL)过量VNaOH(mL)PH0.0020.001.018.002.002.319.800.203.319.980.024.320.000.007.0突跃范围20.020.029.720.200.2010.722.002.0011.740.0020.0012.5实例2:用0.01mol/LNaOH滴定20mL0.10mol/LCH3COOH溶液加入的VNaOH(mL)余VHCl(mL)过量VNaOH(mL)PH0.0020.002.918.002.005.719.800.206.719.980.027.720.000.008.7突跃范围20.020.029.720.200.2010.722.002.0011.740.0020.0012.6由上表数据可看出:在滴定接近终点时,少加或多加0.02mLNaOH溶液,即一滴之差造成的误差在允许范围内,但pH值出现突变,因此选择指示剂时,应选择变色范围与滴定时pH值突跃范围相吻合的指示剂。现将几种典型的滴定曲线画出如下图。2、酸碱指示剂(1)酸碱指示剂的变色范围(PH值)甲基3.1<3.1~4.4>4.4红橙黄酚酞5<8~10>10无色浅红红石蕊8<5~8>8红紫蓝(2)根据滴定曲线和指示剂的发色范围选用指示剂。从上面滴定曲线图可依次看出①0.1mol/LNaOH滴定盐酸,酚酞和甲基均可使用,当然两者测定结果不同。②0.1mol/LNaOH溶液滴定0.1mol/LCH3COOH溶液恰好中和生成CH3COOCa,溶液呈弱碱性,选酚酞为指示剂,PH=8~10浅红色,误差小。③用HCl滴定NH3.H2O恰好中和生成NH4Cl,溶液呈弱酸性,选甲基橙为指示剂,3.1~4.4橙色,误差小。④用HCl滴定0.1mol/LNa2CO3溶液第一步生成NaHCO3时,可选用酚酞为指示剂,由红色→浅红→无色。化学方程式为:Na2CO3+HCl===NaHCO3+NaOH第二步生成碳酸(CO2↑+H2O),可选用甲基橙为指示剂,由黄色→橙色,化学方程式为:NaHCO3+HCl===NaCl+H2O+CO2↑小结:(1)指示剂的选择:(由滴定曲线可知)①强酸强碱相互滴定,可选用甲基橙或酚酞。②若反应生成强酸弱碱盐溶液呈酸性,则选用酸性变色范围的指示剂(甲基橙);若反应生成强碱弱酸盐,溶液呈碱性,则选用碱性变色范围的指示剂(酚酞)③石蕊试液因颜色变化不明显,且变色范围过宽,一般不作滴定指示剂。0刻度由小到大上下误读及结果:若起始平视,终仰视,则V读偏大C测偏大若起始平视,终俯视,则V读偏小C测偏小若先仰后俯,则V读偏小,C测偏小若先俯后仰,则V读偏小,C测偏大(2)终点判断:(滴入最后一滴,溶液变色后,半分钟内不复原)指示剂操作酚酞甲基...

1、当您付费下载文档后,您只拥有了使用权限,并不意味着购买了版权,文档只能用于自身使用,不得用于其他商业用途(如 [转卖]进行直接盈利或[编辑后售卖]进行间接盈利)。
2、本站所有内容均由合作方或网友上传,本站不对文档的完整性、权威性及其观点立场正确性做任何保证或承诺!文档内容仅供研究参考,付费前请自行鉴别。
3、如文档内容存在违规,或者侵犯商业秘密、侵犯著作权等,请点击“违规举报”。

碎片内容

上海市高三化学二轮复习化学专题:中和滴定

确认删除?
VIP
微信客服
  • 扫码咨询
会员Q群
  • 会员专属群点击这里加入QQ群
客服邮箱
回到顶部