电脑桌面
添加小米粒文库到电脑桌面
安装后可以在桌面快捷访问

道路运输车辆人工检验记录簿单填写方法VIP免费

道路运输车辆人工检验记录簿单填写方法_第1页
1/13
道路运输车辆人工检验记录簿单填写方法_第2页
2/13
道路运输车辆人工检验记录簿单填写方法_第3页
3/13
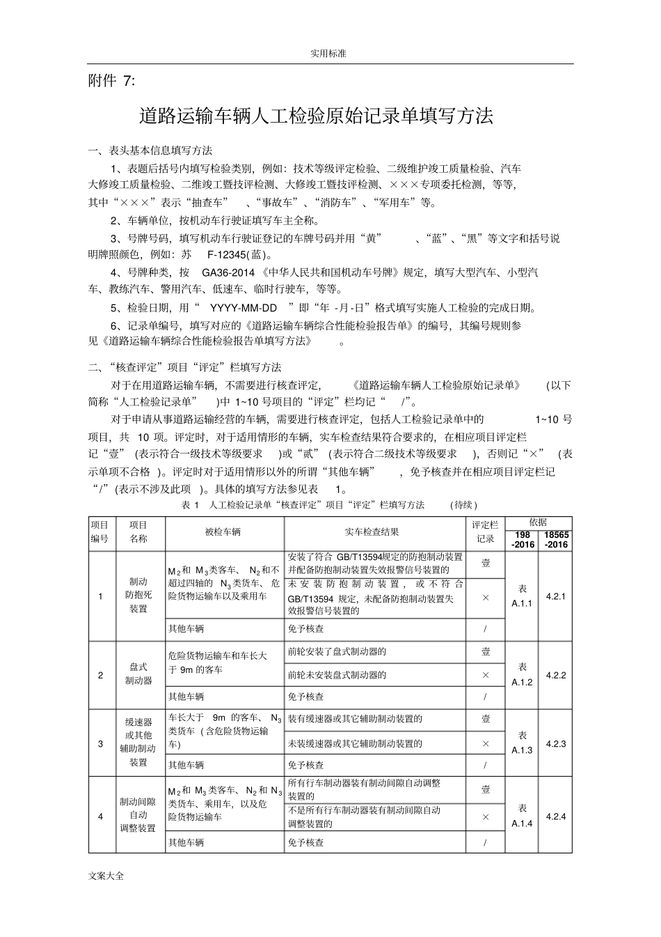
实用标准文案大全附件7:道路运输车辆人工检验原始记录单填写方法一、表头基本信息填写方法1、表题后括号内填写检验类别,例如:技术等级评定检验、二级维护竣工质量检验、汽车大修竣工质量检验、二维竣工暨技评检测、大修竣工暨技评检测、×××专项委托检测,等等,其中“×××”表示“抽查车”、“事故车”、“消防车”、“军用车”等。2、车辆单位,按机动车行驶证填写车主全称。3、号牌号码,填写机动车行驶证登记的车牌号码并用“黄”、“蓝”、“黑”等文字和括号说明牌照颜色,例如:苏F-12345(蓝)。4、号牌种类,按GA36-2014《中华人民共和国机动车号牌》规定,填写大型汽车、小型汽车、教练汽车、警用汽车、低速车、临时行驶车,等等。5、检验日期,用“YYYY-MM-DD”即“年-月-日”格式填写实施人工检验的完成日期。6、记录单编号,填写对应的《道路运输车辆综合性能检验报告单》的编号,其编号规则参见《道路运输车辆综合性能检验报告单填写方法》。二、“核查评定”项目“评定”栏填写方法对于在用道路运输车辆,不需要进行核查评定,《道路运输车辆人工检验原始记录单》(以下简称“人工检验记录单”)中1~10号项目的“评定”栏均记“/”。对于申请从事道路运输经营的车辆,需要进行核查评定,包括人工检验记录单中的1~10号项目,共10项。评定时,对于适用情形的车辆,实车检查结果符合要求的,在相应项目评定栏记“壹”(表示符合一级技术等级要求)或“贰”(表示符合二级技术等级要求),否则记“×”(表示单项不合格)。评定时对于适用情形以外的所谓“其他车辆”,免予核查并在相应项目评定栏记“/”(表示不涉及此项)。具体的填写方法参见表1。表1人工检验记录单“核查评定”项目“评定”栏填写方法(待续)项目编号项目名称被检车辆实车检查结果评定栏记录依据198-201618565-20161制动防抱死装置M2和M3类客车、N2和不超过四轴的N3类货车、危险货物运输车以及乘用车安装了符合GB/T13594规定的防抱制动装置并配备防抱制动装置失效报警信号装置的壹表A.1.14.2.1未安装防抱制动装置,或不符合GB/T13594规定,未配备防抱制动装置失效报警信号装置的×其他车辆免予核查/2盘式制动器危险货物运输车和车长大于9m的客车前轮安装了盘式制动器的壹表A.1.24.2.2前轮未安装盘式制动器的×其他车辆免予核查/3缓速器或其他辅助制动装置车长大于9m的客车、N3类货车(含危险货物运输车)装有缓速器或其它辅助制动装置的壹表A.1.34.2.3未装缓速器或其它辅助制动装置的×其他车辆免予核查/4制动间隙自动调整装置M2和M3类客车、N2和N3类货车、乘用车,以及危险货物运输车所有行车制动器装有制动间隙自动调整装置的壹表A.1.44.2.4不是所有行车制动器装有制动间隙自动调整装置的×其他车辆免予核查/实用标准文案大全表1人工检验记录单“核查评定”项目“评定”栏填写方法(续完)项目编号项目名称被检车辆实车检查结果评定栏记录依据198185655压缩空气干燥或油水分离装置采用气压制动的车辆装有气压显示装置、限压装置并可实现报警功能,同时气压制动系安装了保持压缩空气干燥或油水分离装置的壹表A.1.54.2.5不符合上述要求的×其他车辆免予核查/6子午线轮胎危险货物运输车、卧铺客车、车长大于9m的其他客车卧铺客车装用无内胎子午线轮胎的,危险货物运输车和车长大于9m的其他客车装用子午线轮胎的壹表A.1.64.2.6危险货物运输车不符合上述要求的贰卧铺客车、车长大于9m的其他客车不符合上述要求的×其他车辆免予核查/7安全带客车、货车及乘用车所有座椅均装备了符合GB14166要求的安全带,其固定点符合GB14167要求的壹表A.1.74.2.7不符合上述要求的×其他车辆免予核查/8限速功能、限速装置客车和危险货物运输车具有限速功能或配备了符合GB/T24545要求限速装置的(限速功能、限速装置调定的最大速度应符合有关规定)壹表A.1.84.2.8危险货物运输车不符合上述要求的贰客车不符合上述要求的×三轴及三轴以上的货车具有超速报警功能(具有限速功能和限速装置且符合规定的除外),能通过视觉或声觉信号报警的(超速报警调定的最大速度应符合有关规定)壹不符合上述要求的贰其他车辆免予核查/9卫星定位系统车载终...

1、当您付费下载文档后,您只拥有了使用权限,并不意味着购买了版权,文档只能用于自身使用,不得用于其他商业用途(如 [转卖]进行直接盈利或[编辑后售卖]进行间接盈利)。
2、本站所有内容均由合作方或网友上传,本站不对文档的完整性、权威性及其观点立场正确性做任何保证或承诺!文档内容仅供研究参考,付费前请自行鉴别。
3、如文档内容存在违规,或者侵犯商业秘密、侵犯著作权等,请点击“违规举报”。

碎片内容

道路运输车辆人工检验记录簿单填写方法

确认删除?
VIP
微信客服
  • 扫码咨询
会员Q群
  • 会员专属群点击这里加入QQ群
客服邮箱
回到顶部