电脑桌面
添加小米粒文库到电脑桌面
安装后可以在桌面快捷访问

钢结构安装质量控制要点讲解VIP免费

钢结构安装质量控制要点讲解_第1页
1/14
钢结构安装质量控制要点讲解_第2页
2/14
钢结构安装质量控制要点讲解_第3页
3/14
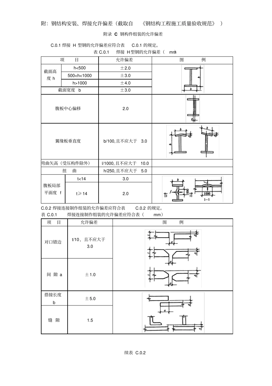
钢结构安装质量控制要点普通钢结构厂房的安装工艺为:基础交接→立钢柱→安装系杆→安装钢梁→安装吊车梁→柱间支撑→檩条安装→维护彩板安装→屋面板安装基础交接时要严格检查地脚螺栓及预埋件的位置、标高,严禁有较大误差。钢结构元件进场时,要按照图纸检查其尺寸、螺孔位置等。立钢柱时要严格控制钢柱的标高、、轴线位置及垂直度,安装时严禁气割扩孔。待钢柱校正垂直度完毕后,及时紧固螺栓,紧固次序从中间开始,对称向两边进行,紧固程度检查方法:用小锤敲击螺栓,有嗡嗡声为未紧固好,发出沉闷声为已紧固好。钢柱安装完后,要及时安装系杆。钢梁吊装:吊装时,根据现场实际情况,确定吊装方法,吊装过程中,要有严格的安全保证措施。安装时要严格控制梁的轴线位置和垂直度,严禁超差。安装吊车梁时要注意其标高、相邻两段吊车梁的高差,吊车梁接头部位严禁错位。高强度螺栓的紧固、检查同立钢柱。安装柱间支撑、檩条、拉条、隅撑时,要注意保护主体,防止磕掉油漆。安装时注意檩条的方向、拉条的间距;隅撑、拉条严禁焊接。安装完后要检查是否有掉漆部位,发现掉漆要及时补漆。屋面板安装工艺:檩拖安装—檩条安装—拉条—撑杆—隅撑—压型钢板内板—玻璃丝绵—压型钢板外板—收边—收尾。安装屋面板时要防止钢板对折,压型钢板铺设的重点是边、角的处理。边、角处理前,应认真、仔细地制作边、角样板,然后再下料切角。压型钢板如有弯曲、微损应用木锤、扳手修复,严重破损、镀锌层严重脱落则应废弃。板钉必须用防水钉头。檐口(岩棉/矿渣棉)必须用彩板收边或角铝和密封材料封边,防止芯材外露因雨季导致潮气侵入和渗水等,严重影响板材质量和使用寿命。屋面板的搭接必须符合设计、规范要求,避免渗漏现象发生。附:钢结构安装、焊接允许偏差(截取自《钢结构工程施工质量验收规范》)附录C钢构件组装的允许偏差C.0.1焊接H型钢的允许偏差应符合表C.0.1的规定。表C.0.1焊接H型钢的允许偏差(mm)项目允许偏差图例截面高度hh<500±2.05001000±4.0截面宽度b±3.0腹板中心偏移2.0翼缘板垂直度b/100,且不应大于3.0弯曲矢高(受压构件除外)l/1000,且不应大于10.0扭曲h/250,且不应大于5.0腹板局部平面度ft<143.0t≥142.0C.0.2焊接连接制作组装的允许偏差应符合表C.0.2的规定。表C.0.1焊接连接制作组装的允许偏差应符合表(mm)项目允许偏差图例对口错边t/10,且不应大于3.0间隙a±1.0搭接长度b±5.0缝隙1.5续表C.0.2项目允许偏差图例高度h±2.0垂直度b/100,且不应大于3.0中心偏移e±2.0型钢错位连接处1.0其他处2.0箱形截面高度h±2.0宽度b±2.0垂直度b/200,且不应大于3.0续表C.0.3单层钢柱外形尺寸的允许偏差应符合表C.0.3的规定。续表C.0.3单层钢柱外形尺寸的允许偏差(mm)项目允许偏差检验方法图例柱底面到柱端与桁架连接的最上一个安装孔距离l±l/1500±15.0用钢尺检查柱底面到牛腿支承面距离±l1/2000±8.0牛腿面的翘曲2.0用拉线、直角尺和钢尺检查柱身弯曲矢高H/1200,且不应大于12.0柱身扭曲牛腿处3.0用拉线、吊线和钢尺和检查其他处8.0柱截面几何尺寸连接处±3.0用钢尺检查非连接处±4.0翼缘对腹板的垂直度连接处1.5用直角尺和钢尺检查其他处b/100,且不应大于5.0柱脚度板平面度5.0用1m直尺和塞尺检查柱脚螺栓孔中心对柱轴线的距离3.0用钢尺检查C.0.4多节钢柱外形尺寸的允许偏差应符合表C.0.4的规定。表C.0.4多节钢柱外形尺寸的允许偏差项目允许偏差检验方法图例一节柱高度H±3.0用钢尺检查两端最外侧安装孔距离±2.0铣平面到第一个安装孔距离a±1.0柱身弯曲矢高f用拉线和钢尺检查一节柱的柱身扭曲用拉线、吊线和钢尺检查牛腿端孔到柱轴线距离±3.0用钢尺检查牛腿的翘曲或扭曲≤10002.0用拉线、直角尺和钢尺检查>10003.0柱截面尺寸连接处±3.0用钢尺检查非连接处±4.0柱脚底板平面度5.0用直尺和塞尺检查翼缘板对腹板的垂直度连接处1.5有直角尺和钢尺检查其他处b/100,且不应大于5.0柱脚螺孔对柱轴线的距离a3.0用钢尺检查箱型截面连接处对角线差3.0箱型柱身板垂直度h(b)/150,且不应大于5.0用直角尺和钢尺检查※表C.0.5焊接实腹钢梁处形尺寸的允许偏差...

1、当您付费下载文档后,您只拥有了使用权限,并不意味着购买了版权,文档只能用于自身使用,不得用于其他商业用途(如 [转卖]进行直接盈利或[编辑后售卖]进行间接盈利)。
2、本站所有内容均由合作方或网友上传,本站不对文档的完整性、权威性及其观点立场正确性做任何保证或承诺!文档内容仅供研究参考,付费前请自行鉴别。
3、如文档内容存在违规,或者侵犯商业秘密、侵犯著作权等,请点击“违规举报”。

碎片内容

钢结构安装质量控制要点讲解

您可能关注的文档

确认删除?
VIP
微信客服
  • 扫码咨询
会员Q群
  • 会员专属群点击这里加入QQ群
客服邮箱
回到顶部