电脑桌面
添加小米粒文库到电脑桌面
安装后可以在桌面快捷访问

钢结构工程施工方案及质量保证措施VIP免费

钢结构工程施工方案及质量保证措施_第1页
1/9
钢结构工程施工方案及质量保证措施_第2页
2/9
钢结构工程施工方案及质量保证措施_第3页
3/9
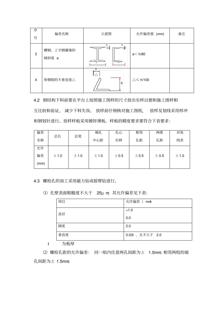
附件13钢结构工程施工方案及质量保证措施钢结构工程包括聚合装置区外的管网管架、挤压造粒楼内及其附近的钢结构部分。施工采取在厂家预制成型,并进行预组装,现场进行高强螺栓紧固组装的施工方案。1施工原则1.1在施工期间,避免现场存留过多的材料及现场安装场地站用时间,所有到货的成型组件,要及时进行预组装、进行安装就位。遇到安装尺寸不符的组件,要及时与厂家联系、解决。1.2钢结构的安装要兼顾基础条件与工艺管道安装的需要。1.3管架在施工时均采用单根立柱预制、安装,再连接横梁的方法进行。其它钢梯、平台单独制作,待主体安装牢固后,现场用汽车吊吊装就位。2施工工序施工前准备→基础验收→构件预制、验收→安装→验收3施工工艺3.1施工前准备:⑴在装置区附近设置一钢结构预制场地,所铺设的预制平台尺寸不小于6.4×24(m)。⑵钢结构的材料应符合设计文件要求并具有质量合格证明书,经检验合格的材料按要求入库,按照材质和规格堆放整齐。不同规格和材质的材料应做明显的标识,以免用错。不合格材料应隔离,并做明显标识,严禁用于正式工程。⑶图纸会审:审核各专业图纸确定个工序的交叉,检查各专业间的衔接,检查混凝土结构的地脚螺栓埋件是否齐全。3.2基础验收⑴钢结构安装前要对基础进行验收,检查基础的平面位置、标高、予埋螺栓等项目的施工偏差是否符合相应的规范和标准。验收可分批或一次进行,由业主组织土建、安装单位及质量监督部门进行检查验收。验收时基础表面应有明显的中心线和标高标记,土建单位提交相应施工技术文件。⑵验收时各部位误差应符合表3.13-1要求:表3.13-1钢结构基础验收质量要求表检查部位允许偏差(mm)基础支承面中心30相邻两柱子基础中心间距±3.0一次浇筑的基础支承面标高0~-20二次找平的水泥砂浆或细石混凝土支承面标高±2.0水平度L/200且不大于4.0支承面埋件标高±2.0水平度L/200且不大于3.0地脚螺栓螺栓中心距(在根部和顶部两处测量)±2.0螺栓中心对基础轴线距离±2.0注:L—支承面长度4钢结构预制4.1钢结构下料前要对几何尺寸不符合要求的钢材进行矫正,矫正的主要方法有机械法和火焰局部加热法,合格标准按下表3.13-2执行。矫正后按照防腐要求除锈、涂刷底漆,并做好材质、规格标识。表3.13-2板材、型材检查允许偏差序号偏差名称示意图允许偏差值(mm)备注1钢板局部挠曲矢高f(平整度)在1米范围内δ>14f≤1δ≤14f≤1.5用1米钢板尺检查2槽钢、工字钢的挠曲矢高ff=L/1000且≤51000f直尺δf序号偏差名称示意图允许偏差值(mm)备注3槽钢、工字钢翼缘的倾斜度ee<h/804角钢肢的不垂直度△△≤h/1004.2钢结构下料前要在平台上按照施工图样的尺寸放出实样以便和施工图样相互比较和验证,减少下料失误。放样前仔细核对施工图纸,放样及划线采用样冲和钢划针进行。放样样板采用镀锌薄板。样板的精度要求要符合下表要求:偏差名称总长总宽端孔中心距孔心位移相邻孔距两排孔距对角线差允许偏差(mm)±1.0±1.0±1.0±0.5±0.5±0.5±1.04.3螺栓孔的加工采用磁力钻或摇臂钻进行。⑴孔壁表面粗糙度不大于25μm,其允许偏差见下表:项目允许偏差(mm)直径+1.00.0圆度2.0垂直度0.03t,且不大于2.0t为板厚⑵螺栓孔距的允许偏差:同一组内任意两孔间距为±1.0mm;相邻两组的端孔间距为±1.5mm。beebΔ△h5钢结构组装⑴按照前述施工方案对各钢结构在施工现场进行成片预制组装,并控制其几何尺寸。⑵钢结构组对时的外形尺寸允许偏差应符合下表3.13-3的规定:表3.13-3钢结构组对尺寸允许偏差检查项目允许偏差(mm)框架总宽度±5梁与梁之间平行度L/1000且≤5立柱间距离±3立柱总间距±5立柱间平行度L/1000且≤5框架对角线差≤10立柱总长度±3横梁位置±5设备承重梁位置±3立柱弯曲度立柱长度1/1000且≤10⑶对于成片整体吊装就位的组装部件根据吊装的要求进行必要的加固,以防吊装过程中发生变形。6钢结构安装⑴钢结构安装前,柱脚板应作中心标记,柱中心也应有相应中心标记,安装就位时应使中心相吻合。⑵安装的钢结构立柱逐根用经纬仪找正,然后安装连接梁。⑶钢结构附件安装时,特别注意设备支座的安装,其间距、垂直度、水平度都必须符合设计...

1、当您付费下载文档后,您只拥有了使用权限,并不意味着购买了版权,文档只能用于自身使用,不得用于其他商业用途(如 [转卖]进行直接盈利或[编辑后售卖]进行间接盈利)。
2、本站所有内容均由合作方或网友上传,本站不对文档的完整性、权威性及其观点立场正确性做任何保证或承诺!文档内容仅供研究参考,付费前请自行鉴别。
3、如文档内容存在违规,或者侵犯商业秘密、侵犯著作权等,请点击“违规举报”。

碎片内容

钢结构工程施工方案及质量保证措施

您可能关注的文档

确认删除?
VIP
微信客服
  • 扫码咨询
会员Q群
  • 会员专属群点击这里加入QQ群
客服邮箱
回到顶部