电脑桌面
添加小米粒文库到电脑桌面
安装后可以在桌面快捷访问

高压电工作业安全技能技术总结实际操作考试标准VIP免费

高压电工作业安全技能技术总结实际操作考试标准_第1页
1/13
高压电工作业安全技能技术总结实际操作考试标准_第2页
2/13
高压电工作业安全技能技术总结实际操作考试标准_第3页
3/13
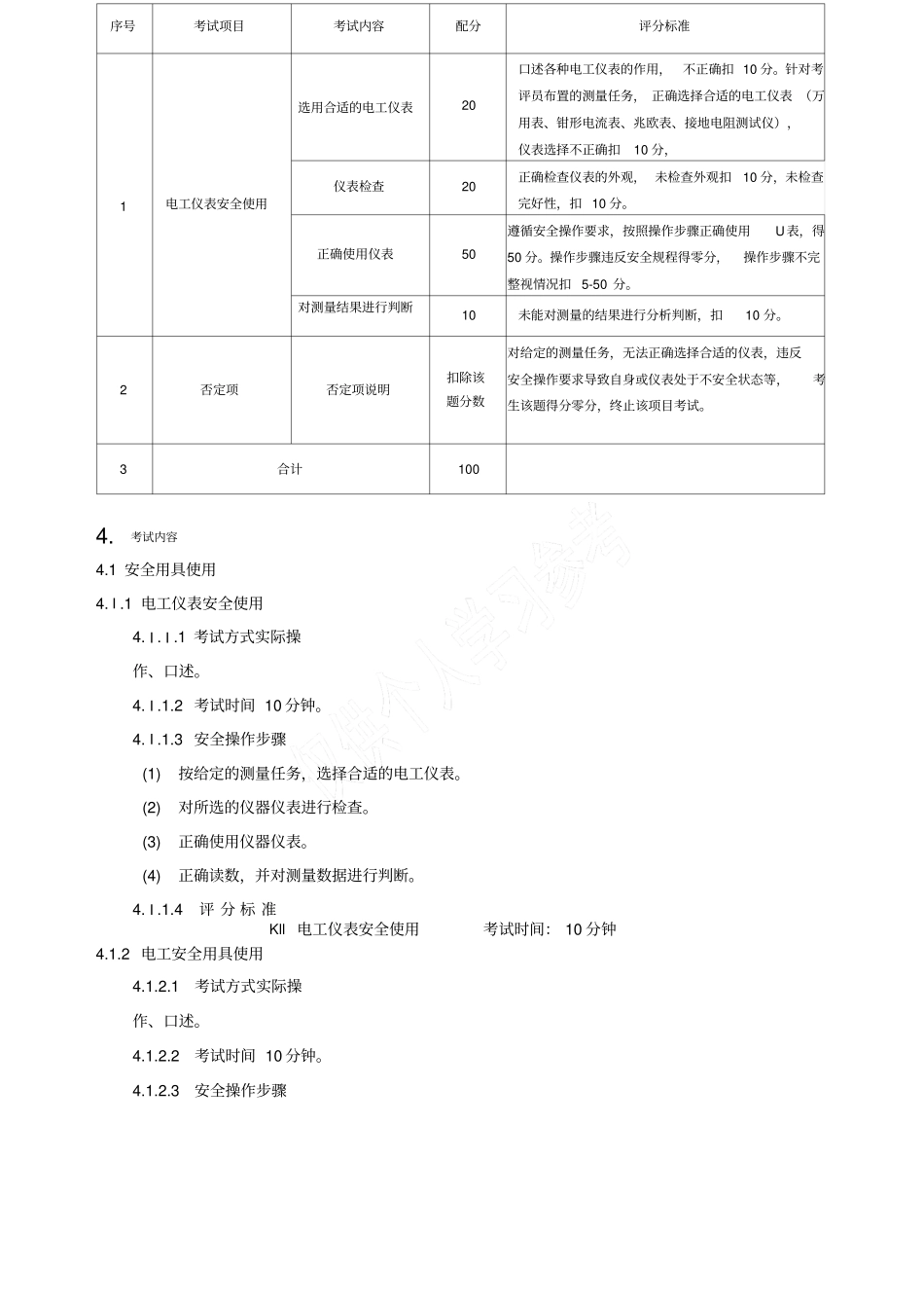
高压电工作业安全技术实际操作考试标准1.制定依据《高压电工作业培训大纲及考核标准》。2.考试方式实际操作、仿真模拟操作、口述。3.考试要求3.1实操科目及内容3.I.1科目1:安全用具使用(简称Kl)3.I.I.1电工仪器仪表安全使用(简称K11)3.1.1.2电工安全用具使用(简称K12)3.I.1.3电工安全标示的辨识(简称K13)3.1.2科目2:安全操作技术(简称K2)3.1.2.IIOKV高压开关柜的停(送)电操作(简称K21)3.1.2.2IOKV高压成套配电装置的运行维护(简称K22)3.1.2.3IOKV柱上变压器的停(送)电操作(简称K23)3.1.2.4IOKV高压开关柜故障判断及倒闸操作(简称K24)3.1.2.5IOKV线路挂设保护接地线(简称K25)3.1.3科目3:作业现场安全隐患排除(简称K3)3.1.3.1根据设置作业现场、图片或视频判断作业现场存在的安全风险、职业危害(简称K31)3.1.3.2结合实际工作任务,排除作业现场存在的安全风险、职业危害(简称K32)3.1.4科目4:作业现场应急处置(简称K4)3.1.4.1触电事故现场的应急处理(简称K41)3.1.4.2单人徒手心肺复苏操作(简称K42)3.1.4.3灭火器的选择和使用(简称K43)3.2组卷方式实操试卷从上述四类考题中,各抽取一道实操题组成。具体题目由考试系统或考生抽取产生。3.3考试成绩实操考试成绩总分值为100分,80分(含)以上为考试合格;若考题中设置有否决项,否决项未通过,则实操考试不合格。科目1、科目2、科目3、科目4的分值权重分别为20%、40%、20%、20%。3.4考试时间60分钟。序号考试项目考试内容配分评分标准选用合适的电工仪表20口述各种电工仪表的作用,不正确扣10分。针对考评员布置的测量任务,正确选择合适的电工仪表(万用表、钳形电流表、兆欧表、接地电阻测试仪),仪表选择不正确扣10分,1电工仪表安全使用仪表检查20正确检查仪表的外观,未检查外观扣10分,未检查完好性,扣10分。正确使用仪表50遵循安全操作要求,按照操作步骤正确使用U表,得50分。操作步骤违反安全规程得零分,操作步骤不完整视情况扣5-50分。对测量结果进行判断10未能对测量的结果进行分析判断,扣10分。2否定项否定项说明扣除该题分数对给定的测量任务,无法正确选择合适的仪表,违反安全操作要求导致自身或仪表处于不安全状态等,考生该题得分零分,终止该项目考试。3合计1004.考试内容4.1安全用具使用4.I.1电工仪表安全使用4.I.I.1考试方式实际操作、口述。4.I.1.2考试时间10分钟。4.I.1.3安全操作步骤(1)按给定的测量任务,选择合适的电工仪表。(2)对所选的仪器仪表进行检查。(3)正确使用仪器仪表。(4)正确读数,并对测量数据进行判断。4.I.1.4评分标准Kll电工仪表安全使用考试时间:10分钟4.1.2电工安全用具使用4.1.2.1考试方式实际操作、口述。4.1.2.2考试时间10分钟。4.1.2.3安全操作步骤序号考试项目考试内容配分评分标准安全用具的用途及结构301高压电工安全用具使用口述高压电工安全用具(高压验电器、绝缘手套、绝缘靴、绝缘拉杆、防护眼镜、绝缘夹钳、绝缘垫、携带型接地线、脚扣、安全带、安全帽、放电棒、登高板等用品中抽考三种)的作用及使用场合,叙述有误扣3-15分。口述各种高压电工安全用具的结构组成,叙述有误扣3-15分。安全用具的检查15正确检查外观,未检查外观扣5分。未检查合格证有效期,扣5分。未检查可使用性,扣5分。正确使用安全用具402安全用具的保养15未正确叙述所选安全用具的保养要点,扣3-15分。。合计100(1)熟知各种高压电工安全用具的用途及结构。(2)能对各种高压电工安全用具进行检查。(3)正确使用各种高压电工安全用具。(4)熟悉各种高压电工安全用具保养要求。4.1.2.4评分标准K12电工安全用具使用考试时间:10分钟遵循安全操作规程,按照操作步骤正确使用安全用具。操作步骤违反安全规程得零分,步骤不完整,操作步骤不完整视情况扣5-40分。4.1.3电工安全标示的辨识4.1.3.1考试方式口述。4.1.3.2考试时间10分钟。4.1.3.3安全操作步骤(1)熟悉高压电工作业常用的安全标示。(2)能对指定的安全标示进行用途解释。(3)能对指定的作业场景正确布置相关的安全标示。4.1.3.4评分标准常用安全标示用途解释I能对指定的安全标示(5个)用途进行说明,20!I并解释其用途,错一个扣...

1、当您付费下载文档后,您只拥有了使用权限,并不意味着购买了版权,文档只能用于自身使用,不得用于其他商业用途(如 [转卖]进行直接盈利或[编辑后售卖]进行间接盈利)。
2、本站所有内容均由合作方或网友上传,本站不对文档的完整性、权威性及其观点立场正确性做任何保证或承诺!文档内容仅供研究参考,付费前请自行鉴别。
3、如文档内容存在违规,或者侵犯商业秘密、侵犯著作权等,请点击“违规举报”。

碎片内容

高压电工作业安全技能技术总结实际操作考试标准

您可能关注的文档

确认删除?
VIP
微信客服
  • 扫码咨询
会员Q群
  • 会员专属群点击这里加入QQ群
客服邮箱
回到顶部