电脑桌面
添加小米粒文库到电脑桌面
安装后可以在桌面快捷访问

高考化学大一轮复习讲义 第二章 第3讲 离子共存、离子的检验和推断VIP免费

高考化学大一轮复习讲义 第二章 第3讲 离子共存、离子的检验和推断_第1页
1/16
高考化学大一轮复习讲义 第二章 第3讲 离子共存、离子的检验和推断_第2页
2/16
高考化学大一轮复习讲义 第二章 第3讲 离子共存、离子的检验和推断_第3页
3/16
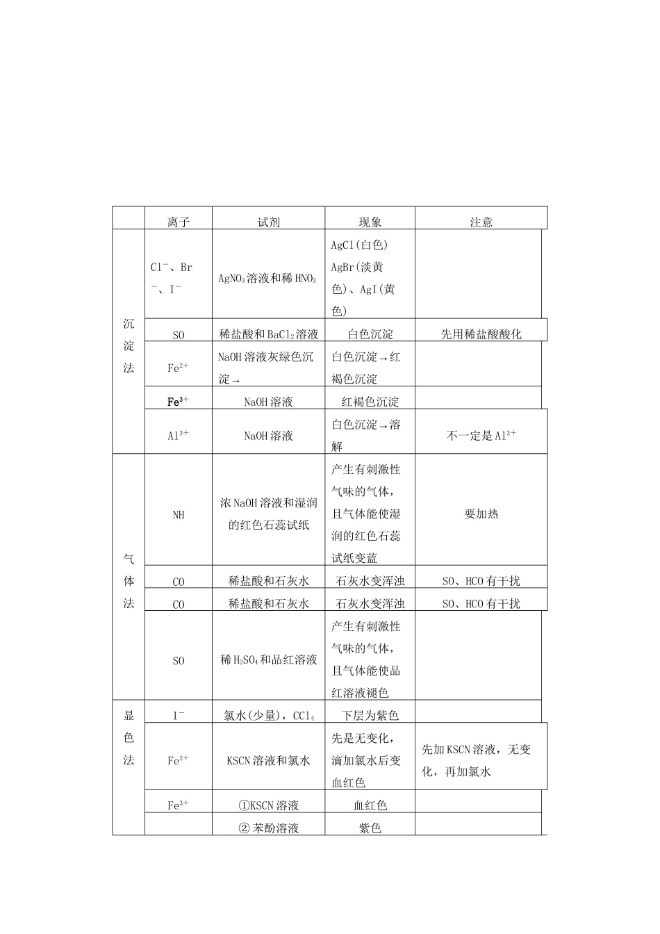
第3讲离子共存、离子的检验和推断[考纲解读]1.应用离子反应发生的条件,正确判断常见离子在溶液中能否大量共存。2.利用离子的特征反应,能鉴别常见离子以及进行综合推断。溶液中离子能否共存的判断方法1.离子共存问题是离子反应条件和本质的最直接应用。所谓几种离子在同一溶液中能大量共存,就是指离子之间不发生任何反应;若离子之间能发生反应,则不能大量共存。2.熟记常考离子的性质颜色MnO(紫)、Cu2+(蓝)、Fe2+(浅绿)、Fe3+(黄)氧化性ClO-、MnO、NO(H+)、Fe3+、Cr2O还原性S2-(HS-)、SO(HSO)、I-、Br-、Cl-、Fe2+水解显酸性NH、Mg2+、Al3+、Cu2+、Fe2+、Fe3+水解显碱性AlO、S2-、SO、CO、SiO、ClO-、CH3COO-两性离子HCO、HS-、HSO、HPO、H2PO【例1】近年高考中10种常考易错离子组合的剖析高考中常见离子组合能否共存反应类型备注(1)Na+、Ca2+、NH+4、AlO-2(2)Na+、H+、S2O2-3、Cl-(3)H+、Br-、I-、NO(4)H+、Na+、Cl-、NO(5)S2-、Na+、ClO-、Cl-(6)K+、Na+、OH-、HSO(7)Na+、Fe2+、S2-、Cl-(8)Na+、Fe3+、S2-、Cl-(9)Na+、Al3+、S2-、Cl-(10)MnO、H+、Cl-、S2-【例2】(·四川理综,8)在下列给定条件的溶液中,一定能大量共存的离子组是()A.无色溶液:Ca2+、H+、Cl-、HSOB.能使pH试纸呈红色的溶液:Na+、NH、I-、NOC.FeCl2溶液:K+、Na+、SO、AlOD.=0.1mol·L-1的溶液:Na+、K+、SiO、NO【例3】常温下,下列各组离子在指定溶液中能大量共存的是()A.无色透明的溶液中:Ba2+、H+、MnO、Br-B.加入铝粉产生H2的溶液中:Cu2+、Na+、SO、ClO-C.滴入KSCN溶液显血红色的溶液中:K+、Mg2+、SO、Cl-D.滴加甲基橙试剂显红色的溶液中:Na+、Fe2+、Cl-、NO“”反思归纳警惕题干中的常见陷阱条件类型高考中的常见表述误点点悟常见的限制条件“”无色有色离子不能大量存在“pH=1”“或pH=13”溶液显酸性或碱性“因发生氧化还原反应而”不能大量共存只能是氧化性离子和还原性离子不能大量共存,不包括其他类型反应的离子常见的易错点“”透明“”“”透明也可有色“”不共存“”易看成共存常见的隐含条件“与Al反应放出H2”溶液既可能显酸性也可能显碱性“由水电离出的c(H+)=1×10-12mol·L-1”溶液既可能显酸性也可能显碱性“通入足量的NH3”与NH3·H2O反应的离子不能大量存在常见题干要求(1)“一定大量共”存(2)“可能大量共”存(3)“”不能大量共存审清关键字`离子检验的一般程序与思路1.常见离子的检验方法根据离子性质不同而在实验中所表现出的现象不同,可把检验离子的方法归纳为三种类型:①生成沉淀;②生成气体;③显现特殊颜色。离子试剂现象注意沉淀法Cl-、Br-、I-AgNO3溶液和稀HNO3AgCl(白色)AgBr(淡黄色)、AgI(黄色)SO稀盐酸和BaCl2溶液白色沉淀先用稀盐酸酸化Fe2+NaOH溶液灰绿色沉→淀→白色沉淀红褐色沉淀Fe3+NaOH溶液红褐色沉淀Al3+NaOH溶液→白色沉淀溶解不一定是Al3+气体法NH浓NaOH溶液和湿润的红色石蕊试纸产生有刺激性气味的气体,且气体能使湿润的红色石蕊试纸变蓝要加热CO稀盐酸和石灰水石灰水变浑浊SO、HCO有干扰CO稀盐酸和石灰水石灰水变浑浊SO、HCO有干扰SO稀H2SO4和品红溶液产生有刺激性气味的气体,且气体能使品红溶液褪色显色法I-氯水(少量),CCl4下层为紫色Fe2+KSCN溶液和氯水先是无变化,滴加氯水后变血红色先加KSCN溶液,无变化,再加氯水Fe3+①KSCN溶液血红色②苯酚溶液紫色Na+、K+Pt(Fe)丝和稀盐酸火焰分别呈黄色、紫色K+要透过蓝色钴玻璃片观察2.熟练掌握在溶液中有特征颜色的离子常见的溶液中有颜色的离子有MnO——呈紫色,Cu2+——呈蓝色,Fe2+——呈浅绿色,Fe3+——呈黄色。沉淀的颜色:Cu(OH)2——蓝色沉淀,Fe(OH)3——红褐色沉淀。“”“”解题中特别注意题干条件是无色透明还是澄清透明。3.无色溶液中离子检验的一般思路无色待检溶液【例4】根据下列实验内容得出的结论正确的是()选项实验内容结论A某物质的水溶液能使红色石蕊试纸变蓝该物质一定是氨气B某气体能使湿润的淀粉碘化钾试纸变蓝该气体一定是氯气C向某物质的水溶液中加...

1、当您付费下载文档后,您只拥有了使用权限,并不意味着购买了版权,文档只能用于自身使用,不得用于其他商业用途(如 [转卖]进行直接盈利或[编辑后售卖]进行间接盈利)。
2、本站所有内容均由合作方或网友上传,本站不对文档的完整性、权威性及其观点立场正确性做任何保证或承诺!文档内容仅供研究参考,付费前请自行鉴别。
3、如文档内容存在违规,或者侵犯商业秘密、侵犯著作权等,请点击“违规举报”。

碎片内容

高考化学大一轮复习讲义 第二章 第3讲 离子共存、离子的检验和推断

文章天下+ 关注
实名认证
内容提供者

各种文档应有尽有

确认删除?
VIP
微信客服
  • 扫码咨询
会员Q群
  • 会员专属群点击这里加入QQ群
客服邮箱
回到顶部