电脑桌面
添加小米粒文库到电脑桌面
安装后可以在桌面快捷访问

建筑测量定位记录平面图VIP专享VIP免费

建筑测量定位记录平面图_第1页
1/12
建筑测量定位记录平面图_第2页
2/12
建筑测量定位记录平面图_第3页
3/12
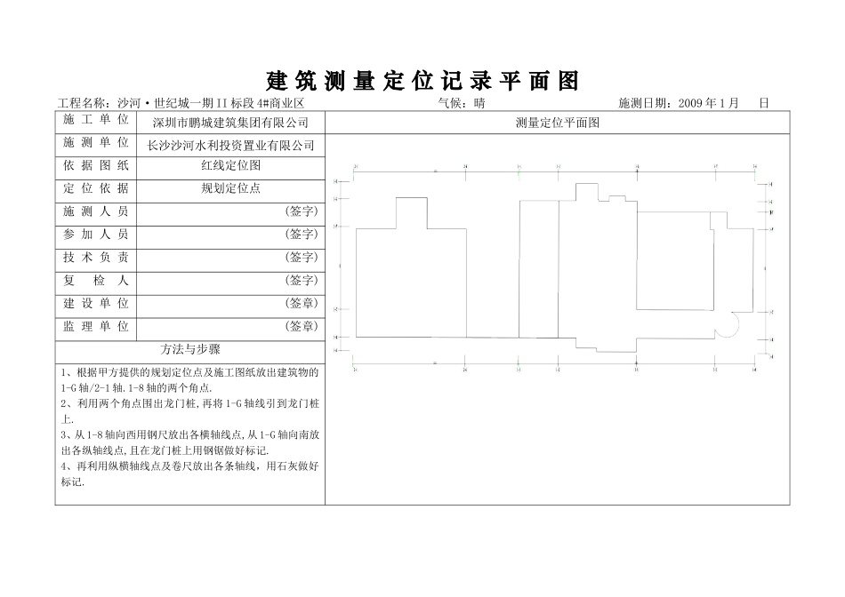
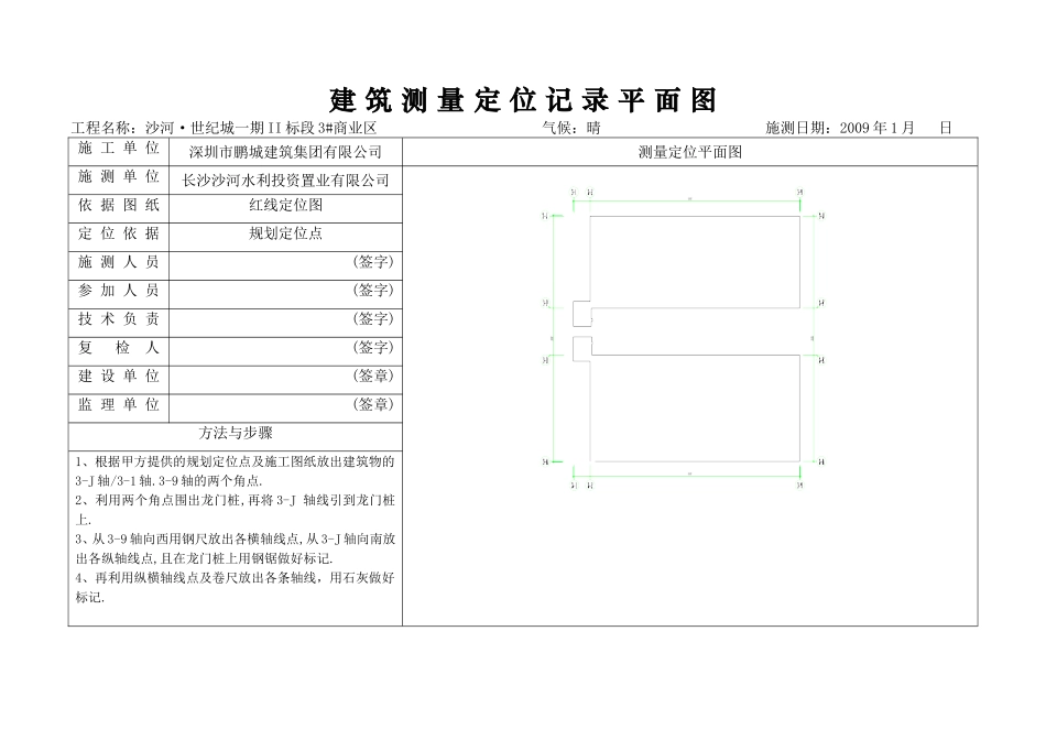
建筑测量定位记录平面图工程名称:沙河·世纪城一期II标段3#商业区气候:晴施测日期:2009年1月日施工单位深圳市鹏城建筑集团有限公司测量定位平面图施测单位长沙沙河水利投资置业有限公司依据图纸红线定位图定位依据规划定位点施测人员(签字)参加人员(签字)技术负责(签字)复检人(签字)建设单位(签章)监理单位(签章)方法与步骤1、根据甲方提供的规划定位点及施工图纸放出建筑物的3-J轴/3-1轴.3-9轴的两个角点.2、利用两个角点围出龙门桩,再将3-J轴线引到龙门桩上.3、从3-9轴向西用钢尺放出各横轴线点,从3-J轴向南放出各纵轴线点,且在龙门桩上用钢锯做好标记.4、再利用纵横轴线点及卷尺放出各条轴线,用石灰做好标记.建筑测量定位记录平面图工程名称:沙河·世纪城一期II标段4#商业区气候:晴施测日期:2009年1月日施工单位深圳市鹏城建筑集团有限公司测量定位平面图施测单位长沙沙河水利投资置业有限公司依据图纸红线定位图定位依据规划定位点施测人员(签字)参加人员(签字)技术负责(签字)复检人(签字)建设单位(签章)监理单位(签章)方法与步骤1、根据甲方提供的规划定位点及施工图纸放出建筑物的1-G轴/2-1轴.1-8轴的两个角点.2、利用两个角点围出龙门桩,再将1-G轴线引到龙门桩上.3、从1-8轴向西用钢尺放出各横轴线点,从1-G轴向南放出各纵轴线点,且在龙门桩上用钢锯做好标记.4、再利用纵横轴线点及卷尺放出各条轴线,用石灰做好标记.建筑测量定位记录平面图工程名称:沙河·世纪城一期II标段5-12-1栋气候:晴施测日期:2009年1月日施工单位深圳市鹏城建筑集团有限公司测量定位平面图施测单位长沙沙河水利投资置业有限公司依据图纸红线定位图定位依据规划定位点施测人员(签字)参加人员(签字)技术负责(签字)复检人(签字)建设单位(签章)监理单位(签章)方法与步骤1、根据甲方提供的规划定位点及施工图纸放出建筑物的/.轴的两个角点.2、利用两个角点围出龙门桩,再将轴线引到龙门桩上.3、从轴向西用钢尺放出各横轴线点,从轴向南放出各纵轴线点,且在龙门桩上用钢锯做好标记.4、再利用纵横轴线点及卷尺放出各条轴线,用石灰做好标记.建筑测量定位记录平面图工程名称:沙河·世纪城一期II标段5-12-2栋气候:晴施测日期:2009年1月日施工单位深圳市鹏城建筑集团有限公司测量定位平面图施测单位长沙沙河水利投资置业有限公司依据图纸红线定位图定位依据规划定位点施测人员(签字)参加人员(签字)技术负责(签字)复检人(签字)建设单位(签章)监理单位(签章)方法与步骤1、根据甲方提供的规划定位点及施工图纸放出建筑物的/.轴的两个角点.2、利用两个角点围出龙门桩,再将轴线引到龙门桩上.3、从轴向西用钢尺放出各横轴线点,从轴向南放出各纵轴线点,且在龙门桩上用钢锯做好标记.4、再利用纵横轴线点及卷尺放出各条轴线,用石灰做好标记.建筑测量定位记录平面图工程名称:沙河·世纪城一期II标段5-14栋气候:晴施测日期:2009年1月日施工单位深圳市鹏城建筑集团有限公司测量定位平面图施测单位长沙沙河水利投资置业有限公司依据图纸红线定位图定位依据规划定位点施测人员(签字)参加人员(签字)技术负责(签字)复检人(签字)建设单位(签章)监理单位(签章)方法与步骤1、根据甲方提供的规划定位点及施工图纸放出建筑物的/.轴的两个角点.2、利用两个角点围出龙门桩,再将轴线引到龙门桩上.3、从轴向西用钢尺放出各横轴线点,从轴向南放出各纵轴线点,且在龙门桩上用钢锯做好标记.4、再利用纵横轴线点及卷尺放出各条轴线,用石灰做好标记.建筑测量定位记录平面图工程名称:沙河·世纪城一期II标段5-15栋气候:晴施测日期:2009年1月日施工单位深圳市鹏城建筑集团有限公司测量定位平面图施测单位长沙沙河水利投资置业有限公司依据图纸红线定位图定位依据规划定位点施测人员(签字)参加人员(签字)技术负责(签字)复检人(签字)建设单位(签章)监理单位(签章)方法与步骤1、根据甲方提供的规划定位点及施工图纸放出建筑物的/轴的两个角点.2、利用两个角点围出龙门桩,再将轴线引到龙门桩上.3、从轴向西用钢尺放出各横轴线点,从轴向南放出各纵轴线点,且在龙门桩上用钢锯做好标记.4、再利用纵横轴线点及卷尺放出各条轴线,用石灰...

1、当您付费下载文档后,您只拥有了使用权限,并不意味着购买了版权,文档只能用于自身使用,不得用于其他商业用途(如 [转卖]进行直接盈利或[编辑后售卖]进行间接盈利)。
2、本站所有内容均由合作方或网友上传,本站不对文档的完整性、权威性及其观点立场正确性做任何保证或承诺!文档内容仅供研究参考,付费前请自行鉴别。
3、如文档内容存在违规,或者侵犯商业秘密、侵犯著作权等,请点击“违规举报”。

碎片内容

建筑测量定位记录平面图

确认删除?
VIP
微信客服
  • 扫码咨询
会员Q群
  • 会员专属群点击这里加入QQ群
客服邮箱
回到顶部