电脑桌面
添加小米粒文库到电脑桌面
安装后可以在桌面快捷访问

混凝土预制块护坡单元工程施工质量验收评定表VIP免费

混凝土预制块护坡单元工程施工质量验收评定表_第1页
1/23
混凝土预制块护坡单元工程施工质量验收评定表_第2页
2/23
混凝土预制块护坡单元工程施工质量验收评定表_第3页
3/23
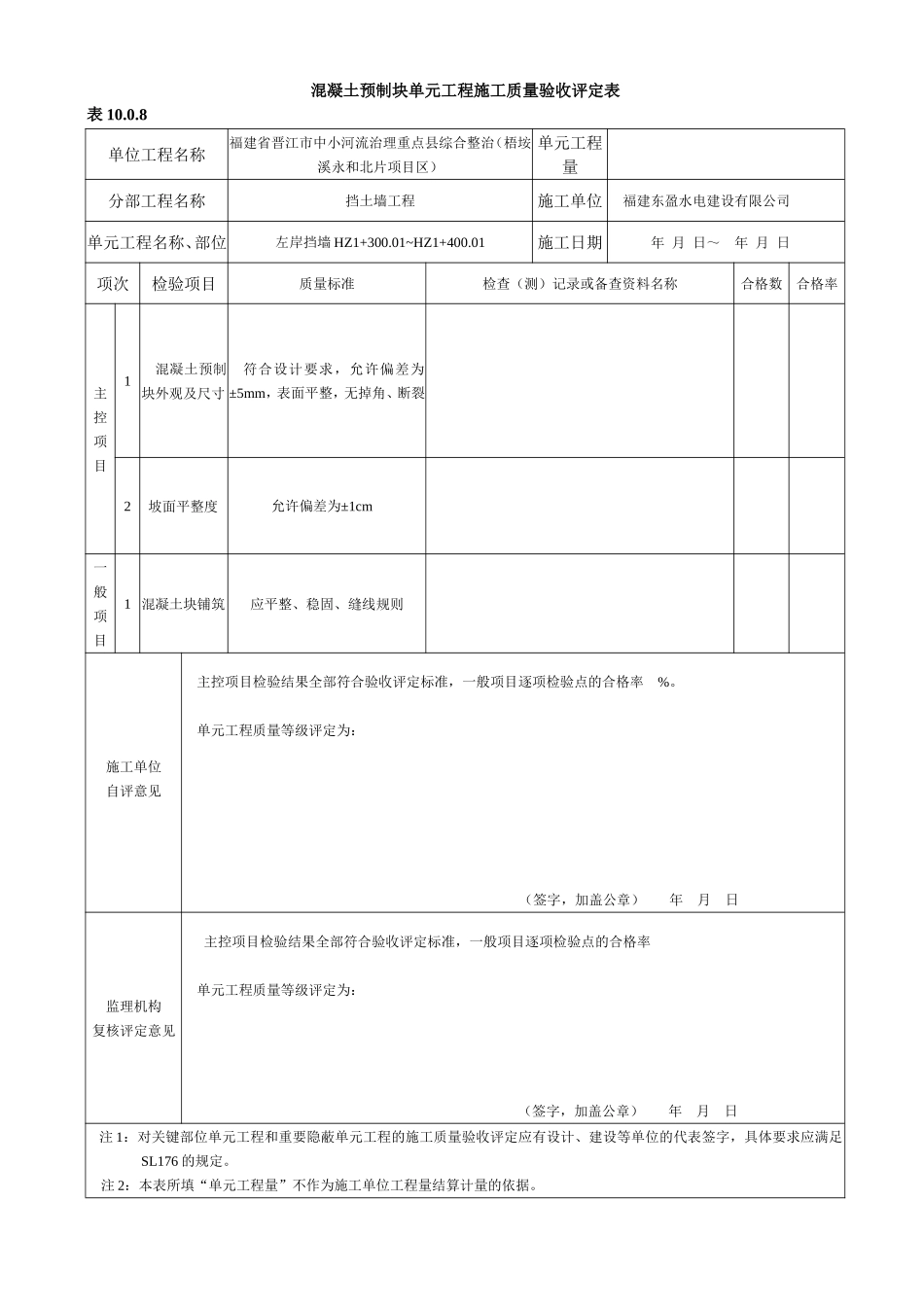
混凝土预制块单元工程施工质量验收评定表表10.0.8单位工程名称福建省晋江市中小河流治理重点县综合整治(梧垵溪永和北片项目区)单元工程量分部工程名称挡土墙工程施工单位福建东盈水电建设有限公司单元工程名称、部位左岸挡墙HZ1+300.01~HZ1+400.01施工日期年月日~年月日项次检验项目质量标准检查(测)记录或备查资料名称合格数合格率主控项目1混凝土预制块外观及尺寸符合设计要求,允许偏差为±5mm,表面平整,无掉角、断裂2坡面平整度允许偏差为±1cm一般项目1混凝土块铺筑应平整、稳固、缝线规则施工单位自评意见主控项目检验结果全部符合验收评定标准,一般项目逐项检验点的合格率%。单元工程质量等级评定为:(签字,加盖公章)年月日监理机构复核评定意见主控项目检验结果全部符合验收评定标准,一般项目逐项检验点的合格率单元工程质量等级评定为:(签字,加盖公章)年月日注1:对关键部位单元工程和重要隐蔽单元工程的施工质量验收评定应有设计、建设等单位的代表签字,具体要求应满足SL176的规定。注2:本表所填“单元工程量”不作为施工单位工程量结算计量的依据。混凝土预制块单元工程施工质量验收评定表表10.0.8单位工程名称福建省晋江市中小河流治理重点县综合整治(梧垵溪永和北片项目区)单元工程量分部工程名称挡土墙工程施工单位福建东盈水电建设有限公司单元工程名称、部位左岸挡墙HZ1+400.01~HZ1+500.01施工日期年月日~年月日项次检验项目质量标准检查(测)记录或备查资料名称合格数合格率主控项目1混凝土预制块外观及尺寸符合设计要求,允许偏差为±5mm,表面平整,无掉角、断裂2坡面平整度允许偏差为±1cm一般项目1混凝土块铺筑应平整、稳固、缝线规则施工单位自评意见主控项目检验结果全部符合验收评定标准,一般项目逐项检验点的合格率%。单元工程质量等级评定为:(签字,加盖公章)年月日监理机构复核评定意见主控项目检验结果全部符合验收评定标准,一般项目逐项检验点的合格率单元工程质量等级评定为:(签字,加盖公章)年月日注1:对关键部位单元工程和重要隐蔽单元工程的施工质量验收评定应有设计、建设等单位的代表签字,具体要求应满足SL176的规定。注2:本表所填“单元工程量”不作为施工单位工程量结算计量的依据。混凝土预制块单元工程施工质量验收评定表表10.0.8单位工程名称福建省晋江市中小河流治理重点县综合整治(梧垵溪永和北片项目区)单元工程量分部工程名称挡土墙工程施工单位福建东盈水电建设有限公司单元工程名称、部位左岸挡墙HZ1+500.01~HZ1+600.01施工日期年月日~年月日项次检验项目质量标准检查(测)记录或备查资料名称合格数合格率主控项目1混凝土预制块外观及尺寸符合设计要求,允许偏差为±5mm,表面平整,无掉角、断裂2坡面平整度允许偏差为±1cm一般项目1混凝土块铺筑应平整、稳固、缝线规则施工单位自评意见主控项目检验结果全部符合验收评定标准,一般项目逐项检验点的合格率%。单元工程质量等级评定为:(签字,加盖公章)年月日监理机构复核评定意见主控项目检验结果全部符合验收评定标准,一般项目逐项检验点的合格率单元工程质量等级评定为:(签字,加盖公章)年月日注1:对关键部位单元工程和重要隐蔽单元工程的施工质量验收评定应有设计、建设等单位的代表签字,具体要求应满足SL176的规定。注2:本表所填“单元工程量”不作为施工单位工程量结算计量的依据。混凝土预制块单元工程施工质量验收评定表表10.0.8单位工程名称福建省晋江市中小河流治理重点县综合整治(梧垵溪永和北片项目区)单元工程量分部工程名称挡土墙工程施工单位福建东盈水电建设有限公司单元工程名称、部位左岸挡墙HZ1+600.01~HZ1+700.01施工日期年月日~年月日项次检验项目质量标准检查(测)记录或备查资料名称合格数合格率主控项目1混凝土预制块外观及尺寸符合设计要求,允许偏差为±5mm,表面平整,无掉角、断裂2坡面平整度允许偏差为±1cm一般项目1混凝土块铺筑应平整、稳固、缝线规则施工单位自评意见主控项目检验结果全部符合验收评定标准,一般项目逐项检验点的合格率%。单元工程质量等级评定为:(签字,加盖公章)年月日监...

1、当您付费下载文档后,您只拥有了使用权限,并不意味着购买了版权,文档只能用于自身使用,不得用于其他商业用途(如 [转卖]进行直接盈利或[编辑后售卖]进行间接盈利)。
2、本站所有内容均由合作方或网友上传,本站不对文档的完整性、权威性及其观点立场正确性做任何保证或承诺!文档内容仅供研究参考,付费前请自行鉴别。
3、如文档内容存在违规,或者侵犯商业秘密、侵犯著作权等,请点击“违规举报”。

碎片内容

混凝土预制块护坡单元工程施工质量验收评定表

确认删除?
VIP
微信客服
  • 扫码咨询
会员Q群
  • 会员专属群点击这里加入QQ群
客服邮箱
回到顶部