电脑桌面
添加小米粒文库到电脑桌面
安装后可以在桌面快捷访问

屋面防水保温施工方案-(绝对好)VIP免费

屋面防水保温施工方案-(绝对好)_第1页
1/7
屋面防水保温施工方案-(绝对好)_第2页
2/7
屋面防水保温施工方案-(绝对好)_第3页
3/7
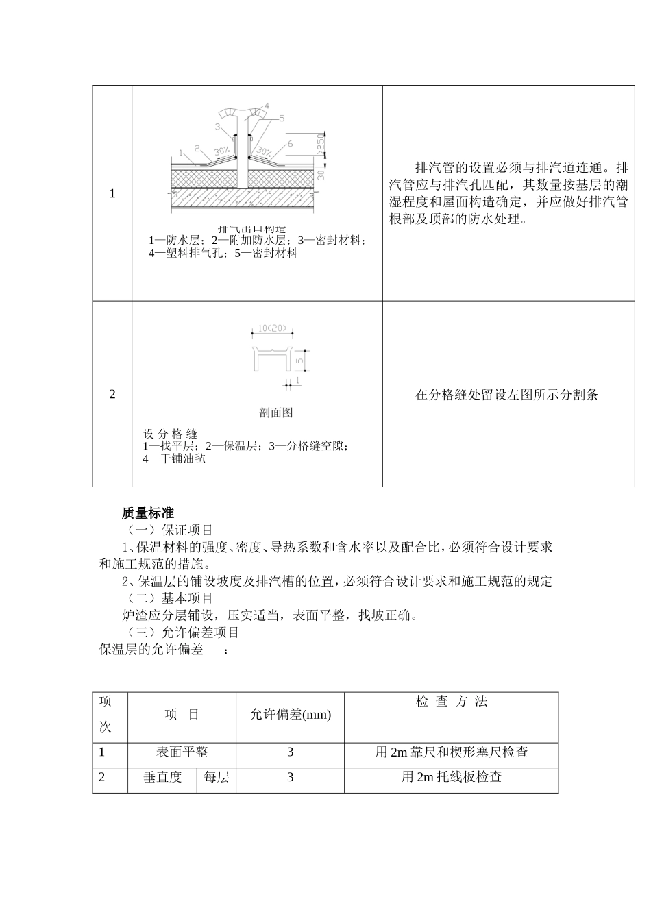
屋面防水保温层施工方案1、屋面保温层本工程屋面保温层采用80厚泡沫玻璃Ⅱ型保温板。1)、基层必须清理干净,基层表面不得有:浮尘、污垢、脱模剂、风化物、涂料、蜡、防水剂、潮气、霜、泥土等污染物,或其它妨碍粘结的材料,并剔除屋面凸出物,使之清洁平整。2)、清除基层屋面中松动或风化的部分,用砂浆填充后找平。3)、基层的坡度、分隔缝等应符合设计及规范要求。4)沥青的熬制先将10#、30#沥青碎块按一定比例放入沥青锅内逐渐均匀加热,加热过程中随时搅拌,熔化后用漏勺及时捞清杂物,熬至脱水无泡沫时进行测温,建筑石油沥青熬制温度应不高于240度,使用温度不低于190度。5)泡沫玻璃保温板粘贴(1)、保温板粘贴前应先根据施工图在处理过的基层墙体表面弹线。(2)、泡沫玻璃保温板粘贴应采用满粘法。(3)、将泡沫玻璃保温板底面在熬制好的沥青中侵蘸后,直接粘贴到屋面基层上5)泡沫玻璃保温板粘贴要求(1)、铺砌时应从一个方向向另一方向进行铺贴,在女儿墙、檐沟及屋面凸出的刚性构件部位,泡沫玻璃保温板粘贴时应预留出1-2cm伸缩缝。(2)、保温板应错缝排列,错缝长度为1/2标准板长,并不小于100mm。最小非标准保温板尺寸不应小于150mm,且不应设置在边缘处。(3)、非标准块泡沫玻璃保温板可用手提切割机或钢锯进行切割加工。(4)、粘结剂应分别涂抹于保温板背面、侧面和屋面基层。6)泡沫玻璃保温板粘贴时应及时用靠尺压平,保证保温板屋面的坡度。凝结过程中不得敲击扰动。7)泡沫玻璃保温板粘结层厚度宜为2~3mm左右。8)泡沫玻璃保温板铺贴2小时后,对坡度不符合要求的可用专用搓板打磨找平。防水屋面保温层细部构造节点表1序号细部构造图示技术措施1排汽管的设置必须与排汽道连通。排汽管应与排汽孔匹配,其数量按基层的潮湿程度和屋面构造确定,并应做好排汽管根部及顶部的防水处理。2在分格缝处留设左图所示分割条质量标准(一)保证项目1、保温材料的强度、密度、导热系数和含水率以及配合比,必须符合设计要求和施工规范的措施。2、保温层的铺设坡度及排汽槽的位置,必须符合设计要求和施工规范的规定(二)基本项目炉渣应分层铺设,压实适当,表面平整,找坡正确。(三)允许偏差项目保温层的允许偏差:项次项目允许偏差(mm)检查方法1表面平整3用2m靠尺和楔形塞尺检查2垂直度每层3用2m托线板检查排气出口构造1—防水层;2—附加防水层;3—密封材料;4—塑料排气孔;5—密封材料设分格缝1—找平层;2—保温层;3—分格缝空隙;4—干铺油毡全高H/1000且不大于20用经纬仪或吊线和尺量检查3阴阳角垂直3用2m托线板检查4阴阳角方正3用200mm方尺检查5接缝高差1.5用直尺和楔形塞尺检查2、屋面防水层A.涂刷APP改性沥青基层处理剂(冷底子油)。用长柄滚刷将基层处理剂涂刷在基层表面,要涂刷均匀,不得漏刷或露底。基层处理剂涂刷完毕,必须达到干燥程度(手摸不粘)方可施行热熔法施工,以避免失火B.弹粗线。在已处理好并干燥的基层表面,按照所选卷材的宽度留出搭接缝尺寸,将铺贴卷材的基准线位置线弹好,以便按此基准线进行卷材铺贴施工。C.细部附加增强处理。对于阴阳角、管道根部等部位应做增强处理。方法是先按细部形状将卷材剪好,不要加热,在细部贴一下,视尺寸、形状合适后,再将卷材的底面(有热熔胶的一面),用手持汽油喷灯烘烤,待其底面呈熔融状态,即可立即粘贴在已涂刷一道密封材料的基层上,并压实铺牢,附加层总宽度不小于500。D.热熔铺贴卷材。采用满粘,采用“滚铺法”,先铺粘大面、后粘接搭接缝。E.熔粘端部卷材。将整卷卷材(勿打开)置于铺贴起始端,对准基层上已弹好的粉线,滚展卷材约1m,由一人站在卷材正面将这1m卷材拉起,另一人站在卷材底面(有热熔胶)手持液化汽火焰喷枪,慢旋开关、点燃火焰。调呈蓝色,使火焰对准卷材与基面交接处同时加热卷材底面与基层面,待卷材底面胶呈熔融状即进行粘铺,不得过分加热或烧穿卷材。再由一人以手持压辊对铺贴的卷材进行排气压实,不得有空鼓皱折,这样铺到卷材端头剩下约30cm时,将卷材端头翻放在隔热板上,再行熔烤,最后将端部卷材铺牢压实。F.滚粘大面卷材。起始端卷材粘牢后,持火焰喷...

1、当您付费下载文档后,您只拥有了使用权限,并不意味着购买了版权,文档只能用于自身使用,不得用于其他商业用途(如 [转卖]进行直接盈利或[编辑后售卖]进行间接盈利)。
2、本站所有内容均由合作方或网友上传,本站不对文档的完整性、权威性及其观点立场正确性做任何保证或承诺!文档内容仅供研究参考,付费前请自行鉴别。
3、如文档内容存在违规,或者侵犯商业秘密、侵犯著作权等,请点击“违规举报”。

碎片内容

屋面防水保温施工方案-(绝对好)

您可能关注的文档

确认删除?
VIP
微信客服
  • 扫码咨询
会员Q群
  • 会员专属群点击这里加入QQ群
客服邮箱
回到顶部