电脑桌面
添加小米粒文库到电脑桌面
安装后可以在桌面快捷访问

冲压拉深模的设计..VIP免费

冲压拉深模的设计.._第1页
1/20
冲压拉深模的设计.._第2页
2/20
冲压拉深模的设计.._第3页
3/20
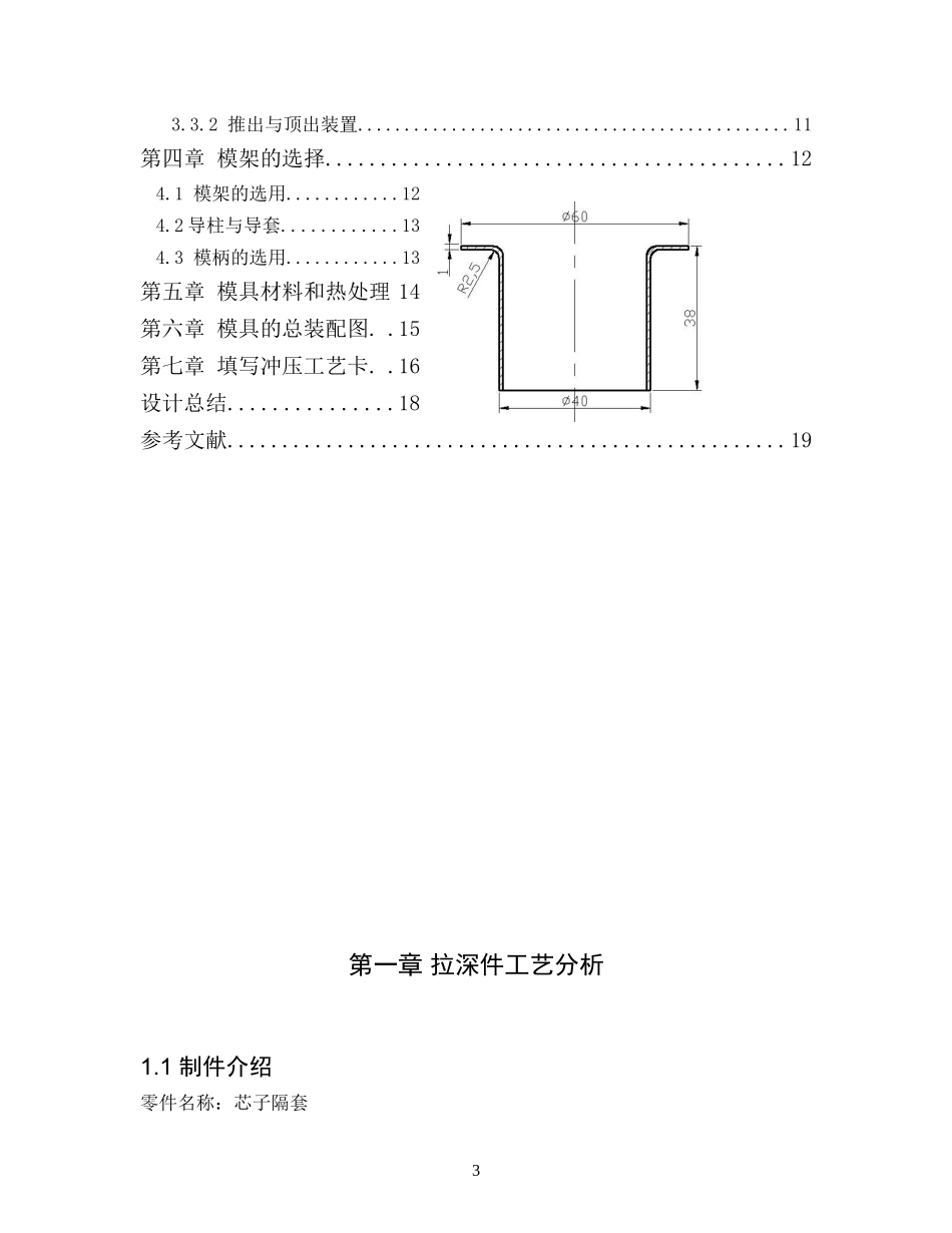
《冲压工艺及冲压模设计》课程设计设计说明书起止日期:2011年1月3日至2011年1月16日学生姓名班级学号成绩指导教师(签字)机械工程学院(部)2010年01月16日目录第一章拉深件工艺分析.......................................31.1制件介绍.........................................................31.2产品结构及形状分析...............................................31.3产品尺寸精度、粗糙度、断面质量分析...............................31.3.1尺寸精度......................................................31.3.2冲裁件断面质量................................................31.3.3产品材料分析.................................................41.3.4生产批量.....................................................4第二章零件冲压工艺计算.....................................42.1翻孔工序的计算...................................................42.2零件毛坯尺寸计算.................................................52.2.1确定修边余量a................................................52.2.2确定坯料直径.................................................52.2.3确定工艺方案.................................................52.2.4排样、计算条料宽度及确定步距..................................52.3冲裁力的计算.....................................................62.4确定拉深工序件尺寸...............................................62.4.1判断能否一次拉深成形.........................................62.4.2确定首次拉深件尺寸...........................................72.4.3计算第二次拉深工序件的尺寸...................................72.5计算拉深工序的力................................................82.6工作部分尺寸计算...............................................82.6.1拉深间隙的计算..............................................82.6.2拉深凸、凹模尺寸的计算......................................8第三章设计选用模具零件、部件...............................93.1拉深凹模的设计...................................................93.2拉深凸模的设计...................................................93.3压边、卸料及出件装置设计........................................103.3.1压边圈......................................................1023.3.2推出与顶出装置..............................................11第四章模架的选择..........................................124.1模架的选用............124.2导柱与导套............134.3模柄的选用............13第五章模具材料和热处理14第六章模具的总装配图..15第七章填写冲压工艺卡..16设计总结...............18参考文献...................................................19第一章拉深件工艺分析1.1制件介绍零件名称:芯子隔套3材料:08钢料厚:1mm批量:大批量零件图:如图1所示图11.2产品结构及形状分析由图1可知,产品为圆片落料、有凸缘筒形件拉深、圆片冲孔,产品结构简单对称。1.3产品尺寸精度、粗糙度、断面质量分析1.3.1尺寸精度查参考资料【4】上表5-11可知:拉深件直径的极限偏差为:、高度的极限偏差为:1.3.2冲裁件断面质量板料厚度为1mm,查参考资料【4】表2-67,可知冲裁件生产时毛刺允许高度为≤0.12mm,由于本产品在断面质量和毛刺高度上没有严格的要求,所以只要模具精度达到一定要求,冲裁件的断面质量可以保证。1.3.3产品材料分析冲压材料不仅要满足产品设计的技术要求,还要满足冲压工艺要求和冲压后的加工要求,因此,对于冲裁件材料一般要求其力学性能是强度低,塑性高,表面质量和厚度公差符合国家标准。本设计产品所用的材料是08钢,为优质碳素结构钢,其力学性能是强度、硬度和塑性指标适中,经热处理后,用冲裁的加工方法是完全可以成形的。1.3.4生产批量产品生产批量为大批量生产...

1、当您付费下载文档后,您只拥有了使用权限,并不意味着购买了版权,文档只能用于自身使用,不得用于其他商业用途(如 [转卖]进行直接盈利或[编辑后售卖]进行间接盈利)。
2、本站所有内容均由合作方或网友上传,本站不对文档的完整性、权威性及其观点立场正确性做任何保证或承诺!文档内容仅供研究参考,付费前请自行鉴别。
3、如文档内容存在违规,或者侵犯商业秘密、侵犯著作权等,请点击“违规举报”。

碎片内容

冲压拉深模的设计..

确认删除?
VIP
微信客服
  • 扫码咨询
会员Q群
  • 会员专属群点击这里加入QQ群
客服邮箱
回到顶部