毕业设计题 目:锉刀柄铜套复合拉深模设计副 标 题:学 生 姓 名:吴金金所在系、专业:机电工程系、模具设计与制造班 级:模具 30...
毕业设计(论文)外文资料翻译学院(系): 专 业: 姓 名: 学 号: 外文出处: Analysis of Draw-Wall Wrinkling in a Stampin...
10 带料连续拉深模设计本章内容:带料级进拉深设计计算方法,包括拉深系数的确定、拉深高度的确定、拉深的工序计算、模具结构设计、压料元...
空气滤清器壳落料、正反拉深复合模设计摘 要随着中国工业不断地进展,模具行业也显得越来越重要。本论文便是设计加工空气滤清器壳的模具。...
目 录题目 盒型件拉深模设计.........................................................................2前 言.........................
冲压课程设计(油封钢圈)学校:安徽农业大学经济技术学院专业 :10 机制(2)班姓名 :周天坤 学 号 :10530076 完成日期:2024 ...
1 绪论1.1 冲压的概念、特点与应用冲压成形作为现代工业中一种十分重要的加工方法,用以生产各种板料零件,具有很多独特的优势,其成形件...
拉深模具设计说明书学院:机械工程学院系:车辆工程系班级:车辆 11:凯学号:21101050051 设计的目的和意义不锈钢饭盒是一种简单的生活...
拉深工序计算与模具结构设计----------------------- -----------------------日期:摘 要拉深是利用模具使平板毛坯变成为开口的空心零件...
拉深模具设计要点----------------------- -----------------------日期:8 拉深模具设计本章容:各种拉深模具结构与工作原理,单动压力...
1 分 析 零 件 的 工 艺 性冲 压 件 工 艺 性 是 指 冲 压 零 件 在 冲 压 加 工 过 程 中加 工 的 难 易...
第六节 盒形件的拉深 盒形件属于非轴对称零件,它包括方形盒件,矩形盒件和椭圆形盒件等,根据矩形盒几何形状的特点,可以将其侧壁分为长...
《冲压工艺与模具设计》课程设计 说 明 书 设计题目 盒形件首次拉深模设计 系 别 机械工程系 专业班级 机自 Y 091 学生姓名 ...
目 录 题目 盒型件拉深模设计............................................................................................ 1 前...
目 录序 言.................................................2第一局部 冲压成形工艺设计.............................5Ⅰ 明确设计...
目 录序 言.................................................2第一局部 冲压成形工艺设计.............................5Ⅰ 明确设计...
壁 破 裂 这 种 缺 陷 一 般 出 现 在 方 筒 角 部 附 近 的 侧 壁 , 通 常 , 出 现 在 凹 模 圆 角 半...
燕 山 大 学 课 程 设 计 说 明 书 目录 一、绪论——————————————————————————1 二、工艺分析——...
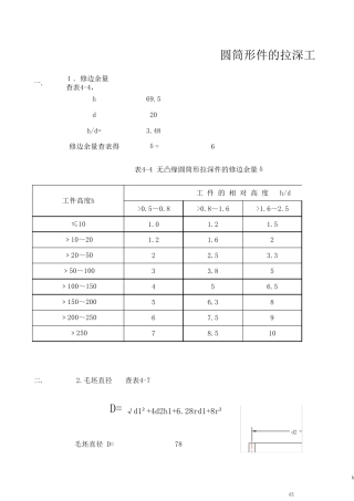
一.1.修边余量查表4-4,h69.5d20h/d=3.48修边余量查表得δ=6>0.5~0.8>0.8~1.6>1.6~2.51.01.21.51.21.6222.53.333.85456.556.3867.5978...
5.1 拉深模设计实例——保护筒拉深模的设计 5 .1 .1 设计任务 图 5 -3 - 1 所示是一金属保护筒,材料为08 钢,材料厚度2mm,大...

