1研究报告中国汽车用拉深零件项目投资可行性研究报告一、项目概述1.项目背景(1)随着我国经济的快速发展和汽车产业的日益壮大,汽车用拉深零...
下载后可任意编辑 该缺陷是由于流入凹模的材料在压缩应力作用下失稳引起的。 消除方法 ( 1) 制品形状。 凸模侧壁由于呈锥形或曲面形,...
第四章 拉深工艺及拉深模具设计复习题 答案 一、 填空题 1. 拉 深 是 是 利 用 拉 深 模 将 平 板 毛 坯 压 制 成 ...
拉深模具的设计收藏此信息打印该信息添加:用户投稿来源: 未知拉深模按其工序顺序可分为首次拉深模和后续各工序拉深模,它们之间的本质区...
拉深习题及答案一 、 填空题1 拉深系数m 是 拉深后的工件直径和 拉深前的毛坯直径的比值,m 越小,则变形程度越大 。2 拉深过程中...
冲压模具课程设计课题名称:无凸缘圆筒形件拉深模设计青岛理工大学学院: 机械工程学院专业班级: 材料成型与控制工程091 班姓名:学号...
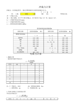
P=1.3K8501.9380(N)797810 (N)1.概略计算一般形状弯曲件弯曲力P:0.25σ btB10000序号 σ btBP102030405060708090100注:P--弯曲力,10k...
目 录序 言.................................................2第一部分 冲压成形工艺设计.............................5Ⅰ 明确设计...
水池拉深成形工艺及模具设计摘要:分析了散热器上水池的成形工艺,确定了成形工艺参数,叙述了成形模具结构及工作原理,表明高台阶差、非对...
《冲压工艺及冲压模设计》课程设计设计说明书起止日期:2011年1月3日至2011年1月16日学生姓名班级学号成绩指导教师(签字)机械工程学院(部...
拉深模第一节圆筒形件的拉深变形分析一、拉深过程二、拉深过程的力掌分析三、起皱与拉裂一、拉深过程圆形平板毛坯在拉深凸、凹模具作用下,...
弯曲模和拉深模--弯曲模的基本原理弯曲模的基本原理(一)一、弯曲的基本原理(一)弯曲工艺的概念及弯曲件1.弯曲工艺:是根据零件形状的...
毕业设计题目:座子拉深成型工艺与模具设计零件名称:座子生产批量:大批量材料:08酸洗钢板零件简图:如图所示座子设计步骤按如下程序进行...
第34卷第4期Vol134No14FORGING&STAMPINGTECHNOLOGY2009年8月Aug.2009冲锻成形过程拉深增厚工艺的有限元分析王新云,欧阳坤,夏巨谌,胡国安(华...
8拉深模具设计本章内容:各种拉深模具结构与工作原理,单动压力机拉深模、双动压力机拉深模;首次拉深模、以后各次拉深用拉深模(后次拉深模...
第77页共8页编号:时间:2021年x月x日书山有路勤为径,学海无涯苦作舟页码:第77页共8页冲锻成形过程强力拉深增厚工艺的有限元分析*华中科...
第1页共34页编号:时间:2021年x月x日书山有路勤为径,学海无涯苦作舟页码:第1页共34页拉深件坯料形状和尺寸是以冲件形状和尺寸为基础,按...
摘要拉深是利用模具使平板毛坯变成为开口的空心零件的冲压方法,用拉深工艺可以制成筒形、阶梯形、锥形、抛物面形、盒形和其他不规则形状的...
第1页共5页编号:时间:2021年x月x日书山有路勤为径,学海无涯苦作舟页码:第1页共5页水池拉深成形工艺及模具设计摘要:分析了散热器上水池...
第1页共5页编号:时间:2021年x月x日书山有路勤为径,学海无涯苦作舟页码:第1页共5页水池拉深成形工艺及模具设计摘要:分析了散热器上水池...

