电脑桌面
添加小米粒文库到电脑桌面
安装后可以在桌面快捷访问

冲裁、弯曲、拉深力计算VIP免费

冲裁、弯曲、拉深力计算_第1页
1/6
冲裁、弯曲、拉深力计算_第2页
2/6
冲裁、弯曲、拉深力计算_第3页
3/6
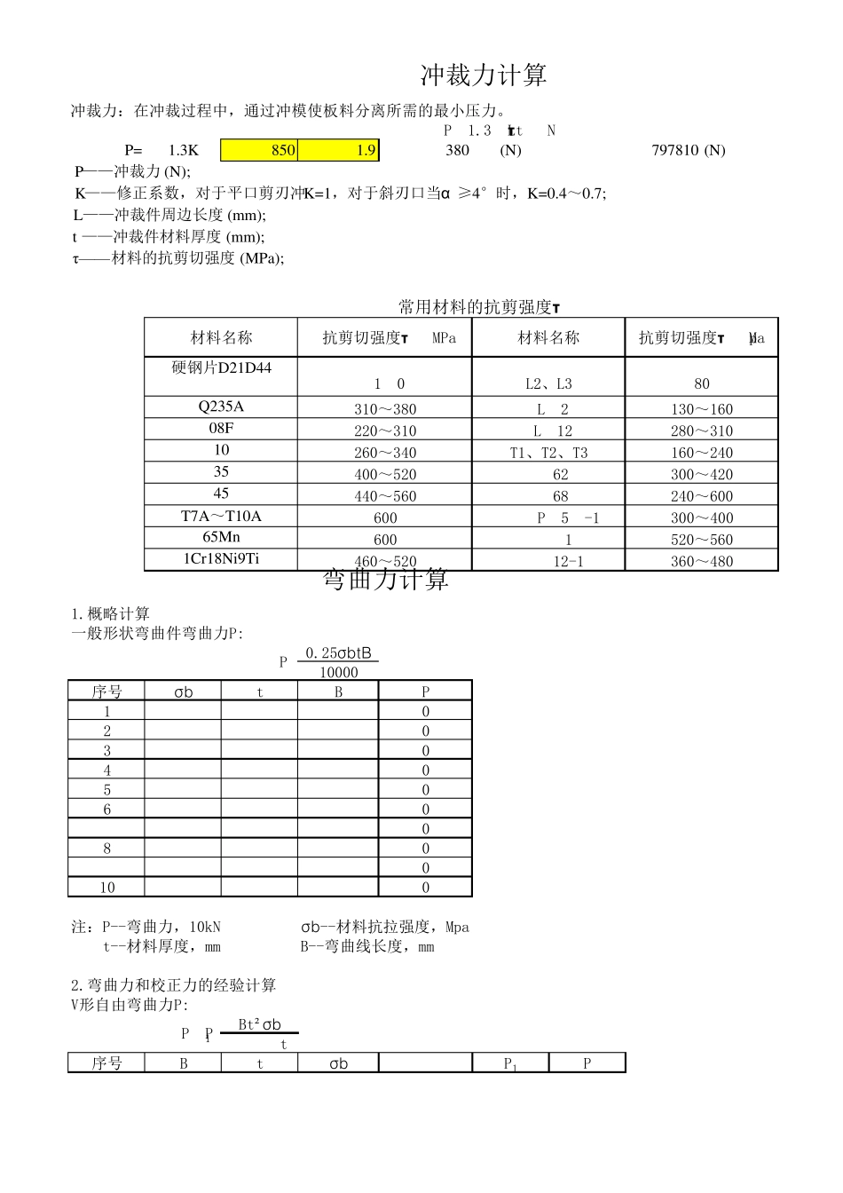
P=1.3K8501.9380(N)797810 (N)1.概略计算一般形状弯曲件弯曲力P:0.25σ btB10000序号 σ btBP102030405060708090100注:P--弯曲力,10kNσ b--材料抗拉强度,Mpa t--材料厚度,mmB--弯曲线长度,mm2.弯曲力和校正力的经验计算V形自由弯曲力P:Bt²σ br+t序号 Btσ brP1P弯曲力计算P=P=P1= 冲裁力:在冲裁过程中,通过冲模使板料分离所需的最小压力。 P=1.3KLtτ (N) P——冲裁力 (N); K——修正系数,对于平口剪刃冲K=1,对于斜刃口当α ≥4°时,K=0.4~0.7; L——冲裁件周边长度 (mm); t ——冲裁件材料厚度 (mm); τ— — 材料的抗剪切强度 (MPa);常用材料的抗剪强度τ材料名称抗剪切强度τ /MPa材料名称抗剪切强度τ /Mpa硬钢片D21D44190L2、L380Q235A310~380LF2130~160240~60008F220~310LY12280~31010260~340T1、T2、T3160~240600QA17520~56035400~520H62300~42045440~560H681Cr18Ni9Ti460~520QA12-19360~480冲裁力计算T7A~T10A600HPb59-1300~40065Mn1212334454834832#DIV/0!#DIV/0!3#DIV/0!#DIV/0!4#DIV/0!#DIV/0!5#DIV/0!#DIV/0!6#DIV/0!#DIV/0!7#DIV/0!#DIV/0!8#DIV/0!#DIV/0!9#DIV/0!#DIV/0!10#DIV/0!#DIV/0!V形校正弯曲力P:P=P2=Aq序号 AqP2P1002003004005006007008009001000U形用弹顶器不校正弯曲力P:1.8Bt²σ br+t序号 Btσ brP1QP10#DIV/0!20#DIV/0!30#DIV/0!40#DIV/0!50#DIV/0!60#DIV/0!70#DIV/0!80#DIV/0!90#DIV/0!100#DIV/0!U形用弹顶器加校正弯曲力P:P=P2=Aq序号 AqP2P100200300400500600700800P=P1+Q=1.8P1=9001000注:P--弯曲时总弯曲力,NQ--最大弹顶力,Q=0.8P1 P1--弯曲力,NP2--校正力,N L--弯曲线长度,mmt--材料厚度,mm A--材料校正部分投影面积,mm²σb--材料抗拉强度,Mpa q--校正弯曲时单位压力,见下表校正弯曲时单位压力q≤1>1~2>2~5>5~10铝10~1515~2020~3030~40黄铜15~2020~3030~4040~6010,2020~3030~4040~6060~8025,30,35 30~4040~5050~7070~1003.顶件力或压料力P3:P3=(0.3~0.8)P1注:P3--顶件力或压料力,N P1--自由弯曲力,N4.压力机压力的确定自由弯曲时:P公≥P1+P3校正弯曲时:P≥P2注:P公--压力机公称力,NP1--弯曲力,N P2--校正力,NP3--顶件力或压料力,N1.用压边圈的第一次拉深力P1:P1=LtσbK1序号LtσbK1P118813200.6718867.2203040502.以后各次拉深时的力Pn:Pn=LtσbK2序号LtσbK2Pn1144.50.83200.829593.620304050材料材料厚度t/mm...

1、当您付费下载文档后,您只拥有了使用权限,并不意味着购买了版权,文档只能用于自身使用,不得用于其他商业用途(如 [转卖]进行直接盈利或[编辑后售卖]进行间接盈利)。
2、本站所有内容均由合作方或网友上传,本站不对文档的完整性、权威性及其观点立场正确性做任何保证或承诺!文档内容仅供研究参考,付费前请自行鉴别。
3、如文档内容存在违规,或者侵犯商业秘密、侵犯著作权等,请点击“违规举报”。

碎片内容

冲裁、弯曲、拉深力计算

小辰3+ 关注
实名认证
内容提供者

出售各种资料和文档

相关文档

确认删除?
VIP
微信客服
  • 扫码咨询
会员Q群
  • 会员专属群点击这里加入QQ群
客服邮箱
回到顶部