电脑桌面
添加小米粒文库到电脑桌面
安装后可以在桌面快捷访问

拉深毛坯计算公式

拉深毛坯计算公式_第1页
1/10
拉深毛坯计算公式_第2页
2/10
拉深毛坯计算公式_第3页
3/10
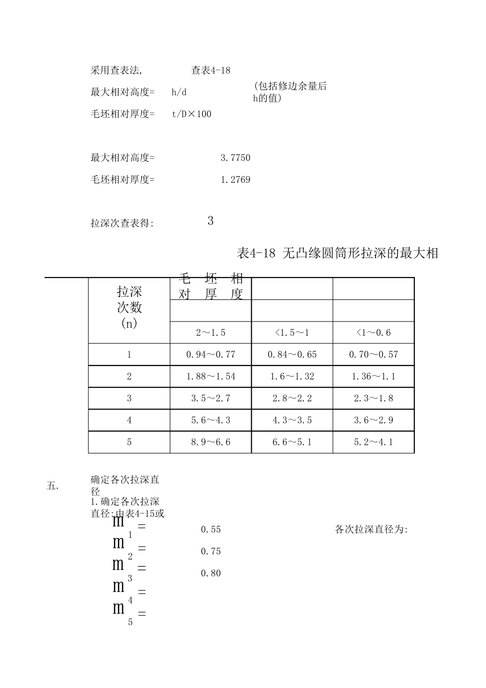
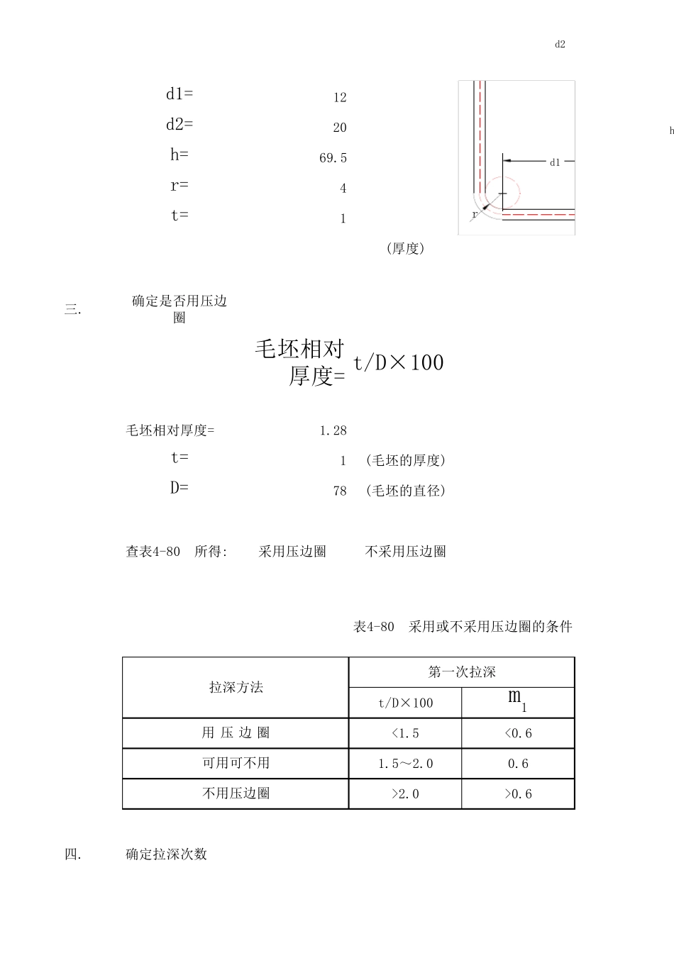
一.1.修边余量查表4-4,h69.5d20h/d=3.48修边余量查表得δ=6>0.5~0.8>0.8~1.6>1.6~2.51.01.21.51.21.6222.53.333.85456.556.3867.5978.510二.2.毛坯直径查表4-7D=毛坯直径 D=78√d1²+4d2h1+6.28rd1+8r²﹥ 20~50﹥ 50~100﹥ 100~150﹥ 150~200﹥ 200~250﹥ 250 表4-4 无 凸 缘 圆 筒 形 拉 深 件 的 修边余量δ工 件 高 度 h工 件 的 相 对 高 度 h/d圆 筒 形 件 的 拉 深 工≤ 10﹥ 10~20d2d1hd1=12d2=20h=69.5r=4t=1(厚度)三.确定是否用压边圈毛坯相对厚度= t/D×100毛坯相对厚度=1.28t=1(毛坯的厚度)D=78(毛坯的直径)查表4-80 所得:采用压边圈不采用压边圈t/D×100m1<1.5<0.61.5~2.00.6>2.0>0.6四.确定拉深次数用 压 边 圈可用可不用不用压边圈表4-80 采用或不采用压边圈的条件拉深方法第一次拉深d2d1rh采用查表法,查表4-18最大相对高度=h/d(包括修边余量后h的值)毛坯相对厚度=t/D×100最大相对高度=3.7750毛坯相对厚度=1.2769拉深次查表得:3毛 坯 相对 厚 度2~1.5<1.5~1<1~0.610.94~0.770.84~0.650.70~0.5721.88~1.541.6~1.321.36~1.133.5~2.72.8~2.22.3~1.845.6~4.34.3~3.53.6~2.958.9~6.66.6~5.15.2~4.1五.确定各次拉深直径1.确定各次拉深直径:由表4-15或m 1 =0.55各次拉深直径为:m 2 =0.75m 3 =0.80m 4 =m 5 =拉深次数(n)表4-18 无凸缘圆筒形拉深的最大相最大相对高度=3.7750毛坯相对厚度=1.27692~1.5<1.5~1.0<1.0~0.6m10.48~0.500.50~0.530.53~0.55m20.73~0.750.75~0.760.76~0.78m30.76~0.780.78~0.790.79~0.80m40.78~0.800.80~0.810.81~0.82m50.80~0.820.82~0.840.84~0.85m1m2m30.40.900.92—0.60.850.90—0.80.800.88—1.00.750.800.901.50.650.750.842.00.600.750.802.50.550.750.80材料相对厚度t/D×100各 次 拉 深表4-15 无凸缘筒形件用压边圈拉深时拉深系数毛 坯 相 对 厚 度表4-16 无凸缘筒形件不用压边圈拉深3.00.530.750.803以上0.500.700.75六.r凹=0.8√r凹=(0.6~即半成品底部的圆角半径为:r1=5.93652481r2=3.281537559r3=0r4=0r5=#REF!七.选取各次拉深高度1.由表4-19的有关公试计算得h1=27.50h2=40.84497448h3=h4=h5=选取各次半成品底部的圆角半径>2.5~422.5468101112拉深工序计算附 图d2d1hh1δhdt/dn 1×100mn<1<0.81~1.50.8>1.5>0.8件第二次拉深d2d1hh1<0.6~0.3<0.3~0.15<0.15~0.080.62~0.50.52~0.450.46~0.381.13~0.940.96~0.830.9~0.71.9~1.51.6~1.31.3~1.12.9~2.42.4~2.02.0~1.54.1~3.33.3~2.72.7~2.0d1 =43.07d2 =32.31d3 =25.84d4 =0.00d5 =0.00最大相对高度 h/d<0.6~0.3<0.3~0.15<0.15~0.080.55~0.580.58~0.600.60~0.630.78~0.790.79~0.800.80~0.820.80~0.810.81~0.820.82~0.840.82~0.830.83~0.850.85~0.860.85~0.860.86~0.870.87~0.88m4m5m6————————————0.870.90—0.840.870.900.840.870.90拉 深 系 数拉深时的拉深系数厚 度 t/D×100圈拉深时的拉深系数0.840.870.900.780.820.85

1、当您付费下载文档后,您只拥有了使用权限,并不意味着购买了版权,文档只能用于自身使用,不得用于其他商业用途(如 [转卖]进行直接盈利或[编辑后售卖]进行间接盈利)。
2、本站所有内容均由合作方或网友上传,本站不对文档的完整性、权威性及其观点立场正确性做任何保证或承诺!文档内容仅供研究参考,付费前请自行鉴别。
3、如文档内容存在违规,或者侵犯商业秘密、侵犯著作权等,请点击“违规举报”。

碎片内容

拉深毛坯计算公式

小辰5+ 关注
实名认证
内容提供者

出售各种资料和文档

相关文档

确认删除?
VIP
微信客服
  • 扫码咨询
会员Q群
  • 会员专属群点击这里加入QQ群
客服邮箱
回到顶部