电脑桌面
添加小米粒文库到电脑桌面
安装后可以在桌面快捷访问

中考物理一诊试卷试卷VIP免费

中考物理一诊试卷试卷_第1页
1/26
中考物理一诊试卷试卷_第2页
2/26
中考物理一诊试卷试卷_第3页
3/26
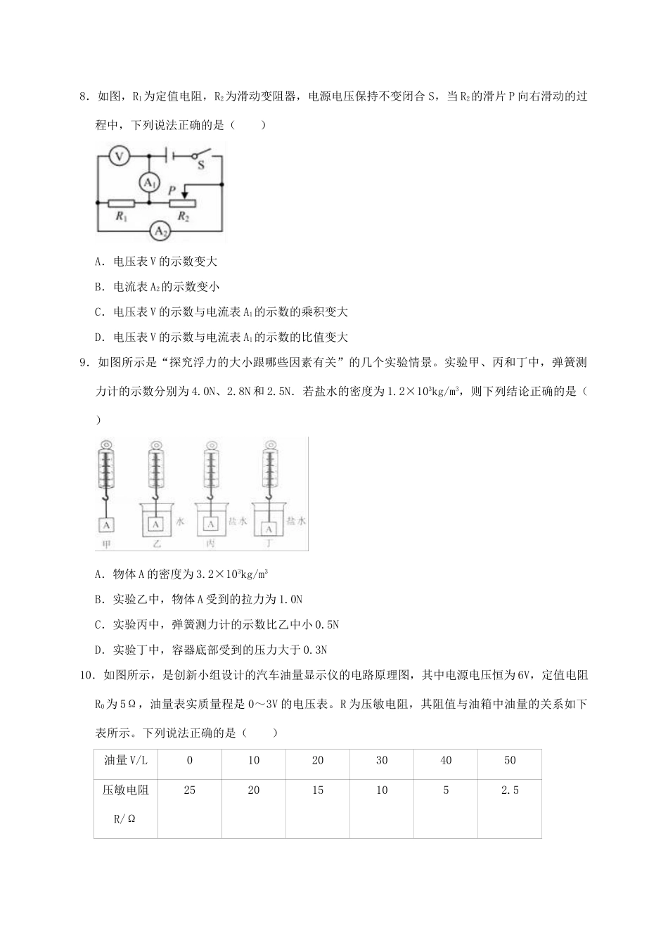
四川省达州市开江县中考物理一诊试卷一、选择题(共10小题,每小题2分,满分20分)1.下列数值最接近实际情况的是()A.洗澡水的温度约为70℃B.一部手机的质量约为1kgC.普通居民楼每层高约为5mD.声音在空气中的传播速度约为340m/s2.如图所示的光现象中,由于光的反射形成的是()A.手在屏幕上形成的手影B.鸟巢在水中形成的倒影C.人透过水球成的像D.勺柄好像在水面处折断3.下列实例中,属于做功改变物体内能的是()A.锯木头时的锯条温度升高B.加入冰块的饮料温度降低C.倒入热牛奶的杯子温度升高D.放入冷水中的热鸡蛋温度降低4.下列各项中,小磁针N极的指向和通电螺线管的磁感线方向均正确的是()A.B.C.D.5.在“探究凸透镜成像规律”的实验中,当点燃的蜡烛、凸透镜及光屏处于图所示位置时,在光屏上得到烛焰清晰的像。下列说法中正确的是()A.光屏上成倒立、缩小的实像B.图中成像特点与照相机的成像特点相同C.透镜不动,蜡烛向左移动,光屏向右移动,可再次得到清晰的像D.透镜不动,将蜡烛与光屏互换位置,光屏上仍能得到清晰的像6.如图所示的电路中,电源电压保持不变,闭合开关S,灯泡L发光。移动滑动变阻器的滑片P,下列说法正确的是()A.向右移动滑片P,电流表示数减小,电压表示数增大B.向右移动滑片P,电流表示数增大,电压表示数减小C.向左移动滑片P,电流表示数减小,电压表示数减小D.向左移动滑片P,电流表示数增大,电压表示数增大7.关于如图所示实验,下列说法正确的是()A.用该装置可探宄“让通电导体在磁场中动起来”B.法拉第根据该实验揭示的原理发明了电动机C.导体ab竖直向上运动时,灵敏电流表指针偏转D.导体ab水平向左运动时,灵敏电流表指针偏转8.如图,R1为定值电阻,R2为滑动变阻器,电源电压保持不变闭合S,当R2的滑片P向右滑动的过程中,下列说法正确的是()A.电压表V的示数变大B.电流表A2的示数变小C.电压表V的示数与电流表A1的示数的乘积变大D.电压表V的示数与电流表A1的示数的比值变大9.如图所示是“探究浮力的大小跟哪些因素有关”的几个实验情景。实验甲、丙和丁中,弹簧测力计的示数分别为4.0N、2.8N和2.5N.若盐水的密度为1.2×103kg/m3,则下列结论正确的是()A.物体A的密度为3.2×103kg/m3B.实验乙中,物体A受到的拉力为1.0NC.实验丙中,弹簧测力计的示数比乙中小0.5ND.实验丁中,容器底部受到的压力大于0.3N10.如图所示,是创新小组设计的汽车油量显示仪的电路原理图,其中电源电压恒为6V,定值电阻R0为5Ω,油量表实质量程是0~3V的电压表。R为压敏电阻,其阻值与油箱中油量的关系如下表所示。下列说法正确的是()油量V/L01020304050压敏电阻R/Ω2520151052.5A.油箱油量增多时,压敏电阻R的阻值变大B.电压表示数为3V时,油箱中的油量为50LC.油箱中的油量为20L时,R0两端的电压为1.5VD.油箱中油量减少时,电路消耗电能的总功率变大二、填空题(共11小题,每空1分,共22分)11.宋词《解语花•上元》中写到“箫鼓喧,人影参差,满路飘香麝”,其中“箫鼓喧”是由于发声体的产生的,“满路飘香麝“是由于分子在不停地做。12.每年6月6日是全国“爱眼日”。图中表示近视眼的是图(选填“甲”或“乙”),近视眼应配戴透镜制成的眼镜进行矫正。13.如图所示,用相同的滑轮安装成甲、乙两种装置,分别用FA、FB匀速提升重力为GA、GB的A、B两物体,不计绳重和摩擦。若GA>GB,则η甲η乙;若FA=FB,则GAGB.(选填“>”、“<”或“=”)14.如图所示,是某种电热器的电路图,电源电压220V,R1、R2的阻值分别为11Ω、22Ω,通过旋转扇形开关S,接触不同触点,实现高、中、低三个档位的转换,电热器在低温工作时的电功率是W,在高温档工作1min产生的热量是J。15.图甲所示的铁块重力G=4N,被吸附在竖直放置且足够长的磁性平板上,当它在竖直方向上拉力F=6N的作用下向上运动时,铁块受到的摩擦力为N;铁块此时速度v与时间t的关系图象如图乙所示,则4s内拉力F做功是J。16.如图所示,沿斜面把质量为12kg的一个物体匀速拉到最高处,沿斜面向上的拉力是F=100N,斜面长2m、高1m,则其机械效率是...

1、当您付费下载文档后,您只拥有了使用权限,并不意味着购买了版权,文档只能用于自身使用,不得用于其他商业用途(如 [转卖]进行直接盈利或[编辑后售卖]进行间接盈利)。
2、本站所有内容均由合作方或网友上传,本站不对文档的完整性、权威性及其观点立场正确性做任何保证或承诺!文档内容仅供研究参考,付费前请自行鉴别。
3、如文档内容存在违规,或者侵犯商业秘密、侵犯著作权等,请点击“违规举报”。

碎片内容

中考物理一诊试卷试卷

雨丝书吧+ 关注
实名认证
内容提供者

乐于和他人分享知识,从事历史教学,热爱教育,高度负责。

相关文档

确认删除?
VIP
微信客服
  • 扫码咨询
会员Q群
  • 会员专属群点击这里加入QQ群
客服邮箱
回到顶部