电脑桌面
添加小米粒文库到电脑桌面
安装后可以在桌面快捷访问

国IV故障代码表VIP免费

国IV故障代码表_第1页
1/6
国IV故障代码表_第2页
2/6
国IV故障代码表_第3页
3/6
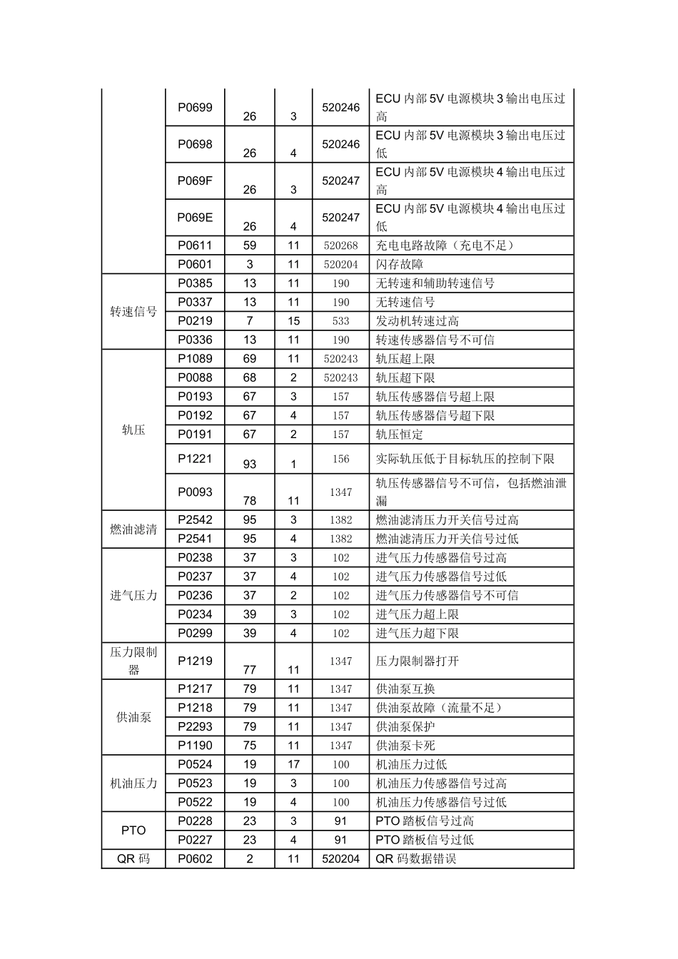
显示的闪码和故障代码类别诊断项目故障代码闪码FMISPN解释油门信号P012322391油门1信号过高P012222491油门1信号过低P022322391油门2信号过高P02222291546油门2信号过低SCVP06297431347SCV+短路到电源;SCV-短路到电源P06277551347SCV+/-开路或短路到地。SCV线圈短路或开路P06287441347SCV线圈短路喷油器P2148573520216COM1输出短接到电源;TWV1、3、5输出短路到电源P2151583520216COM2输出短接到电源;TWV2、4、6输出短路到电源P2147574520216COM1短路到地;TWV1/3/5输出短路到地P2150584520216COM2短路到地;TWV1/3/5输出短路到地P2146573520214COM1输出开路(TWV1/3/5都开路)P2149583520214COM2输出开路(TWV2/4/6都开路)P0201513520216喷油器1线圈开路P0205545520216喷油器2线圈开路P0203525520216喷油器3线圈开路P0206565520216喷油器4线圈开路P0202535520216喷油器5线圈开路P0204555520216喷油器6线圈开路CAN通讯U0073920522000CAN1节点错误U1001920522001CAN2节点错误P0000911520194ABS的CAN线开路P0000911520194ACC的CAN线开路P0000911520194ASC的CAN线开路P0000911520194AT的CAN线开路U1155920522009DCU的CAN线开路P0000911520194MAUTO的CAN线开路U0155920522006METER的CAN线开路离合器开关P07044112598离合器开关故障巡航开关P156543111633巡航开关故障电子风扇P06929031071电子风扇短路到电源P06919041071电子风扇短路到地或开路P049390111071电子风扇控制失效排气制动P16822834000排气制动MV1输出短路到电源P16812844000排气制动MV1输出短路到地或开路进油阻尼阀P02636111520216进油阻尼阀1常开P02756411520216进油阻尼阀2常开P02696211520216进油阻尼阀3常开P02786611520216进油阻尼阀4常开P02666311520216进油阻尼阀5常开P02726511520216进油阻尼阀6常开凸轮轴P03421211636凸轮轴传感器无脉冲P03411211636凸轮轴位置传感器(CMP)信号不可信预热继电器P0542253729预热继电器输出开路或短路到电源P0541254729预热继电器输出短路到地开关信号P21634252970怠速开关一直打开P21094262970怠速开关一直关闭P15304611520200发动机停车开关始终关闭P08504711604空挡开关故障ECU内部电路P0606311520204主CPU错误P0686541485主继电器故障,主继电器一直粘合P0200593520214充电电路故障(充电过量)P2229153108大气压力传感器信号过高P2228154108大气压力传感器信号过低P2227152108大气压力不可信P0607311520204CPU故障;看门狗IC故障P0073163171大气温度传感器信号过高P0072164171大气温度传感器信号过低P137826//系统电压过低P137926//系统电压过高P0643263520244ECU内部5V电源模块1输出电压过高P0642264520244ECU内部5V电源模块1输出电压过低P0653263520245ECU内部5V电源模块2输出电压过高P0652264520245ECU内部5V电源模块2输出电压过低P0699263520246ECU内部5V电源模块3输出电压过高P0698264520246ECU内部5V电源模块3输出电压过低P069F263520247ECU内部5V电源模块4输出电压过高P069E264520247ECU内部5V电源模块4输出电压过低P06115911520268充电电路故障(充电不足)P0601311520204闪存故障转速信号P03851311190无转速和辅助转速信号P03371311190无转速信号P0219715533发动机转速过高P03361311190转速传感器信号不可信轨压P10896911520243轨压超上限P0088682520243轨压超下限P0193673157轨压传感器信号超上限P0192674157轨压传感器信号超下限P0191672157轨压恒定P1221931156实际轨压低于目标轨压的控制下限P009378111347轨压传感器信号不可信,包括燃油泄漏燃油滤清P25429531382燃油滤清压力开关信号过高P25419541382燃油滤清压力开关信号过低进气压力P0238373102进气压力传感器信号过高P0237374102进气压力传感器信号过低P0236372102进气压力传感器信号不可信P0234393102进气压力超上限P0299394102进气压力超下限压力限制器P121977111347压力限制器打开供油泵P121779111347供油泵互换P121879111347供油泵故障(流量不足)P229379111347供油泵保护P119075111347供油泵卡死机油压力P05241917100机油压力过低P0523193100机油压力传感器信号过高P0522194100机油压力传感器信号...

1、当您付费下载文档后,您只拥有了使用权限,并不意味着购买了版权,文档只能用于自身使用,不得用于其他商业用途(如 [转卖]进行直接盈利或[编辑后售卖]进行间接盈利)。
2、本站所有内容均由合作方或网友上传,本站不对文档的完整性、权威性及其观点立场正确性做任何保证或承诺!文档内容仅供研究参考,付费前请自行鉴别。
3、如文档内容存在违规,或者侵犯商业秘密、侵犯著作权等,请点击“违规举报”。

碎片内容

国IV故障代码表

您可能关注的文档

确认删除?
VIP
微信客服
  • 扫码咨询
会员Q群
  • 会员专属群点击这里加入QQ群
客服邮箱
回到顶部