电脑桌面
添加小米粒文库到电脑桌面
安装后可以在桌面快捷访问

机电运输专业最新煤矿安全生产标准化各专业评分表合集VIP免费

机电运输专业最新煤矿安全生产标准化各专业评分表合集_第1页
1/17
机电运输专业最新煤矿安全生产标准化各专业评分表合集_第2页
2/17
机电运输专业最新煤矿安全生产标准化各专业评分表合集_第3页
3/17
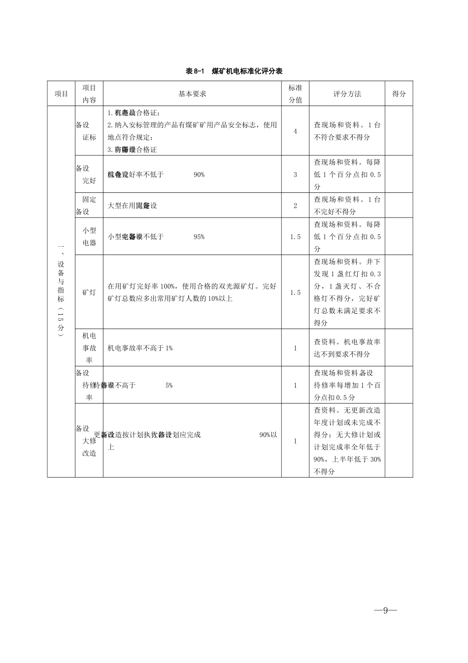
表8-1煤矿机电标准化评分表项目项目内容基本要求标准分值评分方法得分一、设备与指标(15分)设备证标1.机电设备有产品合格证;2.纳入安标管理的产品有煤矿矿用产品安全标志,使用地点符合规定;3.防爆设备有防爆合格证4查现场和资料。1台不符合要求不得分设备完好机电设备综合完好率不低于90%3查现场和资料。每降低1个百分点扣0.5分固定设备大型在用固定设备完好2查现场和资料。1台不完好不得分小型电器小型电器设备完好率不低于95%1.5查现场和资料。每降低1个百分点扣0.5分矿灯在用矿灯完好率100%,使用合格的双光源矿灯。完好矿灯总数应多出常用矿灯人数的10%以上1.5查现场和资料。井下发现1盏红灯扣0.3分,1盏灭灯、不合格灯不得分,完好矿灯总数未满足要求不得分机电事故率机电事故率不高于1%1查资料。机电事故率达不到要求不得分设备待修率设备待修率不高于5%1查现场和资料。设备待修率每增加1个百分点扣0.5分设备大修改造设备更新改造按计划执行,设备大修计划应完成90%以上1查资料。无更新改造年度计划或未完成不得分;无大修计划或计划完成率全年低于90%,上半年低于30%不得分—9—项目项目内容基本要求标准分值评分方法得分二、煤矿机械(20分)主提升(立斜井绞车)系统1.提升系统能力满足矿井安全生产需要;2.各种安全保护装置符合《煤矿安全规程》规定;3.立井提升装置的过卷过放、提升容器和载荷等符合《煤矿安全规程》规定;4.提升装置、连接装置及提升钢丝绳符合《煤矿安全规程》规定;5.制动装置可靠,副井及负力提升的系统使用可靠的电气制动;6.立井井口及各水平阻车器、安全门、摇台等与提升信号闭锁;7.提升速度大于3m/s的立井提升系统内,安设有防撞梁和缓冲托罐装置;单绳缠绕式双滚筒绞车安设有地锁和离合器闭锁;8.斜井提升制动减速度达不到要求时应设二级制动装置;9.提升系统通信、信号装置完善,主副井绞车房有能与矿调度室直通电话;10.上、下井口及各水平安设有摄像头,机房有视频监视器;11.机房安设有应急照明装置;12.使用低耗、先进、可靠的电控装置;13.主井提升宜采用集中远程监控,可不配司机值守,但应设图像监视,并定时巡检5查现场和资料。第1~9项提人绞车1处不符合要求“煤矿机械”大项不得分,其他绞车不符合要求1处扣1分,第10、11项不符合要求1处扣0.5分,其他项不符合要求1处扣0.1分主提升(带式输送机)系统1.钢丝绳牵引带式输送机:⑴运输能力满足矿井、采区安全生产需要,人货不混乘,不超速运人;⑵各种保护装置符合《煤矿安全规程》规定;⑶在输送机全长任何地点装设便于搭乘人员或其他人员操作的紧急停车装置;⑷上、下人地点设声光信号、语音提示和自动停车装置,卸煤口及终点下人处设有防止人员坠入及进入机尾的安全设施和保护;⑸上、下人和装、卸载处装设有摄像头,机房有视频监视器;⑹输送带、滚筒、托辊等材质符合规定,滚筒、托辊转动灵活,带面无损坏、漏钢丝等现象;⑺机房安设有与矿调度室直通电话;⑻使用低耗、先进、可靠的电控装置;⑼采用集中远程监控,实现无人值守4查现场和资料。第⑴~⑸项提人带式输送机1处不符合要求扣4分,其他带式输送机1处不符合要求扣1分,第⑹、⑺项1处不符合要求扣0.5分,其他项1处不符合要求扣0.1分—10—项目项目内容基本要求标准分值评分方法得分2.滚筒驱动带式输送机:⑴运输能力满足矿井、采区安全生产需要;⑵电动机保护齐全可靠;⑶装设有防滑、防跑偏、防堆煤、防撕裂和输送带张紧力下降保护装置,以及温度、烟雾监测和自动洒水装置;⑷上运运输机装设防逆转和制动装置,下运运输机装设有软制动装置且装设防超速装置;⑸减速器与电动机采用软连接或采用软启动控制,液力偶合器不使用可燃性传动介质(调速型液力偶合器不受此限);⑹输送带、滚筒、托辊等材质符合规定,滚筒、托辊转动灵活,带面无损坏、漏钢丝等现象;⑺倾斜井巷使用的钢丝绳芯输送机有钢丝绳芯及接头状态检测装备;⑻钢丝绳芯输送机设有沿线紧急停车、闭锁装置,装、卸载处设有摄像头;⑼机头、机尾及搭接处设有照明,转动部位设有防护栏和警示牌,行人跨越处设有过桥;⑽连续运输系统安设有连锁、闭锁控制装...

1、当您付费下载文档后,您只拥有了使用权限,并不意味着购买了版权,文档只能用于自身使用,不得用于其他商业用途(如 [转卖]进行直接盈利或[编辑后售卖]进行间接盈利)。
2、本站所有内容均由合作方或网友上传,本站不对文档的完整性、权威性及其观点立场正确性做任何保证或承诺!文档内容仅供研究参考,付费前请自行鉴别。
3、如文档内容存在违规,或者侵犯商业秘密、侵犯著作权等,请点击“违规举报”。

碎片内容

机电运输专业最新煤矿安全生产标准化各专业评分表合集

您可能关注的文档

确认删除?
VIP
微信客服
  • 扫码咨询
会员Q群
  • 会员专属群点击这里加入QQ群
客服邮箱
回到顶部