电脑桌面
添加小米粒文库到电脑桌面
安装后可以在桌面快捷访问

标准化工地策划书VIP专享VIP免费

标准化工地策划书_第1页
1/53
标准化工地策划书_第2页
2/53
标准化工地策划书_第3页
3/53
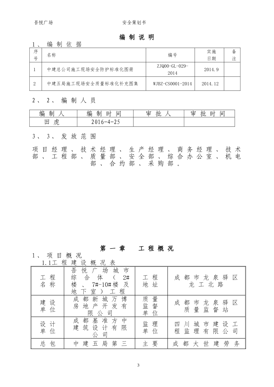
1吾悦广场安全策划书标准化工地策划书(吾悦广场项目)文件编号:发放编号:受控状态:2吾悦广场安全策划书发布日期:二○一六年四月执行日期:二○一六年四月中建五局第三建设有限公司3吾悦广场安全策划书编制说明1、编制依据序号名称编号实施日期备注1中建总公司施工现场安全防护标准化图册ZJQ00-GL-029-20142014.92中建五局施工现场安全质量标准化补充图集WJBZ-CS0001-20142014.122、2、编制人员编制人编制时间审批人审批时间田虎2016-4-253、3、发放范围项目经理、技术经理、生产经理、商务经理、技术部、工程部、质量部、安全部、综合办公室、机电部、合约部、采购部。第一章工程概况1、项目概况1.1工程建设概况表工程名称吾悦广场城市综合体(2#楼、7#-10#楼及地下室)工程工程地址成都市龙泉驿区龙工北路建设单位成都新城万博房地产开发有限公司质量监督单位成都市龙泉驿区质量监督站设计单位成都基准方中建筑设计有限公司监理单位四川城市建设工程监理有限公司总包中建五局第三主要成都大世建劳务4吾悦广场安全策划书单位建设有限公司分包单位有限公司四川华新建筑劳务有限公司开工日期2016年3月31日竣工日期2017年9月11日合同工期530天合同额310,331,845.43元工程类型住宅、商业安全目标省、市安全文明标化工地2、项目现场概况目前本工程已完成临建办公区及工人区建设,其内容包括如下:名称工作内容办公区1、前期临时办公室使用阻燃式集装箱2、后期办公室搬入主体内生活区将不设置管理人员与作业人员生活区;管理人员生活区由项目组织在外租房;作业人员生活区由劳务自行解决。其中管理人员办公区集装箱,集装箱材料燃烧性能均能达到A级(不燃材料)。第二章标准化材料计划根据本工程实际情况,本工程标准化材料计划如下表:名称型号数量应用部位标示标牌1号1现场大门围墙内标示标牌2号2场地施工大门右侧标示标牌3号60各栋塔楼外架每面一个,悬挂于外架外里面大横杆上标示标牌4号150施工现场升降机防护栏杆、外架首层周边外立面大横杆上、安全通道口标示标牌5号1700每层外架内侧面向主体,挑架首层悬挂于4号处架体内侧大横杆上,其余各层与手层位置一致,每栋设4层标示标牌6号20安全通道及斜道出入口标示标牌7号30库房及木工加工棚标示标牌8号60卸料平台面对主体防护栏杆内侧(每栋4个卸料平台)标示标牌9号、10号1704临边作业处、高空作业处(已搭设临边防护的悬挂于临边防护最上边横杆上,还未搭设邻边防护的悬挂于外架大横杆上,北区楼每层设4块,南区每层设6块。5吾悦广场安全策划书标示标牌12号1550施工现场边长大于1500mm的临边防护处标示标牌13号1500基坑临边、楼层临边、阳台临边、屋面临边防护上(与9#、10#悬挂在一起)标示标牌14号800土方开挖后坑槽回填前,坑槽边防护栏杆内侧标示标牌15号25一、二级配电箱旁标示标牌16号50地下埋设电缆处标示标牌17号40钢筋加工棚、木工棚、搅拌机处安全标牌10临时道路两侧,施工作业面项目负责人带班公示牌1办公区内栋号、楼层标识牌336外架醒目位置安全生产计时牌1办公区内危险源公示牌11#大门处危险性较大工程牌1办公区内安全生产计时牌1办公区安全教育讲评台1办公区前凉茶亭2办公区前现场消防箱4放于安全教育讲平台旁安全警示镜11#大门处电梯井口防护门1.5米高(方式一)700每个电梯门洞每层一扇临边防护14塔吊、人货电梯基础防护(每台塔吊、人货电梯基础一套)组装式防护栏杆水平洞口防护施工电梯防护门297每个施工电梯每层一个钢筋与木工加工棚8安全通道6每栋一个与大门入口处一个电梯防护棚9每栋一个一级箱防护棚2活动板房,A级防火材料二级箱防护棚6工具式防护棚卸料平台20每栋楼4个塔吊防护及告示牌5每个塔吊一个电梯防护及公示牌9每个电梯一个现场围挡1500消防器材1200消火栓350第三章施工现场标准化实施方法第一节基础施工阶段1、现场围挡:1.1靠近一局部位使用钢管搭设,并挂设密目网,高6吾悦广场安全策划书度在1.8m以上;标准化平面布置图编号为?。(如图)7吾悦广场安全策划书8吾悦广场安全策划书1.2基坑北侧与东侧前期将不进行围挡;与宜兴交界处,因宜兴建工项目地下室与我项目地下室不连通,也不进行围挡。2、...

1、当您付费下载文档后,您只拥有了使用权限,并不意味着购买了版权,文档只能用于自身使用,不得用于其他商业用途(如 [转卖]进行直接盈利或[编辑后售卖]进行间接盈利)。
2、本站所有内容均由合作方或网友上传,本站不对文档的完整性、权威性及其观点立场正确性做任何保证或承诺!文档内容仅供研究参考,付费前请自行鉴别。
3、如文档内容存在违规,或者侵犯商业秘密、侵犯著作权等,请点击“违规举报”。

碎片内容

标准化工地策划书

确认删除?
VIP
微信客服
  • 扫码咨询
会员Q群
  • 会员专属群点击这里加入QQ群
客服邮箱
回到顶部