电脑桌面
添加小米粒文库到电脑桌面
安装后可以在桌面快捷访问

阀门型号表示含义VIP免费

阀门型号表示含义_第1页
1/5
阀门型号表示含义_第2页
2/5
阀门型号表示含义_第3页
3/5
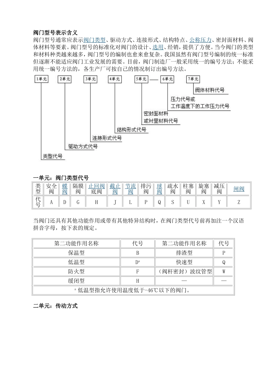
阀门型号表示含义阀门型号通常应表示阀门类型、驱动方式、连接形式、结构特点、公称压力、密封面材料、阀体材料等要素。阀门型号的标准化对阀门的设计、选用、经销,提供了方便。当今阀门的类型和材料种类越来越多,阀门型号的编制也愈来愈复杂。我国虽然有阀门型号编制的统一标准但逐渐不能适应阀门工业发展的需要。目前,阀门制造厂一般采用统一的编号方法;不能采用统一编号方法的,各生产厂可按自己的情况制订出编号方法。一单元:阀门类型代号当阀门还具有其他功能作用或带有其他特异结构时,在阀门类型代号前再加注一个汉语拼音字母,按下表的规定。第二功能作用名称代号第二功能作用名称代号保温型B排渣型P低温型Da快速型Q防火型F(阀杆密封)波纹管型W缓闭型H——a低温型指允许使用温度低于-46℃以下的阀门。二单元:传动方式类型安全阀蝶阀隔膜阀止回阀底阀截止阀节流阀排污阀球阀疏水阀柱塞阀旋塞阀减压阀闸阀代号ADGHJLPQSUXYZ安全阀、减压阀、疏水阀、手轮直接连接阀杆操作结构形式的阀门,本代号省略,不表示;对于气动或液动机构操作的阀门:常开式用6K、7K表示;常闭式用6B、7B表示;防爆电动装置的阀门用9B表示。三单元:连接型式四单元:结构型式阀门结构形式用阿拉伯数字表示,按下表规定。闸阀结构形式代号结构形式代号阀杆升降式(明杆)楔式闸板弹性闸板0刚性闸板单闸板1双闸板2平行式闸板单闸板3双闸板4阀杆非升降式(暗杆)楔式闸板单闸板5双闸板6平行式闸板单闸板7双闸板8截止阀、节流阀和柱塞阀结构形式代号结构形式代号结构形式代号阀瓣非平衡式直通流道1阀瓣平衡式直通流道6Z形流道2角式流道7三通流道3——角式流道4——直流流道5——球阀结构形式代号结构形式代号结构形式代号传动方式电磁动电磁-液动电-液动蜗轮正齿轮伞齿轮气动液动气-液动电动手柄手轮代号0123456789无代号连接方式内螺纹外螺纹两不同连接法兰焊接对夹卡箍卡套代号12346789浮动球直通流道1固定球直通流道7Y形三通流道2四通流道6L形三通流道4T形三通流道8T形三通流道5L形三通流道9——半球直通0蝶阀结构形式代号结构形式代号结构形式代号密封型单偏心0非密封型单偏心5中心垂直板1中心垂直板6双偏心2双偏心7三偏心3三偏心8连杆机构4连杆机构9隔膜阀结构形式代号结构形式代号结构形式代号屋脊流道1直通流道6直流流道5Y形角式流道8旋塞阀结构形式代号结构形式代号结构形式代号填料密封直通流道3油密封直通流道7T形三通流道4T形三通流道8四通流道5——止回阀结构形式代号结构形式代号结构形式代号升降式阀瓣直通流道1旋启式阀瓣单瓣结构4立式结构2多瓣结构5角式流道3双瓣结构6———蝶形止回式7安全阀结构形式代号结构形式代号结构形式代号弹簧载荷弹簧密封结构带散热片全启式0弹簧载荷弹簧不封闭且带扳手结构微启式、双联阀3微启式1微启式7全启式2全启式8带扳手全启式4——杠杆式单杠杆2带控制机构全启式6双杠杆4脉冲式9减压阀结构形式代号结构形式代号结构形式代号薄膜式1波纹管式4弹簧薄膜式2杠杆式5活塞式3——蒸汽疏水阀结构形式代号结构形式代号结构形式代号浮球式1蒸汽压力式或膜盒式6浮桶式3双金属片式7液体或固体膨胀式4脉冲式8钟形浮子式5圆盘热动力式9排污阀结构形式代号结构形式代号结构形式代号液面连接排放截止型直通式1液底间断排放截止型直流式5截止型角式2截止型直通式6——截止型角式7——浮动闸板型直通式8五单元:密封副材料材锡基搪渗18-8氟玻Cr13衬蒙尼渗衬Mo2Ti塑铜橡硬阀料轴承合金巴氏合金氮钢系不锈钢塑料璃不锈钢胶乃尔合金龙塑料硼钢铅不锈钢料合金胶质合金体直接加工代号BCDEFGHJMNPQRSTXYW当密封副的密封面材料不同时,以硬度低的材料代号表示。六单元:公称压力数值用阿拉伯数字直接表示,它是MPa的10倍七单元:阀体材料阀体材料钛及钛合金碳钢Cr13系不锈钢铬钼钢可锻铸铁铝合金18-8系不锈钢球墨铸铁Mo2Ti系不锈钢塑料铜及铜合金铬钼钒钢灰铸铁代号ACHIKLPQRSTVZ灰铸铁底压阀和钢制中压省略此项举例:Z543H-16C伞齿轮传动法兰连接平板闸阀,公称压力1.6MPa,阀体材料为碳钢阀门的命名阀门的名称按传动方式、连接形式、结构形式、衬里材料和类型命名。但...

1、当您付费下载文档后,您只拥有了使用权限,并不意味着购买了版权,文档只能用于自身使用,不得用于其他商业用途(如 [转卖]进行直接盈利或[编辑后售卖]进行间接盈利)。
2、本站所有内容均由合作方或网友上传,本站不对文档的完整性、权威性及其观点立场正确性做任何保证或承诺!文档内容仅供研究参考,付费前请自行鉴别。
3、如文档内容存在违规,或者侵犯商业秘密、侵犯著作权等,请点击“违规举报”。

碎片内容

阀门型号表示含义

您可能关注的文档

确认删除?
VIP
微信客服
  • 扫码咨询
会员Q群
  • 会员专属群点击这里加入QQ群
客服邮箱
回到顶部