电脑桌面
添加小米粒文库到电脑桌面
安装后可以在桌面快捷访问

电缆绝缘电阻测试记录表..VIP免费

电缆绝缘电阻测试记录表.._第1页
1/21
电缆绝缘电阻测试记录表.._第2页
2/21
电缆绝缘电阻测试记录表.._第3页
3/21
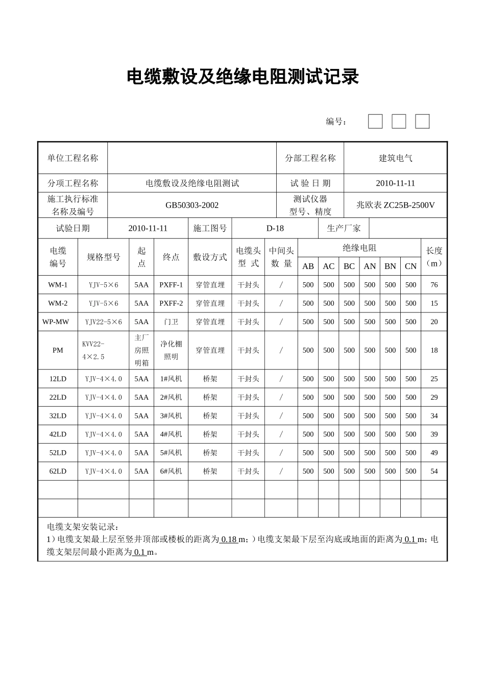
电缆敷设及绝缘电阻测试记录编号:单位工程名称分部工程名称建筑电气分项工程名称电缆敷设及绝缘电阻测试试验日期2010-11-11施工执行标准名称及编号GB50303-2002测试仪器型号、精度兆欧表ZC25B-2500V试验日期2010-11-11施工图号D-18生产厂家电缆编号规格型号起点终点敷设方式电缆头型式中间头数量绝缘电阻长度(m)ABACBCANBNCNWM-1YJV-5×65AAPXFF-1穿管直埋干封头∕50050050050050050076WM-2YJV-5×65AAPXFF-2穿管直埋干封头∕50050050050050050015WP-MWYJV22-5×65AA门卫穿管直埋干封头∕50050050050050050020PMKVV22-4×2.5主厂房照明箱净化棚照明穿管直埋干封头∕5005005005005005001812LDYJV-4×4.05AA1#风机桥架干封头∕5005005005005005002522LDYJV-4×4.05AA2#风机桥架干封头∕5005005005005005002932LDYJV-4×4.05AA3#风机桥架干封头∕5005005005005005003442LDYJV-4×4.05AA4#风机桥架干封头∕5005005005005005003952LDYJV-4×4.05AA5#风机桥架干封头∕5005005005005005004962LDYJV-4×4.05AA6#风机桥架干封头∕50050050050050050054电缆支架安装记录:1)电缆支架最上层至竖井顶部或楼板的距离为0.18m;)电缆支架最下层至沟底或地面的距离为0.1m;电缆支架层间最小距离为0.1m。验收结论施工单位项目专业质量检查员(签名):项目专业技术负责人(签名):2010年11月11日专业监理工程师(签名):(建设单位项目专业技术负责人)年月日电线绝缘电阻测试记录编号:单位工程名称分部工程名称建筑电气分项工程名称电线绝缘电阻测试施工日期2010.施工执行标准名称及编号GB50303-2002项目经理卢晓明测试仪器型号、精度ZC-7试验日期2010-11.8回路编号线路型号、规格、敷设方法绝缘电阻(MΩ)ABACBCANBNCNAPEBPECPENPEAL-PXTR450470470490500480480480500480WL1ZRBV-2.5暗敷480500500WL2ZRBV-2.5暗敷500480500WL3ZRBV-2.5暗敷500500500WL4ZRBV-2.5暗敷490500450WL5BV-0.5-5×2.5暗敷500480490500500WL6YZV22-5×6暗敷500480490500450ZLK.BJQK45047047049050048048048050048012LDYJV-4×4.0暗敷49048049550022LDYJV-4×4.0暗敷50048050047532LDYJV-4×4.0暗敷50048050050042LDYJV-4×4.0暗敷50048047550052LDYJV-4×4.0暗敷45048050050062LDYJV-4×4.0暗敷500480480480验收结论施工单位合格项目专业质量检查员(签名):项目专业技术负责人(签名):2010年11月8日专业监理工程师(签名):(建设单位项目专业技术负责人)年月日电线绝缘电阻测试记录编号:单位工程名称分部工程名称建筑电气分项工程名称电线绝缘电阻测试施工日期2010.施工执行标准名称及编号GB50303-2002项目经理卢晓明测试仪器型号、精度ZC-7试验日期2010-11.8回路编号线路型号、规格、敷设方法绝缘电阻(MΩ)ABACBCANBNCNAPEBPECPENPEPXT-F4504704704905004804804805004801N1ZRBV-2.5暗敷4801N2ZRBV-2.5暗敷4901N3ZRBV-2.5暗敷4701N4ZRBV-2.5暗敷4901N5ZRBV-2.5暗敷4801N6ZRBV-2.5暗敷5005005001N7ZRBV-2.5暗敷470500500PMZRBV-2.5暗敷500PXT-F4504704704905004804804805004802N1ZRBV-2.5暗敷5002N2ZRBV-2.5暗敷5002N3ZRBV-2.5暗敷4902N4ZRBV-2.5暗敷5002N5ZRBV-2.5暗敷5005005002N6ZRBV-2.5暗敷4905005002N7ZRBV-2.5暗敷500500500验收结论施工单位合格项目专业质量检查员(签名):项目专业技术负责人(签名):2010年11月8日专业监理工程师(签名):(建设单位项目专业技术负责人)年月日接地电阻测试记录编号:单位工程名称分部工程名称建筑电气分项工程名称接地电阻测试试验日期2010-10-5施工执行标准名称及编号GB50303-2002项目经理卢晓明施工图号填埋气发电机主厂房D-4测试仪器型号、精度ZC-8测试部位接地性质接地电阻(Ω)测试环境结论设计值实测值温度(℃天气情况室内基础接地<10.330晴合格简图或备注:验收结论施工单位项目专业质量检查员(签名):项目专业技术负责人(签名):2010年10月5日专业监理工程师(签名):(建设单位项目专业技术负责人)年月日接地电阻测试记录编号:单位工程名称分部工程名称建筑电气分项工程名称接地电阻测试试验日期2010-10-5施工执行标准名称及编号GB50303-...

1、当您付费下载文档后,您只拥有了使用权限,并不意味着购买了版权,文档只能用于自身使用,不得用于其他商业用途(如 [转卖]进行直接盈利或[编辑后售卖]进行间接盈利)。
2、本站所有内容均由合作方或网友上传,本站不对文档的完整性、权威性及其观点立场正确性做任何保证或承诺!文档内容仅供研究参考,付费前请自行鉴别。
3、如文档内容存在违规,或者侵犯商业秘密、侵犯著作权等,请点击“违规举报”。

碎片内容

电缆绝缘电阻测试记录表..

慧源书苑+ 关注
实名认证
内容提供者

热爱教育事业,爱好互联网行业

确认删除?
VIP
微信客服
  • 扫码咨询
会员Q群
  • 会员专属群点击这里加入QQ群
客服邮箱
回到顶部