电脑桌面
添加小米粒文库到电脑桌面
安装后可以在桌面快捷访问

钢结构检验批表格(1)VIP免费

钢结构检验批表格(1)_第1页
1/47
钢结构检验批表格(1)_第2页
2/47
钢结构检验批表格(1)_第3页
3/47
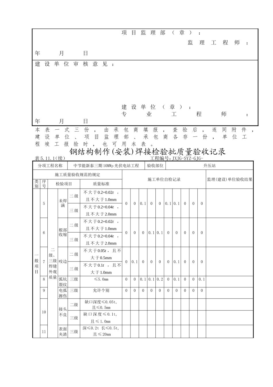
表3.0.12-2钢结构分项工程质量验收记录编号:单位(子单位)工程名称中节能新泰三期10MWp光伏电站工程分部(子分部)工程名称钢结构安装检验批数施工单位项目经理项目技术负责人分包单位分包单位负责人分包项目经理序号检验批及部位、区段施工单位检查结果监理(建设)单位验收结论1钢结构制作(安装)焊接2普通紧固件连接3高强度螺栓连接4钢结构零、部件加工5钢构件(钢梁)组装6钢构件(屋架、桁架)组装7钢构件(多层及高层)安装8钢构件(墙架、檩条)安装9钢构件(钢梯、平台及栏杆)安装10压型金属板11防腐涂料涂装12防火涂料涂装13铝合金门窗安装14特种门安装15门窗玻璃安装16屋面保温层备注施工单位检查结果项目专业质量检查员:项目专业质量(技术)负责人:年月日监理(建设)单位验收结论专业监理工程师:(建设单位项目技术负责人)年月日工程质量报验单表号:LZ1-A-25编号:工程名称中节能新泰三期10MWp光伏电站工程合同编号致中节能新泰三期10MWp光伏电站工程项目监理部:升压站钢结构安装焊接工程(工程编号:)已完成施工任务,并按工程检验划分规定和有关标准、规范要求进行了自检,质量等级为良好,现报请查验。验收时间:验收地点:参加人员:附:承包商(章):技术负责人:年月日项目监理部查验意见:项目监理部(章):监理工程师:年月日建设单位审核意见:建设单位(章):专业工程师:年月日本表一式三份,由承包商填报,查验后,连同附件,建设单位、项目监理部、承包商各存一份,单位工程竣工报验时,也可用本表。钢结构制作(安装)焊接检验批质量验收记录表5.11.1(续)工程编号:JXJG-SYZ-GJG-分项工程名称中节能新泰三期10MWp光伏电站工程验收部位升压站施工质量验收规范的规定施工单位自检记录监理(建设)单位验收结果类别序号检验项目质量标准一般项目5二级、三级焊缝外观质量未焊满二级不大于0.2+0.02t,且不大于1.0mm000.1000.10.1000三级不大于0.2+0.04t,且不大于2.0mm6根部收缩二级不大于0.2+0.02t,且不大于1.0mm0000.10.100000三级不大于0.2+0.04t,且不大于2.0mm7咬边二级不大于0.05t,且不大于0.5mm00.100000.1000三级不大于0.1t,且不大于1.0mm8弧坑裂纹三级≤5.0mm000.10.10.200.1000.19电弧擦伤三级允许个别000000000010接头不良二级缺口深度≤0.05t,且≤0.5mm三级缺口深度≤0.1t,且≤1.0mm11表面夹渣三级深≤0.2t长≤0.5t,且≤20mm12表面气孔三级每50.0mm焊缝长度允许直径≤0.4t,且≤3.0mm数量≤2个,孔距≥6倍孔径13对接焊缝尺寸允许偏差焊缝余高B<20mm一级(0~3)mm二级(0~3)mm三级(0~4)mmB≥20mm一级(0~4)mm二级(0~4)mm三级(0~5)mm14焊缝错边一、二级d<0.15t,且≤2.0mm三级d<0.15t,且≤3.0mm15部分焊透组合焊缝尺寸允许偏差焊脚尺寸hf≤6mm(0~1.5)mmhf>6mm(0~3.0)mm16角焊缝余高hf≤6mm(0~1.5)mmhf>6mm(0~3.0)mm施工单位检查结果项目专业质量检查员:项目专业技术负责人:年月日监理(建设)单位验收结论专业监理工程师:(建设单位项目专业技术负责人)年月日工程质量报验单表号:LZ1-A-25编号:工程名称中节能新泰三期10MWp光伏电站工程合同编号致中节能新泰三期10MWp光伏电站工程项目监理部:升压站钢结构普通紧固件连接工程(工程编号:)已完成施工任务,并按工程检验划分规定和有关标准、规范要求进行了自检,质量等级为良好,现报请查验。验收时间:验收地点:参加人员:附:承包商(章):技术负责人:年月日项目监理部查验意见:项目监理部(章):监理工程师:年月日建设单位审核意见:建设单位(章):专业工程师:年月日本表一式三份,由承包商填报,查验后,连同附件,建设单位、项目监理部、承包商各存一份,单位工程竣工报验时,也可用本表。普通紧固件连接检验批质量验收记录表表5.11.3工程编号:JXJG-SYZ-GJG-单位(子单位)工程名称中节能新泰三期10MWp光伏电站工程分部(子分部)工程名称分项工程名称验收部位升压站施工单位项目经理施工执行标准名称及编号专业工长(施工员)分包单位分包项目经理施工班组长施工质量验收规范的规定施工单位自检记录监理(建设)单位验收结果类别序号检验项目质量标准主控项目1钢结构...

1、当您付费下载文档后,您只拥有了使用权限,并不意味着购买了版权,文档只能用于自身使用,不得用于其他商业用途(如 [转卖]进行直接盈利或[编辑后售卖]进行间接盈利)。
2、本站所有内容均由合作方或网友上传,本站不对文档的完整性、权威性及其观点立场正确性做任何保证或承诺!文档内容仅供研究参考,付费前请自行鉴别。
3、如文档内容存在违规,或者侵犯商业秘密、侵犯著作权等,请点击“违规举报”。

碎片内容

钢结构检验批表格(1)

慧源书苑+ 关注
实名认证
内容提供者

热爱教育事业,爱好互联网行业

确认删除?
VIP
微信客服
  • 扫码咨询
会员Q群
  • 会员专属群点击这里加入QQ群
客服邮箱
回到顶部