电脑桌面
添加小米粒文库到电脑桌面
安装后可以在桌面快捷访问

二维机械滑台设计指导书草稿VIP免费

二维机械滑台设计指导书草稿_第1页
1/25
二维机械滑台设计指导书草稿_第2页
2/25
二维机械滑台设计指导书草稿_第3页
3/25
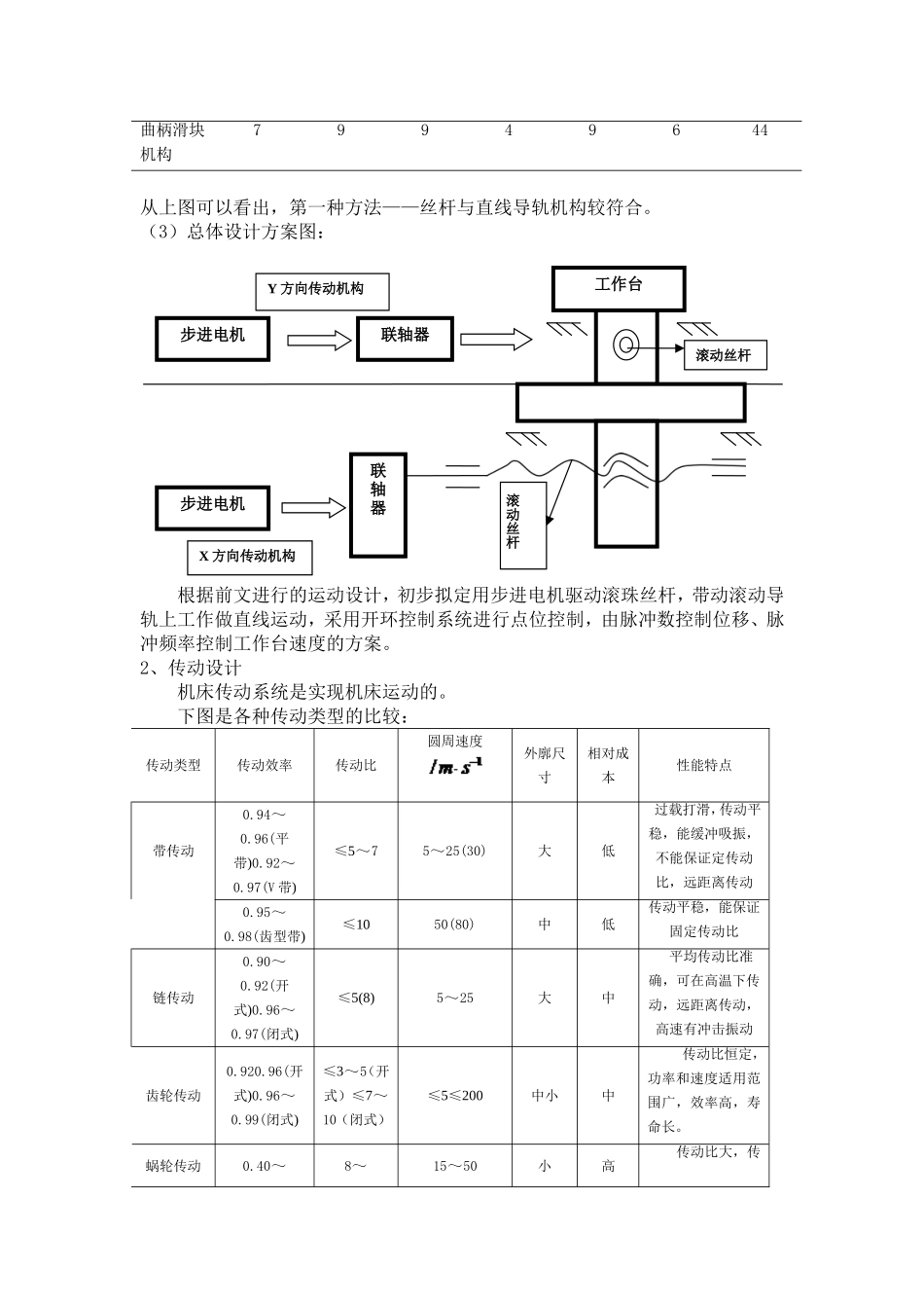
高精度二维机械滑台一、设计任务1、两坐标行程为250mm;2、定位精度±0.01mm;3、响应速度≥1.5m/s^2;4、最高速度12m/min,最低速度1m/min。二、设计工作1、运动设计(1)要实现一个二维平面运动,只需将其分解为两个垂直方向的一维直线运动即可。如图所示:由X方向的直线位移机构带动Y方向的直线位移机构沿X向做直线运动,然后X向直线位移机构不动,Y向直线位移机构在X向直线位移机构上沿Y向运动,这样就实现了XOY平面的二维运动。(2)实现直线运动的主要途径有:(ⅰ)丝杆和直线导轨机构(ⅱ)直线电机(ⅲ)齿轮齿条机构(ⅳ)曲柄滑块机构等方法等四种方法。评分标准(10分制)012345678910不可用差较差勉强可用可用中良较好好优理想各机构的评价分值表性能指标定位精度运动速度承载能力效率经济性行程总分丝杆和直线导轨机构998107952直线电机88787947齿轮齿条机构56958639曲柄滑块机构79949644从上图可以看出,第一种方法——丝杆与直线导轨机构较符合。(3)总体设计方案图:根据前文进行的运动设计,初步拟定用步进电机驱动滚珠丝杆,带动滚动导轨上工作做直线运动,采用开环控制系统进行点位控制,由脉冲数控制位移、脉冲频率控制工作台速度的方案。2、传动设计机床传动系统是实现机床运动的。下图是各种传动类型的比较:传动类型传动效率传动比圆周速度外廓尺寸相对成本性能特点带传动0.94~0.96(平带)0.92~0.97(V带)≤5~75~25(30)大低过载打滑,传动平稳,能缓冲吸振,不能保证定传动比,远距离传动0.95~0.98(齿型带)≤1050(80)中低传动平稳,能保证固定传动比链传动0.90~0.92(开式)0.96~0.97(闭式)≤5(8)5~25大中平均传动比准确,可在高温下传动,远距离传动,高速有冲击振动齿轮传动0.920.96(开式)0.96~0.99(闭式)≤3~5(开式)≤7~10(闭式)≤5≤200中小中传动比恒定,功率和速度适用范围广,效率高,寿命长。蜗轮传动0.40~8~15~50小高传动比大,传滚动丝杆步进电机联轴器步进电机联轴器Y方向传动机构X方向传动机构滚动丝杆工作台0.45(自锁)0.7~0.9(不自锁)80(1000)动平稳,结构紧凑,可实现自锁,效率低螺旋传动0.3~0.6(滑动)≤0.9(滚动)高中低小中传动平稳,能自锁,增力效果好连杆传动高1中小低结构简单,易制造,能传递较大载荷,耐冲击,可远距离传动凸轮传动低中低小高从动件可实现各种运动规律,高副接触磨损较大摩擦轮传动0.85~0.95≤5~7≤15~25大低过载打滑,工作平稳,可在运转中调节传动比依据经验,初步选择导程为5mm的丝杆。根据定位精度要求确定脉冲当量为0.005mm/Hz,步距角选取0.36度。结合式(2.1),计算得传动比为1。(2.1)式中:为步进电机步距角;为脉冲当量;为传动比;为丝杆导程。由于计算得传动比为1,则不需要选用减速箱,直接采用联轴器连接电动机轴与丝杆。3、驱动设计驱动系统:为机械系统正常工作提供动力源、实现能量转换的原动机(或动力机)及其配套装置。大多数原动机采用电动机。按利用的能源分,有热力发动机、水力发动机、风力发动机和电动机等。3.1常用原动机的类型:1)电动机2)液压马达3)气动马达4)内燃机电动机:技术较为成熟,驱动效率高,与被驱动的工作机械连接简便(可用标准联轴器);有多品种和规格,可满足不同类型机械的工作要求;具有良好的调速性能,启动、制动、反向和调速的控制简单可靠,可以实现远距离的测量和控制,便于集中管理和实现生产过程的自动化。价格较低。液压马达:可以获得很大的机械力或转矩,与电动机相比在相同功率时其外形尺寸小、重量轻,因而运动件的惯性小,快速响应的灵敏度高。但是使用液压马达必须具有高压油的供给系统,且对液压元件的制造和装配精度要求较高,容易出现漏油现象而影响工作效率及工作机械的运动精度。价格高。气压马达:使用空气作为工作介质,容易获得;用后可以直接排入大气而无污染,压缩空气可以进行集中供给和远距离输送;动作迅速,反应快,维护简单,成本低;对易燃、易爆、多尘和振动等恶劣工作环境的适应性较好。但是因空气具有可压缩性,气动马达的工作稳定性较差,气动系统的噪声大;工作压力受到一定的限制不能太高,输出的转矩不...

1、当您付费下载文档后,您只拥有了使用权限,并不意味着购买了版权,文档只能用于自身使用,不得用于其他商业用途(如 [转卖]进行直接盈利或[编辑后售卖]进行间接盈利)。
2、本站所有内容均由合作方或网友上传,本站不对文档的完整性、权威性及其观点立场正确性做任何保证或承诺!文档内容仅供研究参考,付费前请自行鉴别。
3、如文档内容存在违规,或者侵犯商业秘密、侵犯著作权等,请点击“违规举报”。

碎片内容

二维机械滑台设计指导书草稿

您可能关注的文档

慧源书苑+ 关注
实名认证
内容提供者

热爱教育事业,爱好互联网行业

确认删除?
VIP
微信客服
  • 扫码咨询
会员Q群
  • 会员专属群点击这里加入QQ群
客服邮箱
回到顶部