电脑桌面
添加小米粒文库到电脑桌面
安装后可以在桌面快捷访问

生产企业安全生产隐患自查清单VIP免费

生产企业安全生产隐患自查清单_第1页
1/11
生产企业安全生产隐患自查清单_第2页
2/11
生产企业安全生产隐患自查清单_第3页
3/11
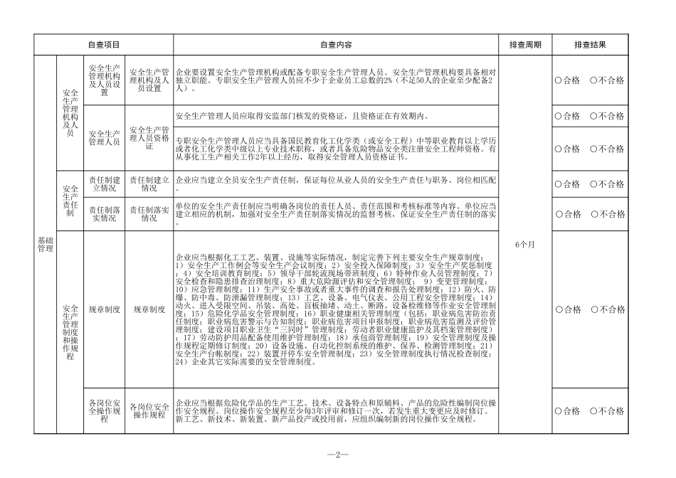
—1—危险化学品生产企业安全生产隐患自查清单单位名称:排查人:排查日期:自查项目自查内容排查周期排查结果营业执照营业执照○合格○不合格○合格○不合格安全标准化○合格○不合格企业应按照国家有关规定对危险化学品进行登记,取得危险化学品登记证书。○合格○不合格消防验收○合格○不合格取得安全条件审查意见、安全设施的设计审查意见、试生产备案文件、竣工验收审查意见。○合格○不合格○合格○不合格○合格○不合格基础管理资质证照依法设立的公司,由公司登记机关发给公司营业执照。公司营业执照签发日期为公司成立日期。公司营业执照应当载明公司的名称、住所、注册资本、实收资本、经营范围、法定代表人姓名等事项。公司营业执照记载的事项发生变更的,公司应当依法办理变更登记,由公司登记机关换发营业执照。6个月安全生产许可证安全生产许可证取得危险化学品安全生产许可证,未取得安全生产许可证的企业,不得从事危险化学品的生产活动。安全标准化新建危化品企业要按照《基本规范》、《通用规范》的要求开展安全生产标准化工作。新设立的危化品生产企业自试生产备案之日起,要在一年内至少达到安全生产标准化三级标准。提出危化品安全生产许可证延期或换证申请的危化品企业,应达到安全生产标准化三级标准以上水平。危险化学品登记证书危险化学品登记证书消防验收(备案)文件生产、储存、装卸易燃易爆危险物品的工厂、仓库和专用车站、码头应取得消防验收合格报告。“三同时”履行情况“三同时”审批文件主要负责人资格证主要负责人资格证主要负责人必须接受专门的安全培训,经安全生产监管监察部门对其安全生产知识和管理能力考核合格,取得安全资格证书后,方可任职。重大危险源备案证重大危险源备案证危险化学品生产企业应当按照国家有关标准,辨识、确定本企业的重大危险源。对已确定的重大危险源,应当有符合国家有关法律、法规、规章和标准规定的检测、评估和监控措施,定期检测、检查,并建立重大危险源检测、检查档案。—2—自查项目自查内容排查周期排查结果○合格○不合格安全生产管理人员应取得安监部门核发的资格证,且资格证在有效期内。○合格○不合格○合格○不合格○合格○不合格○合格○不合格规章制度规章制度○合格○不合格○合格○不合格基础管理安全生产管理机构及人员安全生产管理机构及人员设置安全生产管理机构及人员设置企业要设置安全生产管理机构或配备专职安全生产管理人员。安全生产管理机构要具备相对独立职能。专职安全生产管理人员应不少于企业员工总数的2%(不足50人的企业至少配备2人)。6个月安全生产管理人员安全生产管理人员资格证专职安全生产管理人员应当具备国民教育化工化学类(或安全工程)中等职业教育以上学历或者化工化学类中级以上专业技术职称,或者具备危险物品安全类注册安全工程师资格。有从事化工生产相关工作2年以上经历,取得安全管理人员资格证书。安全生产责任制责任制建立情况责任制建立情况企业应当建立全员安全生产责任制,保证每位从业人员的安全生产责任与职务、岗位相匹配。责任制落实情况责任制落实情况单位的安全生产责任制应当明确各岗位的责任人员、责任范围和考核标准等内容。单位应当建立相应的机制,加强对安全生产责任制落实情况的监督考核,保证安全生产责任制的落实。安全生产管理制度和操作规程企业应当根据化工工艺、装置、设施等实际情况,制定完善下列主要安全生产规章制度:1)安全生产工作例会等安全生产会议制度;2)安全投入保障制度;3)安全生产奖惩制度;4)安全培训教育制度;5)领导干部轮流现场带班制度;6)特种作业人员管理制度;7)安全检查和隐患排查治理制度;8)重大危险源评估和安全管理制度;9)变更管理制度;10)应急管理制度;11)生产安全事故或者重大事件的调查和报告处理制度;12)防火、防爆、防中毒、防泄漏管理制度;13)工艺、设备、电气仪表、公用工程安全管理制度;14)动火、进入受限空间、吊装、高处、盲板抽堵、动土、断路、设备检维修等作业安全管理制度;15)危险化学品安全管理制度;16)职业健康相关管理制度(包括:职业病危害防治责任制...

1、当您付费下载文档后,您只拥有了使用权限,并不意味着购买了版权,文档只能用于自身使用,不得用于其他商业用途(如 [转卖]进行直接盈利或[编辑后售卖]进行间接盈利)。
2、本站所有内容均由合作方或网友上传,本站不对文档的完整性、权威性及其观点立场正确性做任何保证或承诺!文档内容仅供研究参考,付费前请自行鉴别。
3、如文档内容存在违规,或者侵犯商业秘密、侵犯著作权等,请点击“违规举报”。

碎片内容

生产企业安全生产隐患自查清单

您可能关注的文档

确认删除?
VIP
微信客服
  • 扫码咨询
会员Q群
  • 会员专属群点击这里加入QQ群
客服邮箱
回到顶部