电脑桌面
添加小米粒文库到电脑桌面
安装后可以在桌面快捷访问

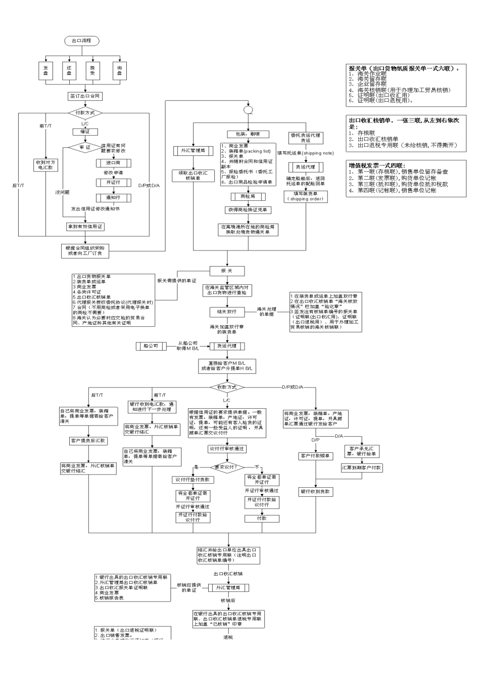
国际贸易业务流程图VIP免费

国际贸易业务流程图_第1页
1/5
国际贸易业务流程图_第2页
2/5
国际贸易业务流程图_第3页
3/5
EMBEDWord.Picture.8下面这些是我在别处看到的,仅供参考,船东单:MASTERBILLOFLOADING货代单:HOUSEBILLOFLOADING(FORWARDERBILLOFLOADING)区别:1、MB/L是船公司出的提单,只要有MB/L,任何人都可以在目的港直接向船公司提货。HB/L是货代基于MB/L出的提单,需要在目的港的指定代理或分公司换取MB/L。!m(u$T/\!x(R2、如果你想预付运费并快捷提货,就出MB/L,还可以省十几美金换单费。如果你想控制货权、运费到付等,你就要出HB/L,或代可以帮你做到这些,当然、不是免费的。)B&i-G!K*G2A7d+{6r3、如果你的货物不是整柜的,而是零散的货物,就一定只能出HB/L,因为船公司是不会帮你拼箱的,到目的港也不会帮你分货。这种情况只能出HB/L。6Sq9K0S,|)T.r~#]4、如果你是做L/C的,但是你在规定的交货期生产不出来,上不了船,那幺你可以选择出HB/L,并且要求货代帮你倒签提单。当然这个也是不正规的做法,所以一般要你出担保函。5、总之、船东单(MB/L)是最基本的物权凭证,但是死板,里面的许多条款你无法左右。例如,深圳有多个码头,YANTIAN/SHEKOU/CHIWAN等等,有些船公司提单的启运港就只能显示具体码头。可是实际上许多客人开过来的L/C是要求启运港显示SHENZHEN,这个问题我碰到好几次了,一不小心就改L/C,要钱的啊。(V7T'~.N1c!E.o.~,G7a货代单(HB/L)就相对灵活许多,可以按照你的要求修改,只要不违背原则就好。并且可以控制货权。但是这个也是它致命的地方,要知道,真正控制物权的是货代公司。所以如果他想勒索你,你是很被动的,你手里的HB/L这时就像一张白纸,目的港不得到通知是不放货的。所以,出货代单(HB/L)一定要找信誉好、有实力的货代公司。4u6o7Z+G$A2Z0wM,Q*S1n-p6G!O如何区分货代单vs船东单?回答:1.一般的货代单B/L编号,不进入海关舱单管理系统,和进口报关单上的提单号不一样;2.货代单B/L上都有换单公司名称和联络方法,而该联络公司不是外代或外运等口岸船代公司。3.货代单一般在页面上有显示asagentofcarrier的字样。船东单则显示为ascarrier.HB/L货代提单和MB/L船东提单区别1.现实中提单是如何运作的呢?比如怎么去做提单,从提单补料到正本提单的流程是什么?---MB/L提单由船公司签发的,HB/L提单由货代签发的。若客户拿到的是HB/L,需要到货代公司去换船东提单,并缴纳一定费用(200元)。原则上,只有持船东的提单才能真正提货。2.consignee在两种情况下该如何指定?----船东提单中的收货人为指定的货代公司货代提单中的收货人为TOORDER或真正收货人。3.如果是FOB情况下,是不是必须要MB/L,否则存在货代放货给customer而收不到钱的风险?--这个问题问的比较奇怪。双方的付款方式是什么?若是信用证,单据只要按照信用证条款要求签发就没有问题。原则上,任何船公司或货代公司在将提单放给收货人之前要由发货人书面确认。4.FOB中Forwarder和Carrier是什么关系?是不是Forwarder签的提单是HB/L?那Carrier签发的呢?---Carrier是承运人,就是船东。Forwarder是货代公司。货代公司是为船公司招揽生意,同时也为贸易双方提供一系列服务工作。货代签发的是货代提单,船东签发的是船东提单。你说的没错。5.通常情况下我们的提单是那种?---出口的提单好象货代提单较多,我们出口必须找货代才能出口。但进口的提单多是船东提单。我这里进口的所有货物都是船东提单,我们在信用证上注明拒绝货代提单。.........运费在HB/L和MB/L上支付的情况船东单:MASTERBILLOFLOADING货代单:HOUSEBILLOFLOADING(FORWARDERBILLOFLOADING)1.HB/LPREPAIDMB/LPREPAID这种类型的货,实际上就是CIF货了,而代理指定货采用这种类型的比较少。但在目的港代理可靠和目的港允许船公司/货代公司不同收费的条提下,建议采用AGENT,因为可以:A,保护我们货代,不让船公司知道真正的货主,收货人B,可以及时了解目的港交货情况2MB/LCOLLECTHB/LCOLLECT这种类型是由代理在目的港签的运价,或我司报的到付运价由代理所接受,我们负责联系SHIPPER,安排出货,代理支付我们代理费用(HANDLINGFEE)或采用PROFITSHARE的形式,这种情况下,我们不需要支付运费,风险也相对较小,但利润较低3.MB/LPR...

1、当您付费下载文档后,您只拥有了使用权限,并不意味着购买了版权,文档只能用于自身使用,不得用于其他商业用途(如 [转卖]进行直接盈利或[编辑后售卖]进行间接盈利)。
2、本站所有内容均由合作方或网友上传,本站不对文档的完整性、权威性及其观点立场正确性做任何保证或承诺!文档内容仅供研究参考,付费前请自行鉴别。
3、如文档内容存在违规,或者侵犯商业秘密、侵犯著作权等,请点击“违规举报”。

碎片内容

国际贸易业务流程图

您可能关注的文档

确认删除?
VIP
微信客服
  • 扫码咨询
会员Q群
  • 会员专属群点击这里加入QQ群
客服邮箱
回到顶部