电脑桌面
添加小米粒文库到电脑桌面
安装后可以在桌面快捷访问

建设工程消防设计审核申报表VIP免费

建设工程消防设计审核申报表_第1页
1/39
建设工程消防设计审核申报表_第2页
2/39
建设工程消防设计审核申报表_第3页
3/39
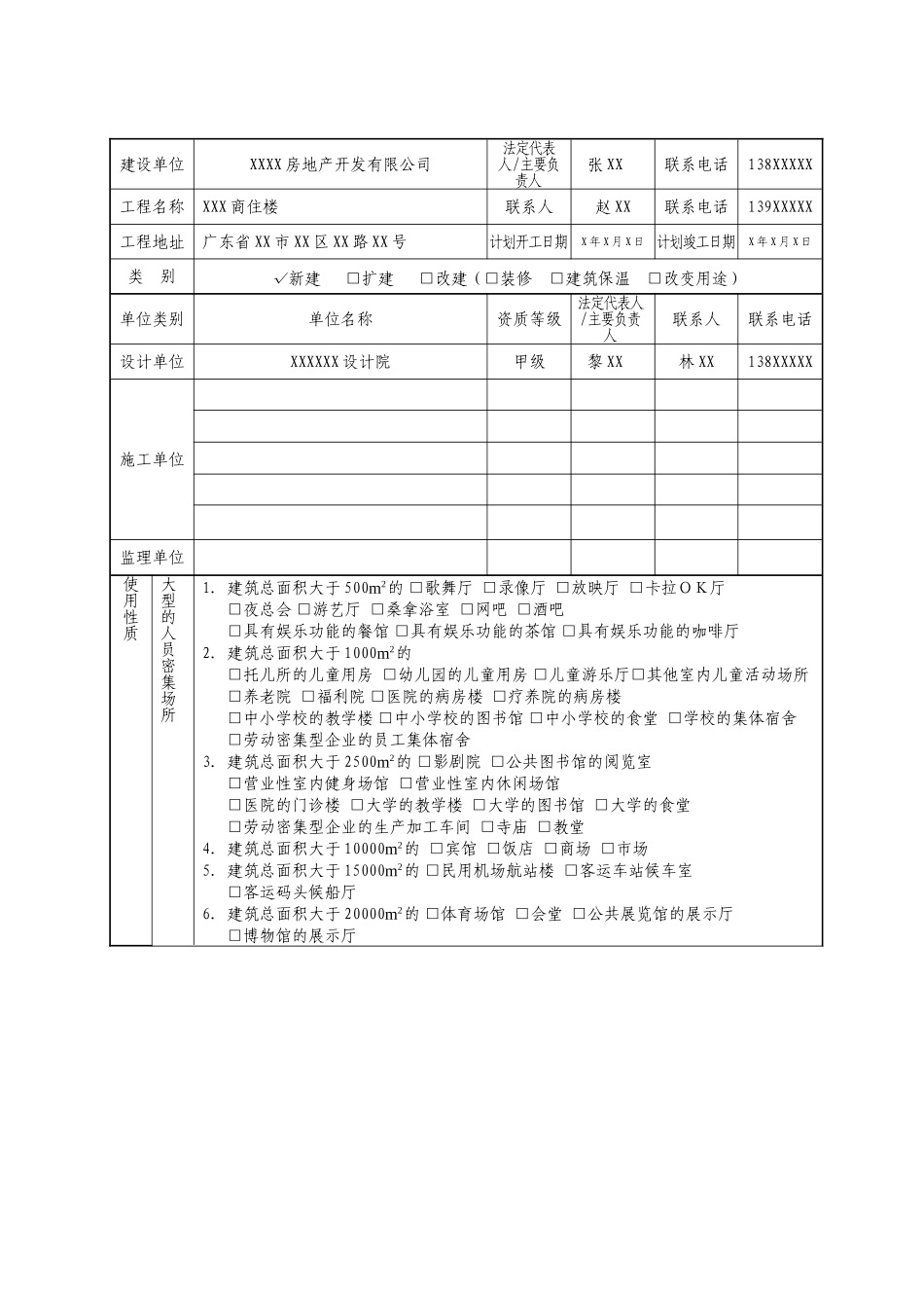
建设工程消防设计审核申报表(土建)工程名称XXX商住楼建设单位XXXX房地产开发有限公司(印章)填表日期二一〇X年XX月XX日中华人民共和国公安部制建设单位XXXX房地产开发有限公司法定代表人/主要负责人张XX联系电话138XXXXX工程名称XXX商住楼联系人赵XX联系电话139XXXXX工程地址广东省XX市XX区XX路XX号计划开工日期X年X月X日计划竣工日期X年X月X日类别√新建□扩建□改建(□装修□建筑保温□改变用途)单位类别单位名称资质等级法定代表人/主要负责人联系人联系电话设计单位XXXXXX设计院甲级黎XX林XX138XXXXX施工单位监理单位使用性质大型的人员密集场所1.建筑总面积大于500m2的□歌舞厅□录像厅□放映厅□卡拉OK厅□夜总会□游艺厅□桑拿浴室□网吧□酒吧□具有娱乐功能的餐馆□具有娱乐功能的茶馆□具有娱乐功能的咖啡厅2.建筑总面积大于1000m2的□托儿所的儿童用房□幼儿园的儿童用房□儿童游乐厅□其他室内儿童活动场所□养老院□福利院□医院的病房楼□疗养院的病房楼□中小学校的教学楼□中小学校的图书馆□中小学校的食堂□学校的集体宿舍□劳动密集型企业的员工集体宿舍3.建筑总面积大于2500m2的□影剧院□公共图书馆的阅览室□营业性室内健身场馆□营业性室内休闲场馆□医院的门诊楼□大学的教学楼□大学的图书馆□大学的食堂□劳动密集型企业的生产加工车间□寺庙□教堂4.建筑总面积大于10000m2的□宾馆□饭店□商场□市场5.建筑总面积大于15000m2的□民用机场航站楼□客运车站候车室□客运码头候船厅6.建筑总面积大于20000m2的□体育场馆□会堂□公共展览馆的展示厅□博物馆的展示厅其他特殊工程1.□设有上栏所列大型的人员密集场所的建设工程2.□国家机关办公楼□电力调度楼□电信楼□邮政楼□防灾指挥调度楼□广播电视楼□档案楼3.除本栏第1项、第2项以外的□单体建筑面积大于40000m2的公共建筑□建筑高度超过50m的公共建筑4.√国家标准规定的一类高层住宅建筑5.□城市轨道交通工程□城市隧道工程□大型发电工程□大型变配电工程6.生产、储存易燃易爆危险物品的□工厂□仓库装卸易燃易爆危险物品的□专用车站□专用码头易燃易爆气体的□充装站□供应站□调压站易燃易爆液体的□充装站□供应站□调压站单体建筑名称结构类型耐火等级层数建筑高度(m)占地面积(m2)建筑面积(m2)地上地下地上地下1栋钢筋混凝土一级19/6012009000/2栋钢筋混凝土一级19/6012009000/地下车库钢筋混凝土一级/13.526300/26300若单体较多无法在此表上填完,可在后面附表储罐设置位置总容量(m3)设置型式浮顶罐(□外□内)□固定顶罐□卧式罐球形罐(□液体□气体)可燃气体储罐(□干式□湿式)□其他储存形式□地上□半地下□地下储存物质名称堆场储量储存物质名称□建筑保温材料类别□A□B1□B2保温层数使用性质原有用途□装修工程装修部位□顶棚□墙面□地面□隔断□固定家具□装饰织物□其他装修面积(m2)装修层数使用性质原有用途消防设施√室内消火栓系统√室外消火栓系统√火灾自动报警系统√自动喷水灭火系统√气体灭火系统□泡沫灭火系统□其他灭火系统√疏散指示标志√消防应急照明√防烟排烟系统√消防电梯√灭火器□其他:(请根据实际情况勾选)同时提交的材料:√1.建设单位的工商营业执照等合法身份证明文件;√2.设计单位资质证明文件;√3.消防设计文件,数量:贰份(大写);□4.专家评审申报材料(特殊消防设计文件,或者设计采用的国际标准、境外消防技术标准的中文文本,其他有关消防设计的应用实例、产品说明等技术资料),数量:份(大写);√5.建设工程规划许可证明文件;□6.城乡规划主管部门批准的临时性建筑证明文件;□7.法律、行政法规规定的其他材料:其他需要说明的情况:本工程位于广东省XX市XX区XX路XX号,负一层为汽车库、设备房,设计停车数量为XXX,1-2层为商场,3-19层为住宅。(此处根据实际情况填写)说明1.此表由建设单位填写并加盖印章,没有单位印章的,应由其负责人签名。填表前请仔细阅读《中华人民共和国消防法》和《建设工程消防监督管理规定》,确知享有的权利和应尽的义务。2.建设单位应如实填写各项内容,对提...

1、当您付费下载文档后,您只拥有了使用权限,并不意味着购买了版权,文档只能用于自身使用,不得用于其他商业用途(如 [转卖]进行直接盈利或[编辑后售卖]进行间接盈利)。
2、本站所有内容均由合作方或网友上传,本站不对文档的完整性、权威性及其观点立场正确性做任何保证或承诺!文档内容仅供研究参考,付费前请自行鉴别。
3、如文档内容存在违规,或者侵犯商业秘密、侵犯著作权等,请点击“违规举报”。

碎片内容

建设工程消防设计审核申报表

确认删除?
VIP
微信客服
  • 扫码咨询
会员Q群
  • 会员专属群点击这里加入QQ群
客服邮箱
回到顶部