电脑桌面
添加小米粒文库到电脑桌面
安装后可以在桌面快捷访问

建筑施工安全生产标准化考评实施(样表)VIP免费

建筑施工安全生产标准化考评实施(样表)_第1页
1/11
建筑施工安全生产标准化考评实施(样表)_第2页
2/11
建筑施工安全生产标准化考评实施(样表)_第3页
3/11
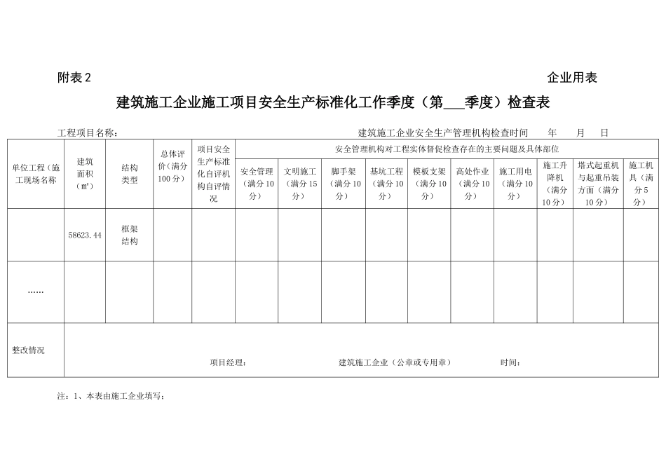
附表1企业用表建筑施工项目安全生产标准化(月)自评情况汇总表工程项目名称:自评机构检查时间年月日单位工程(施工现场名称建筑面积(㎡)结构类型总计得分(满分100分)项目名称及分值安全管理(满分10分)文明施工(满分15分)脚手架(满分10分)基坑工程(满分10分)模板支架(满分10分)高处作业(满分10分)施工用电(满分10分)物料提升机与施工升降机(满分10分)塔式起重机与起重吊装(满分10分)施工机具(满分5分)58623.44框架结构……自评机构自评意见:施工总承包单位项目负责人:日期:施工总承包单位公章或专用章日期:建设单位监督检查意见建设单位项目负责人:时间:监理单位监督检查意见总监理工程师:日期:注:1、本表应按《建筑施工安全检查标准》(JGJ59)进行检查,附相应《建筑施工安全分项检查评分表》,如《安全管理检查评分表》等。2、本表一式两份,项目部、施工企业各一份,从“工程项目监管系统”中下载打印。附表2企业用表建筑施工企业施工项目安全生产标准化工作季度(第季度)检查表工程项目名称:建筑施工企业安全生产管理机构检查时间年月日单位工程(施工现场名称建筑面积(㎡)结构类型总体评价(满分100分)项目安全生产标准化自评机构自评情况安全管理机构对工程实体督促检查存在的主要问题及具体部位安全管理(满分10分)文明施工(满分15分)脚手架(满分10分)基坑工程(满分10分)模板支架(满分10分)高处作业(满分10分)施工用电(满分10分)施工升降机(满分10分)塔式起重机与起重吊装方面(满分10分)施工机具(满分5分)58623.44框架结构……整改情况项目经理:建筑施工企业(公章或专用章)时间:注:1、本表由施工企业填写;2、本表应按《建筑施工安全检查标准》(JGJ59-2011)进行监督评分;3、对于企业检查时评定等级为不合格的,必须限期整改合格,本表后应附详细整改记录。附表3企业用表建筑施工安全生产标准化项目自评汇总表项目名称:项目地点:申请单位:提交日期:年月日广西壮族自治区住房和城乡建设厅项目名称开工日期竣工日期施工许可证号码工程规模工程造价结构类型建设单位施工单位资质等级安全生产许可证书号码施工单位法人代表联系电话项目负责人资格证书号码联系电话项目专职安全员岗位证书号码联系电话监理单位资质等级总监理工程师资格证书号码4联系电话专业分包单位一项目负责人专业分包单位二项目负责人........................项目每月自评情况年月123456789101112201678.58282.5788282847978828079.5评定等级合格优优合格优优优合格合格优合格合格20178282.58081.75827876评定等级合格优优合格优合格合格项目安全本工程深基坑工程、高大模板工程为重大危险源管理项目,根据《关于进一步加强建筑施工安全生产重大危险源管理的通知》(桂建管[2014]34号)要求进行管理,未发生任何质量安全事故。生产重大危险源管理情况施工企业定期监督检查情况我企业根据建筑施工安全生产标准相关文件精神,执行建筑施工安全生产标准化管理,公司实行年检、季度检、月检、周检管理,通过定期监督检查,保证了工程安全目标。项目施工期间因安全生产受到各级住房城乡建设主管部门奖惩情况无项目施工期间被实施安全生产动态扣分情况(施工单位及人员)无项目施工期间发生安全责任事故情况无项目自评结果本项目依据《建筑企业安全生产评价标准》(JGJ/T77-2010)及《建筑施工安全检查标准》(JGJ59-2011)等进行自评,平均得分值(80.51)分,评定等级为:合格。(公章)年月日监理单位意见(公章)年月日建设单位意见(公章)年月日注:1、本表由项目施工总承包单位填写;2、表后应附项目月度自评情况汇总表、项目安全生产重大危险源管理记录、施工企业季度检查表、因安全生产受到奖惩的证明文件、安全生产动态扣分通知书等证明材料;3、奖惩情况包括限期整改、全面或局部停工整改、通报批评、行政处罚、通报表扬、表彰奖励等;4、施工单位应如实填写本表并对其真实性负责,如存在弄虚作假的,由考评机构撤销原考评结果,直接评定为不合格;5、本表一式两份:施工单位、负责考评的安全监督机构各一份;6、每一栏如填写不...

1、当您付费下载文档后,您只拥有了使用权限,并不意味着购买了版权,文档只能用于自身使用,不得用于其他商业用途(如 [转卖]进行直接盈利或[编辑后售卖]进行间接盈利)。
2、本站所有内容均由合作方或网友上传,本站不对文档的完整性、权威性及其观点立场正确性做任何保证或承诺!文档内容仅供研究参考,付费前请自行鉴别。
3、如文档内容存在违规,或者侵犯商业秘密、侵犯著作权等,请点击“违规举报”。

碎片内容

建筑施工安全生产标准化考评实施(样表)

确认删除?
VIP
微信客服
  • 扫码咨询
会员Q群
  • 会员专属群点击这里加入QQ群
客服邮箱
回到顶部