电脑桌面
添加小米粒文库到电脑桌面
安装后可以在桌面快捷访问

电梯安全隐患排查表VIP免费

电梯安全隐患排查表_第1页
1/2
电梯安全隐患排查表_第2页
2/2
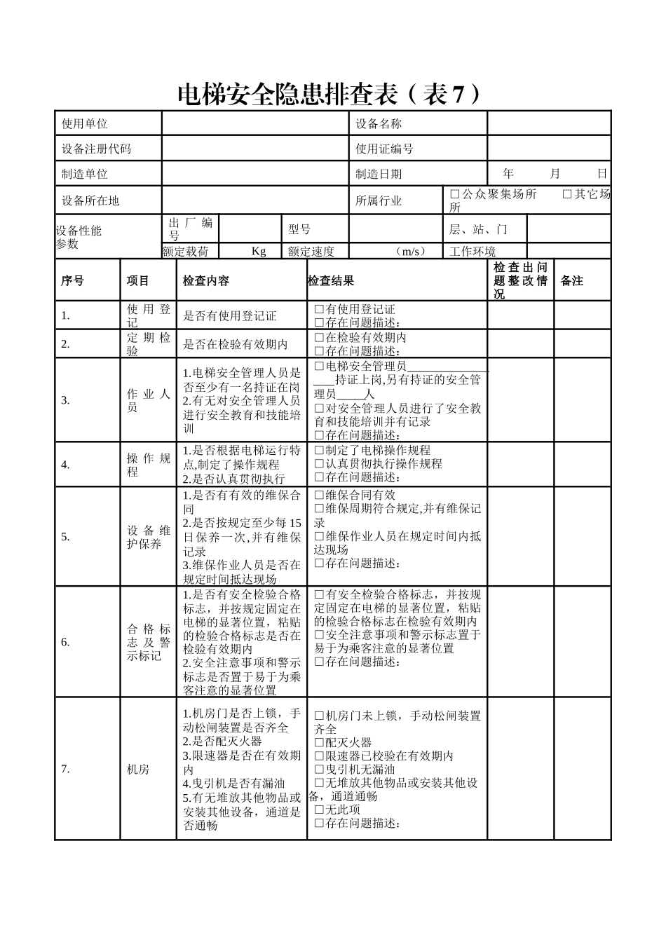
电梯安全隐患排查表(表7)使用单位设备名称设备注册代码使用证编号制造单位制造日期年月日设备所在地所属行业□公众聚集场所□其它场所设备性能参数出厂编号型号层、站、门额定载荷Kg额定速度(m/s)工作环境序号项目检查内容检查结果检查出问题整改情况备注1.使用登记是否有使用登记证□有使用登记证□存在问题描述:2.定期检验是否在检验有效期内□在检验有效期内□存在问题描述:3.作业人员1.电梯安全管理人员是否至少有一名持证在岗2.有无对安全管理人员进行安全教育和技能培训□电梯安全管理员持证上岗,另有持证的安全管理员人□对安全管理人员进行了安全教育和技能培训并有记录□存在问题描述:4.操作规程1.是否根据电梯运行特点,制定了操作规程2.是否认真贯彻执行□制定了电梯操作规程□认真贯彻执行操作规程□存在问题描述:5.设备维护保养1.是否有有效的维保合同2.是否按规定至少每15日保养一次,并有维保记录3.维保作业人员是否在规定时间抵达现场□维保合同有效□维保周期符合规定,并有维保记录□维保作业人员在规定时间内抵达现场□存在问题描述:6.合格标志及警示标记1.是否有安全检验合格标志,并按规定固定在电梯的显著位置,粘贴的检验合格标志是否在检验有效期内2.安全注意事项和警示标志是否置于易于为乘客注意的显著位置□有安全检验合格标志,并按规定固定在电梯的显著位置,粘贴的检验合格标志在检验有效期内□安全注意事项和警示标志置于易于为乘客注意的显著位置□存在问题描述:7.机房1.机房门是否上锁,手动松闸装置是否齐全2.是否配灭火器3.限速器是否在有效期内4.曳引机是否有漏油5.有无堆放其他物品或安装其他设备,通道是否通畅□机房门未上锁,手动松闸装置齐全□配灭火器□限速器已校验在有效期内□曳引机无漏油□无堆放其他物品或安装其他设备,通道通畅□无此项□存在问题描述:8.轿厢及层门1.报警电话联系是否畅通2.警铃会不会响3.应急灯能否亮4.呼层、楼层等显示信号系统功能是否有效,指示是否正确,召唤按钮有无损坏5.轿厢是否有变形,层门有无变形6.轿(层)门地坎是否有垃圾堆积7.安全触板或光幕是否有效8.层门紧急开锁装置是否有效9.运行有否异常□报警电话联系畅通□警铃会响□应急灯能亮□呼层、楼层等显示信号系统功能有效,指示正确,召唤按钮无损坏□轿厢无变形,层门无变形□轿(层)门地坎无垃圾堆积□安全触板或光幕有效□层门紧急开锁装置有效□运行无异常□无此项□存在问题描述:9.底坑1.有无渗漏水2.有无垃圾□无渗漏水□无垃圾□无此项□存在问题描述:10.自动扶梯1.防夹装置是否可靠2.自动扶梯和自动人行道入口处是否有安全开关并灵敏可靠3.防撞装置是否有效4.防攀爬装置是否固定可靠5.梳齿板有无断齿,扶手带运行是否正常□防夹装置可靠□自动扶梯和自动人行道入口处有安全开关并灵敏可靠□防撞装置有效□防攀爬装置固定可靠□梳齿板无断齿,扶手带运行正常□无此项□存在问题描述:排查问题详细说明排查人员排查日期年月日单位负责人(签字)(单位盖章)排查问题整改结果确认确认人:时间:年月日

1、当您付费下载文档后,您只拥有了使用权限,并不意味着购买了版权,文档只能用于自身使用,不得用于其他商业用途(如 [转卖]进行直接盈利或[编辑后售卖]进行间接盈利)。
2、本站所有内容均由合作方或网友上传,本站不对文档的完整性、权威性及其观点立场正确性做任何保证或承诺!文档内容仅供研究参考,付费前请自行鉴别。
3、如文档内容存在违规,或者侵犯商业秘密、侵犯著作权等,请点击“违规举报”。

碎片内容

电梯安全隐患排查表

状元书阁+ 关注
实名认证
内容提供者

爱好英语教学和互联网行业,热爱教育事业,兢兢业业

确认删除?
VIP
微信客服
  • 扫码咨询
会员Q群
  • 会员专属群点击这里加入QQ群
客服邮箱
回到顶部