电脑桌面
添加小米粒文库到电脑桌面
安装后可以在桌面快捷访问

健康、安全风险评价的“矩阵法”VIP专享VIP免费

健康、安全风险评价的“矩阵法”_第1页
1/66
健康、安全风险评价的“矩阵法”_第2页
2/66
健康、安全风险评价的“矩阵法”_第3页
3/66
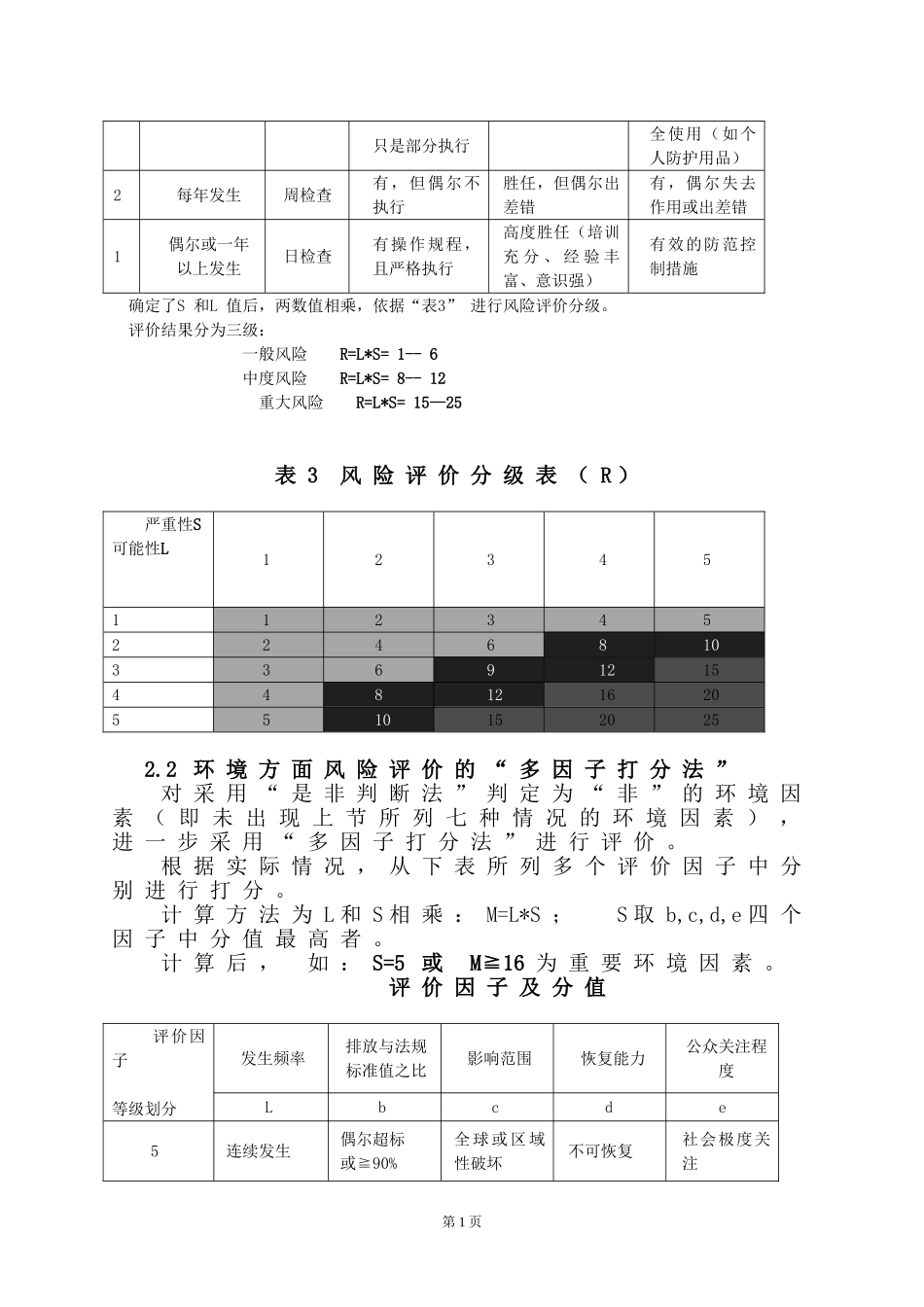
2.2健康、安全风险评价的“矩阵法”对采用“是非判断法”确定为“非”的危险源(即不满足上节所列四条的危险源),进一步采用“矩阵法”评价。对照“表1”,从人员伤亡程度、财产损失、停工时间和对声誉的影响等四个方面,对危害事件后果的严重性进行评价取值,取四项得分中最高的分值作为其最终的S值。表1危害事件后果的严重性(S)分数人员伤亡程度财产损失停工时间对声誉的影响5·死亡·终身残废·丧失劳动能力≧50万元≧30天引起公众反应;持续不断的指责;国家级媒体的大量负面报道。4·部分丧失劳动能力·职业病·慢性病·住院治疗≧5万元≧5天引起整个区域公众的关注;大量的指责;当地媒体大量的反面报道;国内媒体负面报道,当地或国家政策的可能限制措施。3需要去医院治疗,但不需要住院≧1万元≧1天一些当地公众表示关注,受到一些指责;一些媒体有报道和政治上的重视。2·皮外伤·短时间身体不适小于1万元半天公众对事件有反应,但没有表示关注。1没有受伤无没有误时没有公众反应。对照“表2”,从偏差发生的频率、安全检查的频率、操作规程的执行情况、员工的胜任程度和现有防范、控制措施的有效性等方面,评价危害事件发生的可能性,取五项中分值最高的作为其最终的L值。表2危害事件发生的可能性(L)分数偏差发生频率安全检查操作规程员工胜任程度(意识、技能、经验)防范、控制措施5每天发生,经常从来没有没有操作规程不胜任(无任何培训、意识不够、缺乏经验)无任何防范或控制措施4每月发生偶尔检查或大检查有,但只是偶尔执行不够胜任防范、控制措施不完善3每季度发生月检查有操作规程,一般胜任有,但没有完只是部分执行全使用(如个人防护用品)2每年发生周检查有,但偶尔不执行胜任,但偶尔出差错有,偶尔失去作用或出差错1偶尔或一年以上发生日检查有操作规程,且严格执行高度胜任(培训充分、经验丰富、意识强)有效的防范控制措施确定了S和L值后,两数值相乘,依据“表3”进行风险评价分级。评价结果分为三级:一般风险R=L*S=1--6中度风险R=L*S=8--12重大风险R=L*S=15—25表3风险评价分级表(R)严重性S可能性L1234511234522468103369121544812162055101520252.2环境方面风险评价的“多因子打分法”对采用“是非判断法”判定为“非”的环境因素(即未出现上节所列七种情况的环境因素),进一步采用“多因子打分法”进行评价。根据实际情况,从下表所列多个评价因子中分别进行打分。计算方法为L和S相乘:M=L*S;S取b,c,d,e四个因子中分值最高者。计算后,如:S=5或M≧16为重要环境因素。评价因子及分值评价因子等级划分发生频率排放与法规标准值之比影响范围恢复能力公众关注程度Lbcde5连续发生偶尔超标或≧90%全球或区域性破坏不可恢复社会极度关注第1页4每天至每周一次81%-90%局部地区及以外大范围半年以上可恢复区域性极度关注3每周至每月一次51%-80%局部地区及以外小范围一周至半年可恢复地区性极度关注2每月至每年一次31%-50%局部地区以内一周内可恢复地区性一般关注1几乎不发生(或一年至多一次)30%以下或没规定影响很小(操作者可处理)一天内可恢复不甚关注第2页附录1危害因素清单(健康安全—汇总)编号:部门/单位:塔里木油田克拉作业区汇总人:闫炳芳审核人:日期:2008年11月序号场所、活动、设备、物料危害因素可能导致的后果时态/状态现有控制措施评价风险LSR分级共有部分1采气队、四川抢修、二堪维护、自动化、海南广电(高处作业)1.风、雨、雪天作业2.操作不规范3.疲劳作业、注意力分散4.操作平台安全措施防护不到位5.没有合理使用工具6.高处坠物7.没系安全带8.未规范穿戴劳动保护用品人员伤害将来/异常1.严禁恶劣天气下作业2.严格检查操作人员特种作业资质证3.加强作业现场监督4.搭建安全可靠的防护栏5.对工具合理选型6.禁止平台上摆放工具7.严格规范劳保穿戴,系安全带2510中度2各检修单位(有限空间作业)1.空间缺氧;2.存在有毒有害气体、液体。窒息、中毒:人员伤害将来/异常1.执行作业许可管理制度;2.执行操作规程;3.专人监护。3515重大3采气队、、处理厂、检修单位(管线打开)1.管线内有余压,打开管线时造成气体泄漏2.工具...

1、当您付费下载文档后,您只拥有了使用权限,并不意味着购买了版权,文档只能用于自身使用,不得用于其他商业用途(如 [转卖]进行直接盈利或[编辑后售卖]进行间接盈利)。
2、本站所有内容均由合作方或网友上传,本站不对文档的完整性、权威性及其观点立场正确性做任何保证或承诺!文档内容仅供研究参考,付费前请自行鉴别。
3、如文档内容存在违规,或者侵犯商业秘密、侵犯著作权等,请点击“违规举报”。

碎片内容

健康、安全风险评价的“矩阵法”

确认删除?
VIP
微信客服
  • 扫码咨询
会员Q群
  • 会员专属群点击这里加入QQ群
客服邮箱
回到顶部