电脑桌面
添加小米粒文库到电脑桌面
安装后可以在桌面快捷访问

三相交流电路电压及电流的测量VIP免费

三相交流电路电压及电流的测量_第1页
1/2
三相交流电路电压及电流的测量_第2页
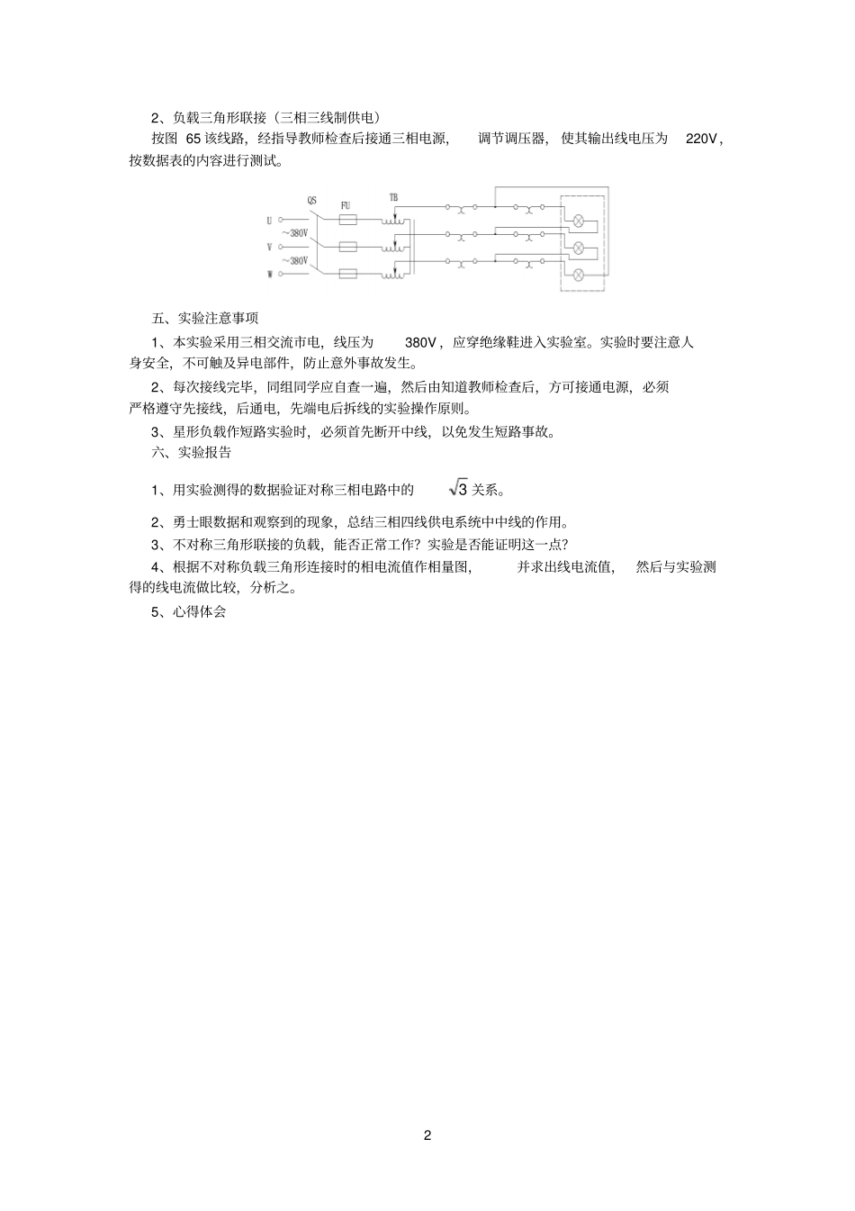
2/2
1三相交流电路电压及电流的测量一、实验目的1、掌握三相负载作星形联接、三角形联接的方法,验证这两种接法下线、相电压,线、相电流之间的关系。2、充分理解三相四线供电系统中中线的作用。二、原理说明1、三相负载可接成星形(又称“Y”接)三角形(又称“”接)当三相对称负载做Y形联接时,线电压U1是相电压UP的3倍,线电流I1,等于相电流IP,即U1=3UP,I1=IP当采用三相四线制接法时,流过中线的电流IO=0,所以可以省去中线。当对称三相负载作形联接时,有I1=3IP,U1=UP2、不对称三相负载做U联接时,必须采用三相四线制接法,即YO接法。而且中线必须牢固联接,以保证三相不对称负载的每相电压维持对称不变。倘若中线开断,会导致三相负载电压的不对称,致使负载的那一相的相电压过高,使负载遭受损坏:负载重的一相相电压又过低,使负载不能正常工作。尤其是对于三相照明负载,无条件地一律采用YO接法。3、对于不对称负载作接时,I1≠3IP,但只要电源的线电压U1对称,加在三相负载上的嗲那仍是对称的,对各相负载工作没有影响。序号名称型号与规格数量备注1三相交流电源30~220V1主控屏2三相自耦调压器1主控屏3交流电压表1DG074交流电流表1DG085三相灯组负载15W/220V白炽灯9DG026专用测试导线若干四、实验内容1、三相负载星形联接(三相四线制供电)即三相灯组负载经三相自耦调压器接通三相对称电源,并将三相调压器的旋柄置于三相电压输出为OV的位置,经知道教师检查后,方可合上三相电源开关,然后调节调压器的输出,使输出的三相线嗲那为220V,按数据表格所列各项要求分别测量三相负载的线电压、相电压、线电流(相电流)、中线电流、电流与负载中点间的电压,记录之,并观察各相灯组亮暗的变化程度,特别要注意观察中线的作用。22、负载三角形联接(三相三线制供电)按图65该线路,经指导教师检查后接通三相电源,调节调压器,使其输出线电压为220V,按数据表的内容进行测试。五、实验注意事项1、本实验采用三相交流市电,线压为380V,应穿绝缘鞋进入实验室。实验时要注意人身安全,不可触及异电部件,防止意外事故发生。2、每次接线完毕,同组同学应自查一遍,然后由知道教师检查后,方可接通电源,必须严格遵守先接线,后通电,先端电后拆线的实验操作原则。3、星形负载作短路实验时,必须首先断开中线,以免发生短路事故。六、实验报告1、用实验测得的数据验证对称三相电路中的3关系。2、勇士眼数据和观察到的现象,总结三相四线供电系统中中线的作用。3、不对称三角形联接的负载,能否正常工作?实验是否能证明这一点?4、根据不对称负载三角形连接时的相电流值作相量图,并求出线电流值,然后与实验测得的线电流做比较,分析之。5、心得体会

1、当您付费下载文档后,您只拥有了使用权限,并不意味着购买了版权,文档只能用于自身使用,不得用于其他商业用途(如 [转卖]进行直接盈利或[编辑后售卖]进行间接盈利)。
2、本站所有内容均由合作方或网友上传,本站不对文档的完整性、权威性及其观点立场正确性做任何保证或承诺!文档内容仅供研究参考,付费前请自行鉴别。
3、如文档内容存在违规,或者侵犯商业秘密、侵犯著作权等,请点击“违规举报”。

碎片内容

三相交流电路电压及电流的测量

您可能关注的文档

文库当当响+ 关注
实名认证
内容提供者

该用户很懒,什么也没介绍

确认删除?
VIP
微信客服
  • 扫码咨询
会员Q群
  • 会员专属群点击这里加入QQ群
客服邮箱
回到顶部