电脑桌面
添加小米粒文库到电脑桌面
安装后可以在桌面快捷访问

专业技术职务任职资格评审表填写指引VIP免费

专业技术职务任职资格评审表填写指引_第1页
1/12
专业技术职务任职资格评审表填写指引_第2页
2/12
专业技术职务任职资格评审表填写指引_第3页
3/12
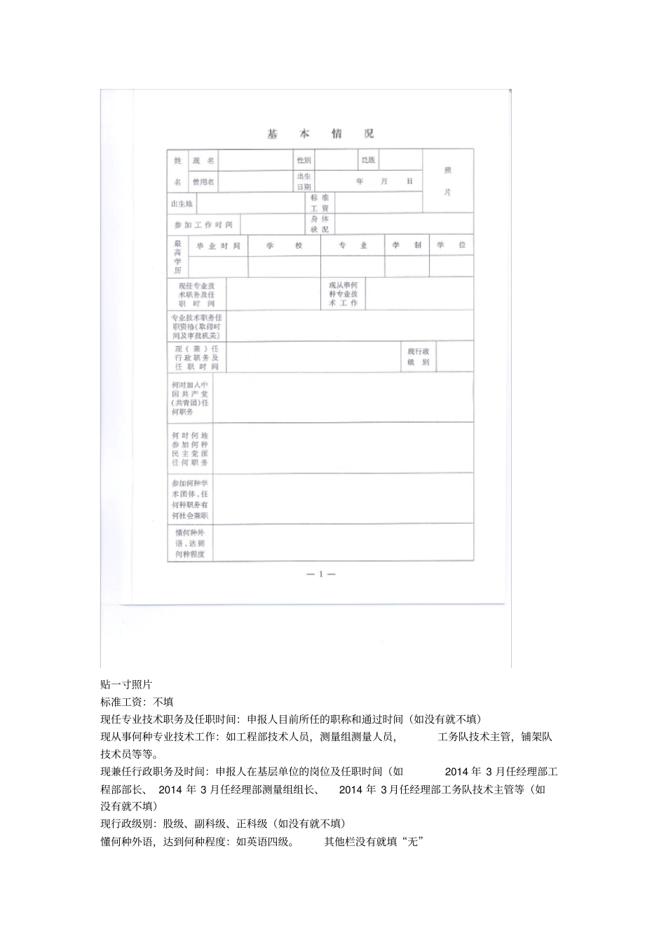
单位:中铁?局?分公司姓名:XXX现任专业技术职务:申报人目前所任的职称(如没有就不填)评审任职资格:申报人此次申报的职称(如技术员、助理工程师、工程师等)贴一寸照片标准工资:不填现任专业技术职务及任职时间:申报人目前所任的职称和通过时间(如没有就不填)现从事何种专业技术工作:如工程部技术人员,测量组测量人员,工务队技术主管,铺架队技术员等等。现兼任行政职务及时间:申报人在基层单位的岗位及任职时间(如2014年3月任经理部工程部部长、2014年3月任经理部测量组组长、2014年3月任经理部工务队技术主管等(如没有就不填)现行政级别:股级、副科级、正科级(如没有就不填)懂何种外语,达到何种程度:如英语四级。其他栏没有就填“无”填写参加专业学习、培训的经历,即技校、中专、大专、本科等学习经历,参加公司或外部的教育培训经历。小学、初中、高中不填从参加工作起,按照所经历的基层单位(项目部)分段填写。任现职前主要专业技术工作业绩:注意:“任现职”不是申报人这次准备要申报的职称,而是目前为止已经评上的职称;申报人如现无职称,则填从参加工作——到目前为止在各项目部的主要专业技术工作;申报人如现任技术员,则填从参加工作——任技术员之前在各项目部的主要专业技术工作;申报人如现任助工,则填从参加工作——任助工之前在各项目部的主要专业技术工作;申报人如现任工程师,则填从参加工作——任工程师之前在各项目部的主要专业技术工作;任现职后主要专业技术工作业绩一:注意:“任现职”不是申报人这次准备要申报的职称,而是目前为止已经评上的职称;申报人如现无职称,则不填;申报人如现任技术员,则填从任技术员之后在各项目部的主要专业技术工作;申报人如现任助工,则填从任助工之后在各项目部的主要专业技术工作;申报人如现任工程师,则填从任工程师之后在各项目部的主要专业技术工作;任现职后主要专业技术工作业绩二:此栏为任现职后主要专业技术工作业绩一的简要概述;按项目部工作时间,分段简要填写;申报人如现无职称,则不填;申报人如现任技术员,则填从任技术员之后在各项目部的主要专业技术工作;申报人如现任助工,则填从任助工之后在各项目部的主要专业技术工作;申报人如现任工程师,则填从任工程师之后在各项目部的主要专业技术工作;申报技术员、助理工程师的人员不需要填写;申报工程师、高级工程师的需要填写;申报技术员、助理工程师的人员不需要填写;申报工程师、高级工程师的需要填写;申报技术员、助理工程师的人员“年度及任职期满考核结果”由项目部填写,项目经理在负责人上签字,盖项目部公章;申报工程师、高级工程师的“年度及任职期满考核结果”由项目部填写,负责人和公章不用填写和盖章;“年度及任职期满考核结果”主要叙述该同志任现职(技术员、助工、工程师)以来的技术工作的主要内容、业绩和评价。以第三人称叙述。申报技术员、助理工程师的人员“基层单位推荐意见”由项目部填写,项目经理在负责人上签字,盖项目部公章;申报工程师、高级工程师的“基层单位推荐意见”由项目部填写,负责人和公章不用填写和盖章;“基层单位推荐意见”以第三人称叙述。

1、当您付费下载文档后,您只拥有了使用权限,并不意味着购买了版权,文档只能用于自身使用,不得用于其他商业用途(如 [转卖]进行直接盈利或[编辑后售卖]进行间接盈利)。
2、本站所有内容均由合作方或网友上传,本站不对文档的完整性、权威性及其观点立场正确性做任何保证或承诺!文档内容仅供研究参考,付费前请自行鉴别。
3、如文档内容存在违规,或者侵犯商业秘密、侵犯著作权等,请点击“违规举报”。

碎片内容

专业技术职务任职资格评审表填写指引

确认删除?
VIP
微信客服
  • 扫码咨询
会员Q群
  • 会员专属群点击这里加入QQ群
客服邮箱
回到顶部