电脑桌面
添加小米粒文库到电脑桌面
安装后可以在桌面快捷访问

专题一传统发酵技术的应用汇总VIP免费

专题一传统发酵技术的应用汇总_第1页
1/7
专题一传统发酵技术的应用汇总_第2页
2/7
专题一传统发酵技术的应用汇总_第3页
3/7
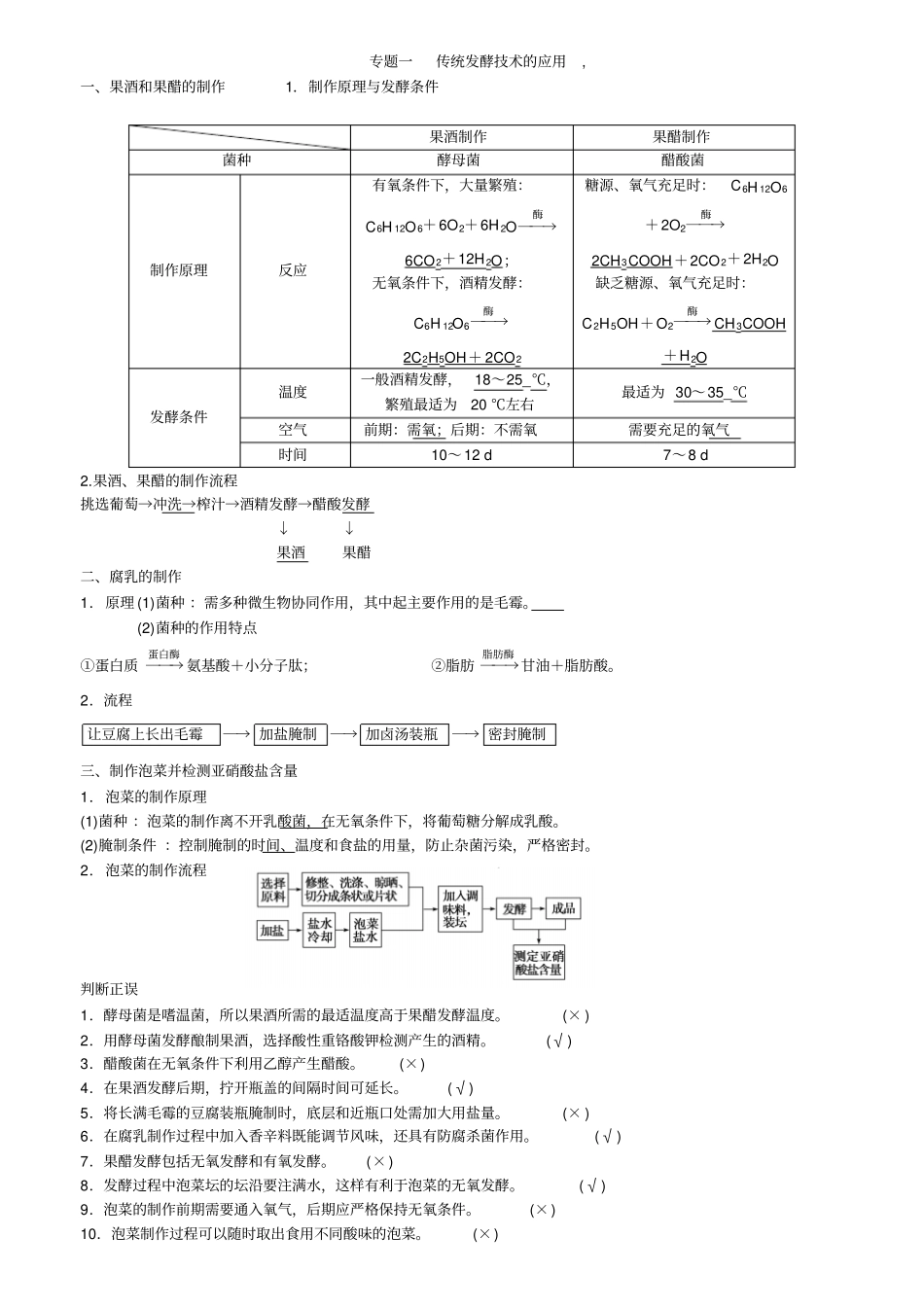
专题一传统发酵技术的应用,一、果酒和果醋的制作1.制作原理与发酵条件果酒制作果醋制作菌种酵母菌醋酸菌制作原理反应有氧条件下,大量繁殖:C6H12O6+6O2+6H2O――→酶6CO2+12H2O;无氧条件下,酒精发酵:C6H12O6――→酶2C2H5OH+2CO2糖源、氧气充足时:C6H12O6+2O2――→酶2CH3COOH+2CO2+2H2O缺乏糖源、氧气充足时:C2H5OH+O2――→酶CH3COOH+H2O发酵条件温度一般酒精发酵,18~25_℃,繁殖最适为20℃左右最适为30~35_℃空气前期:需氧;后期:不需氧需要充足的氧气时间10~12d7~8d2.果酒、果醋的制作流程挑选葡萄→冲洗→榨汁→酒精发酵→醋酸发酵↓↓果酒果醋二、腐乳的制作1.原理(1)菌种:需多种微生物协同作用,其中起主要作用的是毛霉。(2)菌种的作用特点①蛋白质――→蛋白酶氨基酸+小分子肽;②脂肪――→脂肪酶甘油+脂肪酸。2.流程让豆腐上长出毛霉―→加盐腌制―→加卤汤装瓶―→密封腌制三、制作泡菜并检测亚硝酸盐含量1.泡菜的制作原理(1)菌种:泡菜的制作离不开乳酸菌,在无氧条件下,将葡萄糖分解成乳酸。(2)腌制条件:控制腌制的时间、温度和食盐的用量,防止杂菌污染,严格密封。2.泡菜的制作流程判断正误1.酵母菌是嗜温菌,所以果酒所需的最适温度高于果醋发酵温度。(×)2.用酵母菌发酵酿制果酒,选择酸性重铬酸钾检测产生的酒精。(√)3.醋酸菌在无氧条件下利用乙醇产生醋酸。(×)4.在果酒发酵后期,拧开瓶盖的间隔时间可延长。(√)5.将长满毛霉的豆腐装瓶腌制时,底层和近瓶口处需加大用盐量。(×)6.在腐乳制作过程中加入香辛料既能调节风味,还具有防腐杀菌作用。(√)7.果醋发酵包括无氧发酵和有氧发酵。(×)8.发酵过程中泡菜坛的坛沿要注满水,这样有利于泡菜的无氧发酵。(√)9.泡菜的制作前期需要通入氧气,后期应严格保持无氧条件。(×)10.泡菜制作过程可以随时取出食用不同酸味的泡菜。(×)考点一果酒和果醋的制作1.果酒和果醋制作步骤的比较制果酒制果醋相同过程(1)选材和材料处理:选择新鲜的葡萄,先用清水冲洗葡萄1~2遍除去污物后,再去枝梗;(2)制作发酵液,防止杂菌污染;(3)发酵:将葡萄汁注入发酵瓶,注意液体量不要超过发酵瓶总体积的2/3不同过程(1)将温度严格控制在18~25℃,时间控制在10~12d左右。发酵旺盛期的CO2产量非常大,要及时排气,防止发酵瓶爆裂;(2)检测指标:7~10d以后,可以开始进行取样检验工作。例如,可以嗅味和品尝、用重铬酸钾检验酒精含量,进行酵母菌的镜检,测定pH等工作(1)将温度严格控制在30~35℃,并注意适时通过充气口充气;(2)检测指标:果醋的制作是否成功可以通过观察菌膜的形成、嗅味和品尝初步鉴定,再通过检测和比较醋酸发酵前后的pH进一步鉴定。还可以在显微镜下观察发酵液中是否有醋酸菌,并统计其数量作进一步鉴定2.果酒、果醋制作的注意事项(1)材料的选择与处理选择新鲜的葡萄,榨汁前先冲洗后除去枝梗,以避免去除枝梗时引起葡萄破损,增加被杂菌污染的机会。(2)防止发酵液被污染需要从发酵制作的过程进行全面的考虑,因为操作的每一步都可能混入杂菌。为避免杂菌污染,榨汁机要洗净并晾干;发酵装置要洗净并用70%的酒精消毒;封闭充气口;若用简易的发酵装置,每隔一定时间排气时只需拧松瓶盖,不要完全揭开瓶盖等。(3)控制好发酵时间与温度、果醋制作时适时充气。氧气供应状况对酒精发酵结果影响的分析方法(1)酒精发酵所需的氧气供应条件①发酵前期:需要通入空气或在发酵瓶中留有一定的空间,可以给酵母菌提供氧气以利于酵母菌通过有氧呼吸大量增殖。②发酵后期:要通过密封严格控制无氧环境,以利于酵母菌通过无氧呼吸产生酒精。(2)酒精发酵异常的情况①酒精发酵的前期如果供氧不足,酵母菌数量少,产生的酒精少。②酒精发酵后期如果密封不严,则酵母菌数量充足,但是不能产生酒精。习题巩固1、下面是果酒和果醋制作的实验流程和发酵装置。根据图示回答下列问题:(1)完成图1中的实验流程______________。(2)图2装置中的充气口在________过程中要关闭,否则可能发生使发酵液变酸的反应__________________________(写出该反应式),而排气口在该过程中应开放,排气口要...

1、当您付费下载文档后,您只拥有了使用权限,并不意味着购买了版权,文档只能用于自身使用,不得用于其他商业用途(如 [转卖]进行直接盈利或[编辑后售卖]进行间接盈利)。
2、本站所有内容均由合作方或网友上传,本站不对文档的完整性、权威性及其观点立场正确性做任何保证或承诺!文档内容仅供研究参考,付费前请自行鉴别。
3、如文档内容存在违规,或者侵犯商业秘密、侵犯著作权等,请点击“违规举报”。

碎片内容

专题一传统发酵技术的应用汇总

文库当当响+ 关注
实名认证
内容提供者

该用户很懒,什么也没介绍

确认删除?
VIP
微信客服
  • 扫码咨询
会员Q群
  • 会员专属群点击这里加入QQ群
客服邮箱
回到顶部