电脑桌面
添加小米粒文库到电脑桌面
安装后可以在桌面快捷访问

专题四:41电磁感应定律及其应用VIP免费

专题四:41电磁感应定律及其应用_第1页
1/8
专题四:41电磁感应定律及其应用_第2页
2/8
专题四:41电磁感应定律及其应用_第3页
3/8
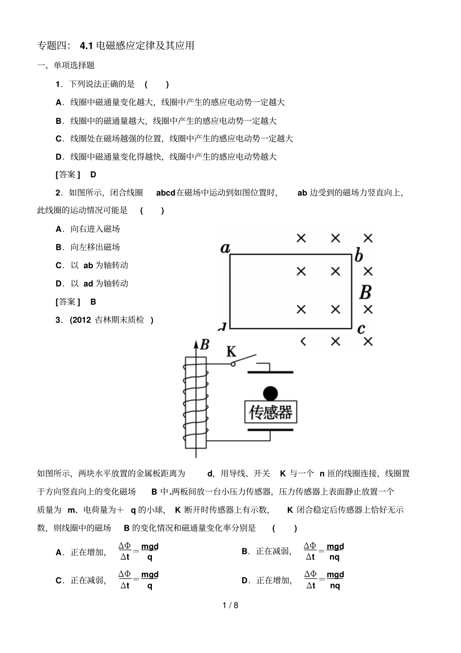
1/8专题四:4.1电磁感应定律及其应用一、单项选择题1.下列说法正确的是()A.线圈中磁通量变化越大,线圈中产生的感应电动势一定越大B.线圈中的磁通量越大,线圈中产生的感应电动势一定越大C.线圈处在磁场越强的位置,线圈中产生的感应电动势一定越大D.线圈中磁通量变化得越快,线圈中产生的感应电动势越大[答案]D2.如图所示,闭合线圈abcd在磁场中运动到如图位置时,ab边受到的磁场力竖直向上,此线圈的运动情况可能是()A.向右进入磁场B.向左移出磁场C.以ab为轴转动D.以ad为轴转动[答案]B3.(2012·吉林期末质检)如图所示,两块水平放置的金属板距离为d,用导线、开关K与一个n匝的线圈连接,线圈置于方向竖直向上的变化磁场B中.两板间放一台小压力传感器,压力传感器上表面静止放置一个质量为m、电荷量为+q的小球,K断开时传感器上有示数,K闭合稳定后传感器上恰好无示数,则线圈中的磁场B的变化情况和磁通量变化率分别是()A.正在增加,ΔΦΔt=mgdqB.正在减弱,ΔΦΔt=mgdnqC.正在减弱,ΔΦΔt=mgdqD.正在增加,ΔΦΔt=mgdnq2/8[答案]D5.(2012·海南卷)如图,一质量为m的条形磁铁用细线悬挂在天花板上,细线从一水平金属圆环中穿过.现将环从位置Ⅰ释放,环经过磁铁到达位置Ⅱ.设环经过磁铁上端和下端附近时细线的张力分别为T1和T2,重力加速度大小为g,则()A.T1>mg,T2>mgB.T1mg,T2mg[答案]A二、双项选择题6.如图所示是验证楞次定律实验的示意图,竖直放置的线圈固定不动,将磁铁从线圈上方插入或拔出,线圈和电流表构成的闭合回路中就会产生感应电流.各图中分别标出了磁铁的极性、磁铁相对线圈的运动方向以及线圈中产生的感应电流的方向等情况,其中正确的是()[答案]CD7.(2012·长沙名校模考)如图所示,通过水平绝缘传送带输送完全相同的铜线圈,线圈等距离排列,且与传送带以相同的速度匀速运动.为了检测出个别未闭合的不合格线圈,让传送带通过一固定匀强磁场区域,磁场方向垂直于传送带,根据穿过磁场后线圈间的距离,就能够检测出不合格线圈,通过观察图形.判断下列说法正确的是()3/8A.若线圈闭合,进入磁场时,线圈相对传送带向后滑动B.若线圈不闭合,进入磁场时,线圈相对传送带向后滑动C.从图中可以看出,第3个线圈是不合格线圈D.从图中可以看出,第4个线圈是不合格线圈[答案]AC8.利用霍尔效应制作的霍尔元件,广泛应用于测量和自动控制等领域.如图是霍尔元件的工作原理示意图,磁感应强度B垂直于霍尔元件的工作面向下,通入图示方向的电流I,C、D两侧面会形成电势差UCD,下列说法中正确的是(BC)A.电势差UCD仅与材料有关B.若霍尔元件的载流子是自由电子,则电势差UCD<0C.仅增大磁感应强度时,电势差UCD变大D.在测定地球赤道上方的地磁场强弱时,元件的工作面应保持水平9.如图(甲)所示,固定导线MN和矩形线框abcd共面.当MN通以图(乙)所示的电流(NM方向为电流正方向),在0—T时间内,下列说法正确的是(AD)A.线框感应电流方向沿abcdaB.线框感应电流方向先abcda后adcbaC.ab边始终不受力的作用D.bc边受安培力先向右后向左10.(2012·山东济宁)如图所示,两足够长平行金属导轨固定在水平面上,匀强磁场方向垂直导轨平面向下,金属棒ab、cd与导轨构成闭合回路且都可沿导轨无摩擦滑动.两金属棒ab、cd的质量之比为2∶1.用一沿导轨方向的恒力F水平向右拉金属棒cd,经过足够长时间以后()4/8A.金属棒ab、cd都做匀速运动B.金属棒ab上的电流方向由b向aC.金属棒cd所受安培力的大小等于2F/3D.两金属棒间距离保持不变[答案]BC三、计算题11.(2012·辽宁大连双基测试)如图甲所示,足够长的光滑平行金属导轨MN、PQ竖直放置,其宽度L=1m,一匀强磁场垂直穿过导轨平面,导轨的上端M与P之间连接阻值为R=0.40Ω的电阻,质量为m=0.01kg、电阻为r=0.30Ω的金属棒ab紧贴在导轨上.现使金属棒ab由静止开始下滑,下滑过程中ab始终保持水平,且与导轨接触良好,其下滑距离x与时间t的关系如图乙所示,图象中的OA段为曲线,AB段为直线,导轨电阻不计,取g=10m/s2(忽略ab棒运动过程中对原磁场的影响),求:(1)磁感应强度...

1、当您付费下载文档后,您只拥有了使用权限,并不意味着购买了版权,文档只能用于自身使用,不得用于其他商业用途(如 [转卖]进行直接盈利或[编辑后售卖]进行间接盈利)。
2、本站所有内容均由合作方或网友上传,本站不对文档的完整性、权威性及其观点立场正确性做任何保证或承诺!文档内容仅供研究参考,付费前请自行鉴别。
3、如文档内容存在违规,或者侵犯商业秘密、侵犯著作权等,请点击“违规举报”。

碎片内容

专题四:41电磁感应定律及其应用

您可能关注的文档

文库当当响+ 关注
实名认证
内容提供者

该用户很懒,什么也没介绍

确认删除?
VIP
微信客服
  • 扫码咨询
会员Q群
  • 会员专属群点击这里加入QQ群
客服邮箱
回到顶部