电脑桌面
添加小米粒文库到电脑桌面
安装后可以在桌面快捷访问

桥梁养护技术手册VIP免费

桥梁养护技术手册_第1页
1/14
桥梁养护技术手册_第2页
2/14
桥梁养护技术手册_第3页
3/14
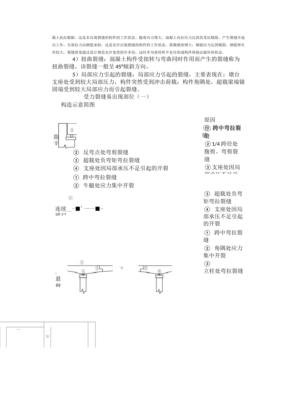
桥梁养护技术手册在长期的使用过程中,由于环境影响、大交通量、超载、结构本身的缺陷、维护不当或不及时等等因素,桥梁结构会产生一定的损伤和病害。超载中出现裂缝,是结构构件出现病害的最直观的表现,特别是裂缝出现在构件受力最不利位置时,应引起高度重视。超载裂缝的存在,会导致内部钢筋受到侵蚀,腐蚀产物体积膨胀,使混凝土保护层沿钢筋方向出现裂缝,严重者混凝土保护层完全脱落,影响结构耐久性能。此外,桥梁一般病害还包括构件表面蜂窝、空洞以及破损,钢构件锈蚀,支座脱落、失效等。1、桥梁结构中常见裂缝及处置方式砖石砌体结构中的常见裂缝及成因砖石砌体产生裂缝是常见的一种缺陷。裂缝的产生将对结构的耐久性、美观、强度和刚度等方面产生不同程度的影响。砖石砌体裂缝根据其产生的原因,主要可分为如下几种。(一)沉降裂缝:沉降裂缝是砌体最常见的一种裂缝.沉降裂缝一般是由地基基础沉降和砌体灰缝沉降引起的。基础沉降产生的砌体裂缝有斜面裂缝、垂直裂缝和水平裂缝三种。(二)温度裂缝:砖石砌体不均匀受热,温差较大时亦易引起裂缝。(三)砌体的强度不足及荷载引起的裂缝:由于砌体强度不足及荷载引起的裂缝形式有水平裂缝、竖直裂缝及斜向裂缝几种。混凝土构件的裂缝混凝土构件出现裂缝的形式很多,根据裂缝产生的原因,一般可分为:由自身应力形成的裂缝与荷载作用下产生的裂缝两大类。(一)混凝土自身应力形成的裂缝1)收缩裂缝:混凝土的干燥过程是由表面逐步扩展到内部的,在混凝土内呈现含水搬度。因此产生表面收缩大,内部收缩小的不均匀收缩,致使表面混凝土承受拉力,内部混凝土承受压力。当表面混凝土所受的拉力超过其抗拉强度时,便产生收缩裂缝。2)温度裂缝:温度应力超过混凝土强度时,即产生裂缝,称为温度裂缝。例如大体积混凝土灌注之后由于水化放热,内部温度很高,如无妥善散热措施,由于内外温差太大,很易形成温度裂缝。蒸汽养护及冬季施工时,若措施不当,混凝土骤冷骤热,内外温度不均,也易发生温度裂缝。当构件较长且两端固定时,由于周围温度变化将产生附加的温度应力,该附加应力和原有内力的合力超过混凝土强度时就会产生破坏裂缝等等。(二)荷载作用下产生的裂缝1)弯曲裂缝:在超载上施加弯矩时,将产生弯曲裂缝。对受弯构件和压弯构件来说,弯曲裂缝首先出现在弯矩最大的截面的混凝土受拉区。随着荷载的增大,裂缝宽度增大,长度延伸,数量增多,裂缝区域逐渐向两侧发展。2)剪切裂缝:剪切裂缝有时也称斜裂缝。首先发生在剪应力最大的部位。对受弯构件和压弯构件,往往发生在支座附近,由下部开始,沿着与轴线成25~50。左右的角度裂开。随着荷载的增大,裂缝长度将不断增长并向受压区发展,裂缝数量不断增多,裂缝区也逐渐向跨中方向扩大。3)断开裂缝:钢筋混凝土构件受拉时,进入整个截面的裂缝称为断开裂缝。受拉构件在荷载作用下产生的裂缝均沿正截面开展,裂缝间距有一定规律性。受拉构件在内力较小时,混凝土和钢筋均匀承受拉力,拉应力值较小不超过混—加朋连续__-■'一一■-梁尸原因①跨中弯拉裂缝②1/4跨径处腹剪、弯剪裂缝③支座处因局部承压不足引简支凝土抗拉极限,这是未出现裂缝的构件的工作状态。随着内力增大,混凝土内拉应力达到其受拉极限,产生裂缝并退出工作,全部拉力由钢筋承担,这是允许出现裂缝的构件的工作状态。荷载继续增大,钢筋应力达到极限,钢筋伸长率较大,裂缝很宽超过设计规范允许宽度的许多倍,这时多为使用所不允许的或构件将接近破坏的状态。4)扭曲裂缝:混凝土构件受扭转与弯曲同时作用而产生的裂缝称为扭曲裂缝。该裂缝一般呈45°倾斜方向。5)局部应力引起的裂缝:局部应力引起的裂缝,主要表现在:墩台支座处受到较大局部压力,构件突然受到冲击荷载;构件角隅处,超载梁端锚固端受到较大局部应力而引起裂缝。受力裂缝易出现部位(一)构造示意简图①跨中弯拉裂缝②反弯点处弯剪裂缝③超载处负弯矩弯拉裂缝④支座处因局部承压不足引起的开裂①跨中弯拉裂缝②牛腿处应力集中开裂③超载处负弯矩弯拉裂缝④支座处因局部承压不足引起的开裂①跨中弯拉裂缝②角隅处应力集中...

1、当您付费下载文档后,您只拥有了使用权限,并不意味着购买了版权,文档只能用于自身使用,不得用于其他商业用途(如 [转卖]进行直接盈利或[编辑后售卖]进行间接盈利)。
2、本站所有内容均由合作方或网友上传,本站不对文档的完整性、权威性及其观点立场正确性做任何保证或承诺!文档内容仅供研究参考,付费前请自行鉴别。
3、如文档内容存在违规,或者侵犯商业秘密、侵犯著作权等,请点击“违规举报”。

碎片内容

桥梁养护技术手册

您可能关注的文档

确认删除?
VIP
微信客服
  • 扫码咨询
会员Q群
  • 会员专属群点击这里加入QQ群
客服邮箱
回到顶部