电脑桌面
添加小米粒文库到电脑桌面
安装后可以在桌面快捷访问

全国数控大赛数控铣加工中心图库VIP免费

全国数控大赛数控铣加工中心图库_第1页
1/45
全国数控大赛数控铣加工中心图库_第2页
2/45
全国数控大赛数控铣加工中心图库_第3页
3/45
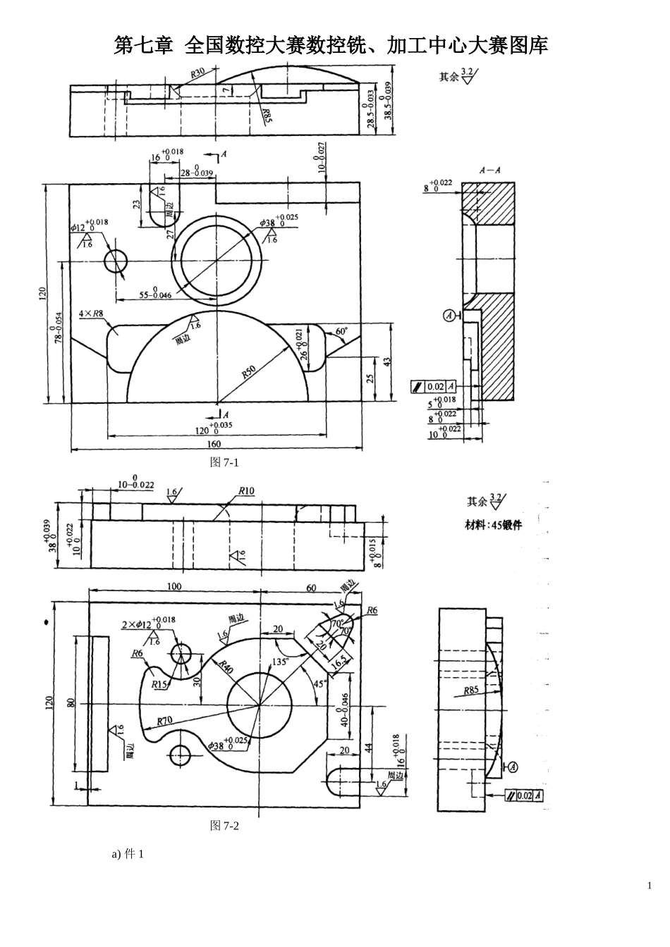
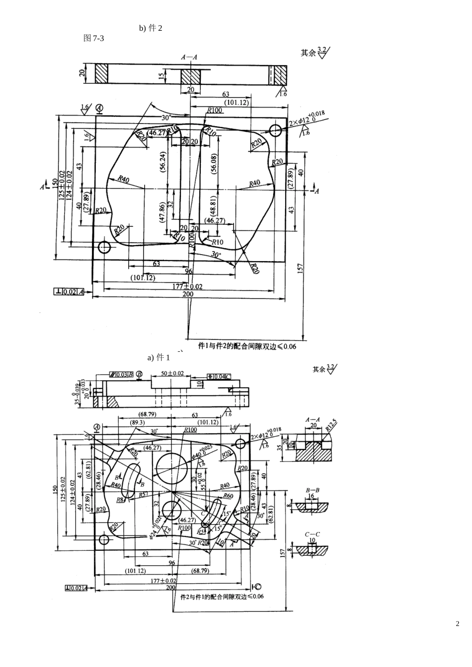
第七章全国数控大赛数控铣、加工中心大赛图库图7-1图7-2a)件11b)件2图7-3a)件12b)件2图7-4图7-5图7-6图7-73图7-8图7-94图7-10a)件1b)件2图7-115图7-12a)件1b)件2图7-136a)件1b)件2图7-147图7-15图7-168图7-22图7-23图7-249图7-2510图7-2611图7-2712图7-34图7-3513图7-36图7-3714图7-38图7-39图7-40图7-4115图7-4216图7-43图7-4417图7-45图7-4618图7-4719图7-4820图7-4921图7-5022图7-5123图7-5224图7-5325图7-5426图7-5527图7-5628图7-5729图7-5830图7-5931图7-6032图7-6133图7-6134图7-623536373839404142434445

1、当您付费下载文档后,您只拥有了使用权限,并不意味着购买了版权,文档只能用于自身使用,不得用于其他商业用途(如 [转卖]进行直接盈利或[编辑后售卖]进行间接盈利)。
2、本站所有内容均由合作方或网友上传,本站不对文档的完整性、权威性及其观点立场正确性做任何保证或承诺!文档内容仅供研究参考,付费前请自行鉴别。
3、如文档内容存在违规,或者侵犯商业秘密、侵犯著作权等,请点击“违规举报”。

碎片内容

全国数控大赛数控铣加工中心图库

您可能关注的文档

确认删除?
VIP
微信客服
  • 扫码咨询
会员Q群
  • 会员专属群点击这里加入QQ群
客服邮箱
回到顶部