电脑桌面
添加小米粒文库到电脑桌面
安装后可以在桌面快捷访问

全国统一建筑工程预算工程量计算规则VIP免费

全国统一建筑工程预算工程量计算规则_第1页
1/32
全国统一建筑工程预算工程量计算规则_第2页
2/32
全国统一建筑工程预算工程量计算规则_第3页
3/32
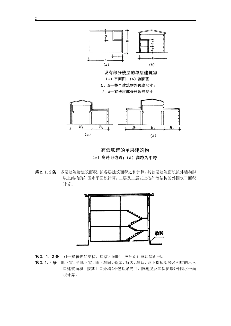
1中华人民共和国建设部全国统一建筑工程预算工程量计算规则土建工程GJDGZ—101—95一、总则二、建筑面积计算规则三、土建工程预算工程量计算规则第一章总则第1.0.1条为统一工业与民用建筑工程预算工程量的计算,制定本规则。第1.0.2条本规则适用于工业与民用房屋建筑及构筑物施工图设计阶段编制工程预算及工程量清单,也适用于工程设计变更后的工程量计算。本规则与《全国统一建筑工程基础定额》相配套,作为确定建筑工程造价及其消耗量的依据。第1.0.3条建筑工程预算工程量除依据《全国统一建筑工程基础定额》及本规则各项规定外,尚应依据以下文件:1.经审定的施工设计图纸及其说明;2.经审定的施工组织设计或施工技术措施方案;3.经审定的其他有关技术经济文件。第1.0.4条本规则的计算尺寸,以设计图纸表示的尺寸或设计图纸能读出的尺寸为准。除另有规定外,工程量的计量单位应按下列规定计算:1.以体积计算的为立方米(m3);2.以面积计算的为千方米(m2);3.以长度计算的为米(m);4.以重量计算的为吨或千克(t或kg);5.以件(个或组)计算的为件(个或组)。汇总工程量时,其准确度取值:立方米、平方米、米以下取两位;吨以下取三位;千克、取整数。第1.0.5条计算工程量时,应依施工图纸顺序,分部、分项,依次计算,并尽可能采用计算表格及计算机计算,简化计算过程。第二章建筑面积计算规则第一节计算建筑面积的范围第2.1.1条单层建筑物不论其高度如何,均按一层计算建筑面积。其建筑面积按建筑物外墙勒脚以上结构的外围水平面积计算。单层建筑物内设有部分楼层者,首层建筑面积已包括在单层建筑物内,二层及二层以上应计算建筑面积。高低联跨的单层建筑物,需分别计算建筑面积时,应以结构外边线为界分别计算。2第2.1.2条多层建筑物建筑面积,按各层建筑面积之和计算,其首层建筑面积按外墙勒脚以上结构的外围水平面积计算,二层及二层以上按外墙结构的外围水干面积计算。第2.1.3条同一建筑物如结构、层数不同时,应分别计算建筑面积。第2.1.4条地下室、半地下室、地下车间、仓库、商店、车站、地下指挥部等及相应的出入口建筑面积,按其上口外墙(不包括采光井、防潮层及其保护墙)外围水平面积计算。3第2.1.5条建于坡地的建筑物利用吊脚空间设置架空层和深基础地下架空层设计加以利用时,其层高超过2.2m,按围护结外围水平面积计算建筑面积。第2.1.6条穿过建筑物的通道,建筑物内的门厅、大厅,不论其高度如何均按—层建筑面积计算。门厅、大厅内设有回廊时,按其自然层的水平投影面积计算建筑面积。4第2.1.7条室内楼梯间、电梯井、提物井、垃圾道、管道井等均按建筑物的自然层计算建筑面积。5第2.1.8条书库、立体仓库设有结构层的,按结构层计算建筑面积,没有结构层的,按承重书架层或货架层计算建筑面积。第2.1.9条有围护结构的舞台灯光控制室,按其围护结构外围水平面积乘以层数计算建筑面积。第2.1.10条建筑物内设备管道层、贮藏室其层高超过2.2m时,应计算建筑面积。第2.1.11条有柱的雨篷、车棚、货棚、站台等,按柱外围水平面积计算建筑面积;独立柱的雨篷、单排柱的车棚、货棚、站台等,按其顶盖水平投影面积的一半计算建筑面积。第2.1.12条屋面上部有围护结构的楼梯间、水箱间、电梯机房等,按围护结构外围水平面积计算建筑面积。第2.1.13条建筑物外有围护结构的门斗、眺望间、观望电梯间、阳台、厨窗、挑廊、走廊等,按其围护结构外围水平面积计算建筑面积。6第2.1.14条建筑物外有柱和顶盖走廊、檐廊,按柱外围水平面积计算建筑面积;有盖无柱的走廊、檐廊挑出墙外宽度在1.5m以上时,按其顶盖投影面积一半计算建筑面积。无围护结构的凹阳台、挑阳台,按其水平面积一半计算建筑面积。建筑物间有顶盖的架空走廊,按其顶盖水平投影面积计算建筑面积。第2.1.15条室外楼梯,按自然层投影面积之和计算建筑面积。第2.1.16条建筑物内变形缝、沉降缝等,凡缝宽在300mm以内者,均依其缝宽按自然层计算建筑面积,并入建筑物建筑面积之内计算。7第二节不计算建筑面积的范围第2.2.1条突出外墙的构件、配件、附墙柱、垛...

1、当您付费下载文档后,您只拥有了使用权限,并不意味着购买了版权,文档只能用于自身使用,不得用于其他商业用途(如 [转卖]进行直接盈利或[编辑后售卖]进行间接盈利)。
2、本站所有内容均由合作方或网友上传,本站不对文档的完整性、权威性及其观点立场正确性做任何保证或承诺!文档内容仅供研究参考,付费前请自行鉴别。
3、如文档内容存在违规,或者侵犯商业秘密、侵犯著作权等,请点击“违规举报”。

碎片内容

全国统一建筑工程预算工程量计算规则

文章天下+ 关注
实名认证
内容提供者

各种文档应有尽有

确认删除?
VIP
微信客服
  • 扫码咨询
会员Q群
  • 会员专属群点击这里加入QQ群
客服邮箱
回到顶部