电脑桌面
添加小米粒文库到电脑桌面
安装后可以在桌面快捷访问

表4--施工总平面布置图及临时用地表多种VIP免费

表4--施工总平面布置图及临时用地表多种_第1页
1/2
表4--施工总平面布置图及临时用地表多种_第2页
2/2
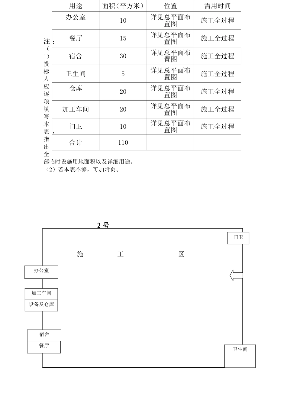
表4施工总平面布置图及临时用地表1)施工总平面布置图1号施工区2)临时用地表施工区设备及仓库加工车间宿舍餐厅办公室卫生间门卫注:(1)投标人应逐项填写本表,指出全部临时设施用地面积以及详细用途。(2)若本表不够,可加附页。2号用途面积(平方米)位置需用时间办公室10详见总平面布置图施工全过程餐厅15详见总平面布置图施工全过程宿舍30详见总平面布置图施工全过程卫生间5详见总平面布置图施工全过程仓库20详见总平面布置图施工全过程加工车间20详见总平面布置图施工全过程门卫10详见总平面布置图施工全过程合计110施工区门卫宿舍餐厅加工车间设备及仓库办公室卫生间

1、当您付费下载文档后,您只拥有了使用权限,并不意味着购买了版权,文档只能用于自身使用,不得用于其他商业用途(如 [转卖]进行直接盈利或[编辑后售卖]进行间接盈利)。
2、本站所有内容均由合作方或网友上传,本站不对文档的完整性、权威性及其观点立场正确性做任何保证或承诺!文档内容仅供研究参考,付费前请自行鉴别。
3、如文档内容存在违规,或者侵犯商业秘密、侵犯著作权等,请点击“违规举报”。

碎片内容

表4--施工总平面布置图及临时用地表多种

您可能关注的文档

确认删除?
VIP
微信客服
  • 扫码咨询
会员Q群
  • 会员专属群点击这里加入QQ群
客服邮箱
回到顶部