电脑桌面
添加小米粒文库到电脑桌面
安装后可以在桌面快捷访问

通信工程施工组织设计方案VIP免费

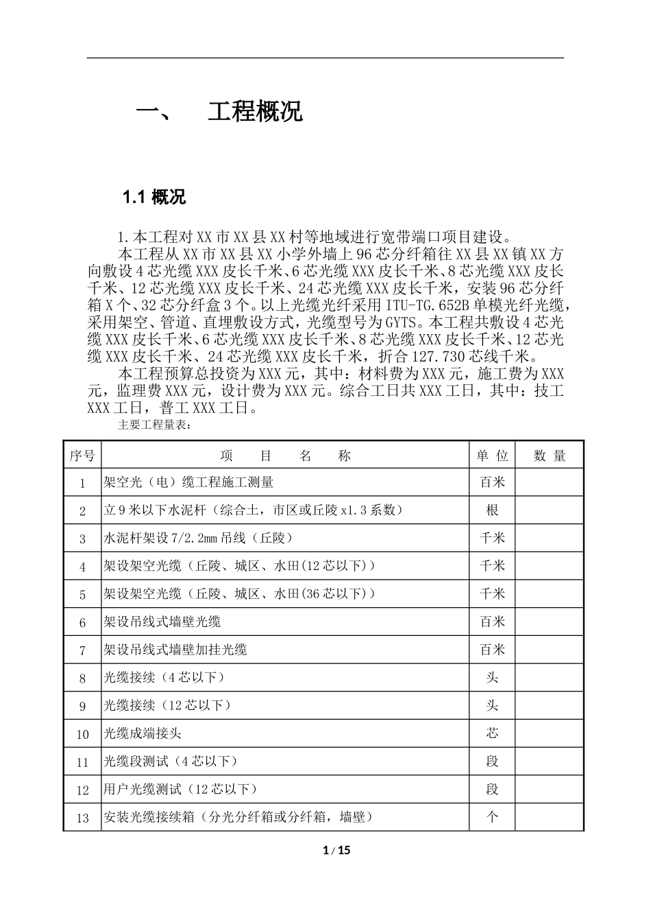
通信工程施工组织设计方案_第1页
1/15
通信工程施工组织设计方案_第2页
2/15
通信工程施工组织设计方案_第3页
3/15
工程编号:14-GC-08063施工组织方案2014年中国电信贺州分公司农村第四季度常规宽带项目钟山分公司铜盘/桃加/桥头/桑木村/鸣鸾/星寨/沙坪村FTTH新建光缆线路工程设计单位:广西通信规划设计咨询有限公司施工单位:广东中人集团建设有限公司项目经理:二〇一四年十一月编目录一、工程概况..................................................................................................................-1-1.1概况............................................................................................................................-1-2.施工依据.......................................................................................................................-2-3.计划工期.......................................................................................................................-2-4.施工管理及工、料、机安排.......................................................................................-3-5.项目人员架构图...........................................................................................................-4-二、施工注意事项:..........................................................................................................-4-2.1原有杆路简况及整治要求.........................................................................................-4-2.1.1原有杆路简况.....................................................................................................-4-2.1.2原有杆路的整治要求..........................................................................................-4-2.1.3吊线安装及施工要求..........................................................................................-5-2.2主要设计标准和技术措施.........................................................................................-5-2.2.1光纤光缆的主要技术指标..................................................................................-5-2.2.2光缆接头盒的主要技术指标..................................................................................-6-2.2.3光缆线路敷设安装要求..........................................................................................-6-2.4防强电........................................................................................................................-9-2.5防雷..........................................................................................................................-10-2.6防潮..........................................................................................................................-10-2.7防冻..........................................................................................................................-10-3、需要说明的其它问题..............................................................................................-10-三、安全施工保证措施....................................................................................................-10-3.1安全保障制度..........................................................................................................-10-3.1.1网络安全保障制度...........................................................................................-10-3.1.2人身安全保障制度...........................................................................................-12-3.1.3安全汇报制度...................................................................................................-13...

1、当您付费下载文档后,您只拥有了使用权限,并不意味着购买了版权,文档只能用于自身使用,不得用于其他商业用途(如 [转卖]进行直接盈利或[编辑后售卖]进行间接盈利)。
2、本站所有内容均由合作方或网友上传,本站不对文档的完整性、权威性及其观点立场正确性做任何保证或承诺!文档内容仅供研究参考,付费前请自行鉴别。
3、如文档内容存在违规,或者侵犯商业秘密、侵犯著作权等,请点击“违规举报”。

碎片内容

通信工程施工组织设计方案

确认删除?
VIP
微信客服
  • 扫码咨询
会员Q群
  • 会员专属群点击这里加入QQ群
客服邮箱
回到顶部